Книга в формате epub! Изображения и текст могут не отображаться!
[Настройки текста] [Cбросить фильтры]
[Оглавление]
Иванов Б. С. Своими руками.— М.: Мол. гвардия, 1984.—. 143 с., ил. 25 коп. 200 000 экз.
Автор дает советы, Kate изготовить простейшие столярные слесарные, электрические и электронные приспособления для дома, для школьных кабинетов и мастерских, для школьного участка.
В книге использованы материалы из газеты «Вечерняя Москва», еженедельника «Неделя», журналов «Вожатый», «Наука и жизнь», «Работница», «Семья и школа», «Юный техник» и приложения к нему «ЮТ для умелых рук», из ежегодного издания «Мастерок», выходящего в издательстве «Молодая .гвардия».
ББК 30я92
6(072)
Для среднего школьного возраста
ИБ № 3929
Борис Сергеевич Иванов
СВОИМИ РУКАМИ
Редактор Л. Барыкина
Художники Д, ' Хитров. М. Якушин Художественный редактор Т. Сан кина Технический редактор И. Носова Корректоры И. Тарасова, Т. Пескова
Сдано в набор 23.05.84. Подписано, в печать 20.11.84. А 00891. Формат 84X108 1/12 Бумага типографская № 3. Гарнитура -«литературная». Печать высокая. Усл. печ. л. 7,56. Усл. кр.-отт. 7.87. Учетно-изд. л. 7,3. Тираж 200 000 экз. (1-й завод 100 000 экз.) Цена 25 коп. Изд. №661. Заказ 4—211.
Ордена Трудового Красного Знамени издательство ЦК ВЛКСМ «Молодая гвардия». Адрес издательства: 103030, Москва, K-JV. Сущевская, 21. . ’
Полиграфкомбинат ордена «Знак Почета» издательства ЦК ЛКСМУ «Молодь». Адрес типографии: 252119, Киев-119, пар* хомепко, 38—42.

Оглавление
- ЧУДЕСА НАЧИНАЮТСЯ С ПОРОГА
- 1 ГЛАВА
- ЧТОБЫ ЛУЧШЕ УЧИТЬСЯ
- ЦЕНТРОБЕЖНАЯ ДОРОГА
- КАТОК - ПРЕОБРАЗОВАТЕЛЬ МЕХАНИЧЕСКОЙ ЭНЕРГИИ
- ФЛЮГЕР
- ПРИБОР ДЛЯ ДЕМОНСТРАЦИИ ТЕПЛОВОГО РАСШИРЕНИЯ ТЕЛ
- ТЕРМОСКОП
- КАТУШКА ИНДУКТИВНОСТИ И ПЕРЕМЕННЫЙ ТОК
- МИКРОПРОЕКТОР
- ЗАНИМАТЕЛЬНЫЕ ОПЫТЫ
- 2 ГЛАВА
- НЕОБЫЧНАЯ СПОРТПЛОЩАДКА
- ПРУЖИННЫЙ ЭСПАНДЕР
- ЭСПАНДЕР ИЗ ГАНТЕЛЕЙ
- ШТАНГА - ЗА ПЯТЬ МИНУТ
- ТРЕНАЖЕР ГРЕБЦА
- ГИМНАСТИЧЕСКИЕ ПОРУЧНИ
- РОЛИКОВЫЙ САМОКАТ
- ЛЫЖНЫЙ САМОКАТ
- ХОККЕЙНЫЕ ДОСПЕХИ
- НА ВЕЛОСИПЕДЕ — ЗИМОЙ
- СПОРТИВНЫЕ ЗАБАВЫ
- 3 ГЛАВА
- ЭЛЕКТРОННЫЕ «ВОЛШЕБНИКИ»
- СИГНАЛИЗАТОР ГОРЕНИЯ ГАЗА
- ЭЛЕКТРОННЫЙ «СВИСТОК» К ЧАЙНИКУ
- ИНДИКАТОР УРОВНЯ ВОДЫ В ВАННЕ
- СВЕТОВОЕ ТАБЛО-ПАМЯТКА
- ПЕРЕГОВОРНОЕ УСТРОЙСТВО «КТО ТАМ?»
- РЕГУЛЯТОР ЯРКОСТИ СВЕТА
- СЕНСОРНЫЙ ВЫКЛЮЧАТЕЛЬ
- ПОЛЕЗНЫЕ СОВЕТЫ
- 4 ГЛАВА
- В ПОМОЩЬ МАМЕ
- ЗАЖИГАЛКА ДЛЯ ГАЗОВОЙ ПЛИТЫ
- ВРАЩАЮЩАЯСЯ ТЕРКА
- РАЗДЕЛОЧНАЯ ДОСКА ДЛЯ РЫБЫ
- КУКЛА-ВЕШАЛКА
- "МАНЕЖ" НА ХОЛОДИЛЬНИКЕ
- КАК ОТКРЫТЬ БАНКУ
- ВЕШАЛКА ДЛЯ БЕЛЬЯ
- ПРИСТАВКА К ГЛАДИЛЬНОЙ ДОСКЕ
- СКЛАДНАЯ ПОЛКА
- ТЕРЕМОК РУКОДЕЛЬНИЦЫ
- ПОЛЕЗНЫЕ МЕЛОЧИ
- 5 ГЛАВА
- ПРОДОВОЛЬСТВЕННАЯ ПРОГРАММА В ВАШЕМ ДОМЕ
- ХЛЕБНИЦА
- ЯЩИК ДЛЯ ОВОЩЕЙ
- СОКОВЫЖИМАЛКА
- ДЛЯ УХОДА ЗА УЧАСТКОМ
- ТЕПЛИЦА - ЗА ЧАС
- КАК ПОВЫСИТЬ УРОЖАЙ
- СОБИРАЕМ УРОЖАЙ
- ОВОЩИ И ФРУКТЫ - КРУГЛЫЙ ГОД
- ПОПРОБУЙТЕ —ЭТО ВКУСНО!
- 6 ГЛАВА
- МАСТЕРСКАЯ ПОД НАВЕСОМ
- СКЛАДНОЙ СТОЛ
- ПРОСТОЙ СТУЛЬЧИК
- НАВЕС ОТ СОЛНЦА
- ПЕРВЫЕ ПОДЕЛКИ
- ПО ЗЕМЛЕ
- В ВОЗДУХЕ
- ПО ВОДЕ
- СОВЕТЫ МАСТЕРА
- 7 ГЛАВА
- ЗАНИМАТЕЛЬНАЯ ИГРОТЕКА
- ПАЛОЧКИ-СБИВАЛОЧКИ
- ЛЕТАЮЩИЕ КОЛПАЧКИ
- КУЗНЕЧИК
- МЕТКИЙ БРОСОК
- ИГРА В КРУЖОЧКИ
- ВОЗДУШНЫЙ ФУТБОЛ
- НАСТОЛЬНЫЙ БАСКЕТБОЛ
- ИГРЫ-МИНИАТЮРЫ
- ЧУДЕСА ПРОДОЛЖАЮТСЯ
Пометки
- Обложка
Своими руками
ЧУДЕСА НАЧИНАЮТСЯ С ПОРОГА
1 ГЛАВА
ЧТОБЫ ЛУЧШЕ УЧИТЬСЯ
ЦЕНТРОБЕЖНАЯ ДОРОГА
КАТОК - ПРЕОБРАЗОВАТЕЛЬ МЕХАНИЧЕСКОЙ ЭНЕРГИИ
ФЛЮГЕР
ПРИБОР ДЛЯ ДЕМОНСТРАЦИИ ТЕПЛОВОГО РАСШИРЕНИЯ ТЕЛ
ТЕРМОСКОП
КАТУШКА ИНДУКТИВНОСТИ И ПЕРЕМЕННЫЙ ТОК
МИКРОПРОЕКТОР
ЗАНИМАТЕЛЬНЫЕ ОПЫТЫ
2 ГЛАВА
НЕОБЫЧНАЯ СПОРТПЛОЩАДКА
ПРУЖИННЫЙ ЭСПАНДЕР
ЭСПАНДЕР ИЗ ГАНТЕЛЕЙ
ШТАНГА - ЗА ПЯТЬ МИНУТ
ТРЕНАЖЕР ГРЕБЦА
ГИМНАСТИЧЕСКИЕ ПОРУЧНИ
РОЛИКОВЫЙ САМОКАТ
ЛЫЖНЫЙ САМОКАТ
ХОККЕЙНЫЕ ДОСПЕХИ
НА ВЕЛОСИПЕДЕ — ЗИМОЙ
СПОРТИВНЫЕ ЗАБАВЫ
3 ГЛАВА
ЭЛЕКТРОННЫЕ «ВОЛШЕБНИКИ»
СИГНАЛИЗАТОР ГОРЕНИЯ ГАЗА
ЭЛЕКТРОННЫЙ «СВИСТОК» К ЧАЙНИКУ
ИНДИКАТОР УРОВНЯ ВОДЫ В ВАННЕ
СВЕТОВОЕ ТАБЛО-ПАМЯТКА
ПЕРЕГОВОРНОЕ УСТРОЙСТВО «КТО ТАМ?»
РЕГУЛЯТОР ЯРКОСТИ СВЕТА
СЕНСОРНЫЙ ВЫКЛЮЧАТЕЛЬ
ПОЛЕЗНЫЕ СОВЕТЫ
4 ГЛАВА
В ПОМОЩЬ МАМЕ
ЗАЖИГАЛКА ДЛЯ ГАЗОВОЙ ПЛИТЫ
ВРАЩАЮЩАЯСЯ ТЕРКА
РАЗДЕЛОЧНАЯ ДОСКА ДЛЯ РЫБЫ
КУКЛА-ВЕШАЛКА
"МАНЕЖ" НА ХОЛОДИЛЬНИКЕ
КАК ОТКРЫТЬ БАНКУ
ВЕШАЛКА ДЛЯ БЕЛЬЯ
ПРИСТАВКА К ГЛАДИЛЬНОЙ ДОСКЕ
СКЛАДНАЯ ПОЛКА
ТЕРЕМОК РУКОДЕЛЬНИЦЫ
ПОЛЕЗНЫЕ МЕЛОЧИ
5 ГЛАВА
ПРОДОВОЛЬСТВЕННАЯ ПРОГРАММА В ВАШЕМ ДОМЕ
ХЛЕБНИЦА
ЯЩИК ДЛЯ ОВОЩЕЙ
СОКОВЫЖИМАЛКА
ДЛЯ УХОДА ЗА УЧАСТКОМ
ТЕПЛИЦА - ЗА ЧАС
КАК ПОВЫСИТЬ УРОЖАЙ
СОБИРАЕМ УРОЖАЙ
ОВОЩИ И ФРУКТЫ - КРУГЛЫЙ ГОД
ПОПРОБУЙТЕ —ЭТО ВКУСНО!
6 ГЛАВА
МАСТЕРСКАЯ ПОД НАВЕСОМ
СКЛАДНОЙ СТОЛ
ПРОСТОЙ СТУЛЬЧИК
НАВЕС ОТ СОЛНЦА
ПЕРВЫЕ ПОДЕЛКИ
ПО ЗЕМЛЕ
В ВОЗДУХЕ
ПО ВОДЕ
СОВЕТЫ МАСТЕРА
7 ГЛАВА
ЗАНИМАТЕЛЬНАЯ ИГРОТЕКА
ПАЛОЧКИ-СБИВАЛОЧКИ
ЛЕТАЮЩИЕ КОЛПАЧКИ
КУЗНЕЧИК
МЕТКИЙ БРОСОК
ИГРА В КРУЖОЧКИ
ВОЗДУШНЫЙ ФУТБОЛ
НАСТОЛЬНЫЙ БАСКЕТБОЛ
ИГРЫ-МИНИАТЮРЫ
ЧУДЕСА ПРОДОЛЖАЮТСЯ


ББК 30я92 И 20
Художник Д. Хитрое
(С) Издательство «Молодая гвардия»» 1984
ЧУДЕСА НАЧИНАЮТСЯ С ПОРОГА
Зашел я однажды к знакомому в гости. Только нажал кнопку звонка, раздался тоненький голосок:
— Кто там?
Оглянулся вокруг — никого. Снова нажимаю на кнопку. И вновь:
— Кто там?
Голос откуда-то сверху. Поднял голову. Над дверью небольшая коробочка. Я представился. Коробочка проговорила:
— Входите, пожалуйста.
За дверью что-то щелкнуло, и она приоткрылась. Сразу вспыхнул свет в прихожей...
— Последнее изобретение Вити,— объясняет хозяин дома, кивая на дверь.— Неделю назад соорудил. Квартира-то большая, пока дойдешь из дальней комнаты до двери, гость может и не дождаться. Вот он и придумал это переговорное устройство, а заодно добавил дистанционное управление. Нажал кнопку в любой комнате — и дверной замок сам открывается.
— А свет в прихожей? Им тоже из комнаты управляют?
— Нет,— раздался из кухни голос мальчика. А затем показался и он сам.— Это вы сами свет включили.
— Как это?
— Очень просто — дотронулись до дверной ручки, свет и вспыхнул. Это автоматика: сенсорное управление...
Так я оказался в квартире, где чудеса начинаются с порога.
Мы с Витей пошли по всем комнатам, разглядывая остроумные приспособления и поделки. Жаль, что вас, дорогие ребята, не было с нами. Зная, что многие из вас любят мастерить, я и решил рассказать о Витиных увлечениях. А их немало. Если сегодня он радиолюбитель, завтра наверняка начнет модернизировать велосипед, послезавтра увлечется демонстрационным прибором по физике, а потом задумает занимательную игру.
И мы с Витей решили заняться самоделками с вами. Причем один день собирать самоделки для занятий спортом, в другой — приборы для школы, в третий — полезные поделки для дома и так далее. И у нас с вами получится занимательная трудовая неделя. Договорились? Тогда за дело!

1 ГЛАВА

ЧТОБЫ ЛУЧШЕ УЧИТЬСЯ
Итак, первый день нашей трудовой недели посвятим изготовлению демонстрационных приборов, проделаем занимательные опыты. Они помогут лучше усвоить законы физики и химии, изучаемые на уроках, и даже заглянуть дальше — за страницы школьных учебников.
Изготовленные вами приборы можно использовать не только в школьных кабинетах, но и классах продленного дня. А опыты продемонстрировать, например, на вечере занимательной науки и техники.
ЦЕНТРОБЕЖНАЯ ДОРОГА
Вам, наверное, приходилось видеть мотоциклетные гонки по вертикальной стене. Захватывающее зрелище! Особенно когда мотогонщик «взбирается» на высоту нескольких метров от земли. Что же удерживает его от падения? Центробежная сила, которая надежно прижимает мотоцикл с человеком к стене?
Для демонстрации действия центробежной силы постройте модель дороги, показанную на рисунке 1. Сначала укрепите на дощечке-основании (4) стойки (6) разной длины сечением 15x40 мм. Предварительно под стойки вырубите в основании стамеской отверстие, смажьте концы стоек_клеем и вбейте их в отверстия. Еще к основанию приклейте брусок-подставку (5) и фанерный ящичек (7), оклеенный внутри поролоном, войлоком или фетром.
На стойках и бруске укрепите вырезанную из тонкой (1,5—2 мм) фанеры полосу (1), свернутую в петлю. Длина полосы примерно 900 мм. По бокам полосы наклейте бортики (2) из такой же фанеры. В результате получится дорога с желобом.
Если теперь по желобу пустить металлический или деревянный шар(З) диаметром около 40 мм, он наберет скорость и прокатится по дороге, не соскочив с нее. Шар будет удерживать центробежная сила.

КАТОК - ПРЕОБРАЗОВАТЕЛЬ МЕХАНИЧЕСКОЙ ЭНЕРГИИ
Что такое кинетическая энергия? Откуда берется потенциальная? Как один вид механической энергии переходит в другой? Нелегко бывает разобраться в этих вопросах. Демонстрационный прибор, изображенный на рисунке 2, поможет вам в этом.
Его конструкция проста. Две одинаковые металлические крышки (наружный диаметр их примерно 95 мм) от банки из-под кофе соединены тремя небольшими стержнями, чтобы получился двухколесный каток. В каждой крышке проделано по два отверстия симметрично относительно центра. Через отверстия пропущена резиновая нить, концы которой завязаны снаружи одной из крышек. Нить должна быть туго натянута.
Внутри катка на одинаковом расстоянии от крышек к нити прикреплен проволочный крючок с грузиком — гайкой. Под тяжестью гайки нить не должна сильно прогибаться, чтобы гайка не касалась стержней.
Поставив каток на пол, толкните его. Каток покатится — ведь вы сообщили ему кинетическую энергию. Во время движения катка резиновые нити будут скручиваться, поскольку к ним прикреплен грузик, находящийся под действием силы тяжести в отвесном положении. Кинетическая энергия катка переходит в потенциальную энергию своеобразного резиномотора, образованного нитями.

Через некоторое время каток израсходует кинетическую энергию и остановится. Но теперь между колесами катка и грузиком, выполняющим роль опоры, окажется источник потенциальной энергии — заведенный резино-мотор. Действуя на колеса, он заставит их двигаться в обратном направлении. Потенциальная энергия начнет переходить в кинетическую. Как только иссякнет и она, каток остановится и уже не сдвинется с места (мы не принимаем во внимание небольшой пробег его по инерции и возвращение назад в конце движения).
Повернув вручную колеса катка на десять-двадцать оборотов, «заведите» резиномотор. Он накопит потенциальную энергию. Как только поставите каток на пол и отпустите его, колеса начнут раскручиваться. Потенциальная энергия резиномотора будет переходить в кинетическую энергию катка.
ФЛЮГЕР
Ветер — источник дешевой кинетической энергии. В старину на его пути ставили мельницы с широко раскинутыми крыльями и от них вращали жернова. В наше время ветер помогает получать электроэнергию в отдаленных районах нашей большой страны, добывать воду из глубоких колодцев, поднимать воду в напорные башни.
Как же энергия ветра преобразуется в механическую работу? Ответить на этот вопрос поможет следующий демонстрационный прибор — флюгер. Хотя он выполнен в виде забавной игрушки, с его помощью можно определять и направление и скорость ветра.
Устройство флюгера вы видите на рисунке 3. Главная часть его — пропеллер, преобразующий энергию ветра во вращательное движение. Пропеллер прикреплен к оси, а она соединена через зубчатую передачу с фигуркой клоуна — он держится за ручку колеса. Со стороны кажется, что это клоун вращает пропеллер, а не ветер приводит в движение лопасти. О силе ветра можно судить по скорости вращения пропеллера, а о его направлении — по положению хвостовика, выполненного в виде вертикально расположенной узкой пластины (эту часть флюгера называют флюгаркой).
Рис. 3

Основание (18) флюгера вырежьте из бруска сечением 100Х 100 мм. Как вариант основание можно составить из двух частей — горизонтальной и вертикальной. Горизонтальную выпиливают из фанеры толщиной 15—20 мм, а вертикальную (флюгарку) — из фанеры толщиной 8—10 мм. Флюгарку закрепляют клеем в небольшой прорези горизонтальной части основания.
Сверху на основании укрепите стойки (4 и 7), вырезанные из доски толщиной 20—25 мм. Причем для повышения прочности конструкции между стойкой (4) и основанием укрепите уголок (19). В обеих стойках просверлите отверстие под осн (5) и (7). В верхние отверстия вставьте ось 5 пропеллера — медную или латунную трубку. Спереди трубка должна выступать на 30—35 мм.

На нее наденьте шайбу (3), просверлите в трубке отверстие и вставьте в него штифт (2) — отрезок проволоки диаметром 1,5—2 мм. Концы штифта загните. На выступающий сзади конец трубки наденьте шестерню 8 (с небольшим числом зубьев) от часов-будильника. Припаяйте шестерню к трубке. Теперь ось будет удерживаться с одной стороны прикрепленной к ней шестерней, а с другой — шайбой со штифтом. В продольном направлении ось должна перемещаться вперед-назад на 0,5— 1 мм.
Ось (6) из такого же материала, что и ось. (5), должна выступать спереди настолько, чтобы можно было надеть па нее шайбу и вставить штифт. На заднюю часть оси наденьте шестерню (9) (тоже от часов-будильника) с большим числом зубьев — она должна войти в зацепление с малой шестерней. Припаяйте эту шестерню к оси.
. Если большая шестерня не входит в зацепление из-за бортика на малой, нужно вынуть ось (6), приставить большую шестерню к отверстию в стойке так, чтобы зубья большой шестерни вошли в зацепление, а затем продеть через отверстие в большой шестерне ось.
Выступающий конец нижней оси изогните в виде ручки. Чтобы облегчить эту операцию, в местах сгиба трубки сделайте трехгранным напильником небольшие пропилы. К концу ручки прикрепите руки (11) клоуна. Все части фигурки выпилите из фанеры толщиной 5—6 мм и раскрасьте. Ноги (12) и руки скрепите с туловищем (10) гвоздиками, концы которых загните. Фигурку прикрепите к основанию на клею или прибейте тонкими гвоздиками.
Пропеллер (1) вырежьте из бруска сечением 25x25 мм. Закрепите его на оси (5) проволочным штифтом.
Готовый флюгер желательно покрыть одним-двумя слоями лака. Демонстрировать флюгер можно на улице, когда дует ветер. Но еще лучше укрепить его на крыше или на небольшой стойке. Способы крепления самые разнообразные. Можно, например, прикрепить к нему деревянную стойку и вставить ее в подшипник, установленный на крыше. Стойкой может служить отрезок трубы с резьбой на конце (деталь (14) на рисунке). Тогда в основании флюгера сверлят отверстие диаметром несколько большим диаметра трубы, вставляют в отверстие металлическую втулку (16) длиной 15 мм, а во втулку — конец трубы. Сверху и снизу основания на трубу надевают шайбы (13) и завинчивают гайки (15) и (17) так, чтобы флюгер свободно поворачивался вокруг трубы, как вокруг оси. Стойку-трубу прочно крепят к крыше.
ПРИБОР ДЛЯ ДЕМОНСТРАЦИИ ТЕПЛОВОГО РАСШИРЕНИЯ ТЕЛ
Железнодорожные пути все вы, конечно, видели. И наверняка заметили, что они составлены из отдельных отрезков длиною по несколько метров. Если внимательно посмотреть на стыки рельсов летом и зимой, нетрудно обнаружить интересную закономерность. Летом, особенно в сильную жару, зазор между концами рельсов едва заметен. Зимой же, в лютый мороз, в этом месте появляется щель, в которую свободно входит спичка.
Известный популяризатор науки и техники Я. И. Перельман в своей книге «Занимательная физика» приводит такой пример: летом длина сплошного рельсового пути (то есть длина всех отрезков) между Москвой и Ленинградом на 300 м больше, чем зимой. Вот как реагирует металл на изменение окружающей температуры.
Чтобы продемонстрировать явление расширения металла при нагреваний, соберем прибор, показанный на рисунке 4а. Основание его — дощечка (1) размером 10Х 60X300 мм. К основанию прибивают два кубика: один (2) —со стороной 50 мм, другой (7) —40 мм. К кубику (7) приклеивают стеклянную пластину (6) размерами 5x45x45 мм. На пластину кладут швейную иглу с припаянной к ней проволочной стрелкой (8). Против конца стрелки на кубике наносят деления шкалы (9). Более толстой линией на шкале отмечают среднее деление, против которого должна находиться стрелка в исходном состоянии.
К кубику (2) прикрепляют металлическую скобу с отверстием в центре. В отверстии нарезана резьба М4. Скоба служит прижимным устройством. Между ней и кубиком вставляют металлическую пластину (4) и закрепляют ее винтом (3). Другой конец пластины должен опираться на иглу (5). Прибор готов, можно проводить эксперименты.
Рис. 4
Подвесьте к пластине небольшую металлическую коробочку (рис. 46) с таблеткой сухого спирта и подожгите таблетку (можете, конечно, использовать свечу). Пластина начнет разогреваться и удлиняться. Поскольку один ее конец закреплен и служит опорой, перемещаться станет другой конец — он лежит на игле. Игла начнет перекатываться, отклоняя стрелку влево от отметки. По величине угла отклонения стрелки можно судить о величине теплового расширения пластины.
Загасив пламя подогревателя, подождите, пока пластина остынет и стрелка вернется на нулевую отметку. Теперь положите на пластину кусочек льда (рис. 4в) и наблюдайте за стрелкой. От холода пластина начнет сжиматься, и стрелка поползет вправо от исходного положения.
Проводя подобные эксперименты с одинаковыми пластинами разных металлов, нетрудно сравнить их «тепловую» чувствительность.
ТЕРМОСКОП
Один из видов передачи тепла нагретыми телами окружающим предметам — излучение. Примером может служить печь, тепло от которой ощущается на расстоянии. При этом тепловых лучей не видно. Другое дело, если тело нагрето до очень высокой температуры, как, скажем, солнце или электрическая лампа. Тогда появляются и видимые лучи — свет. И те и другие лучи, падая на различные предметы, нагревают их. Но нагревают по-разному, в зависимости от окраски их поверхности. Чем темнее окраска, тем интенсивнее поглощение лучей, тем выше температура тела. Продемонстрировать это поможет сравнительно простой прибор — термоскоп (рис. 5).
Рис. 5

Прежде всего для него понадобится корпус (1) из любого материала. На верхней стенке его укрепите патрон (2) с осветительной лампой (3) мощностью 60 или 100 Вт. По обе стороны от лампы на одинаковом расстоянии расположите две металлические баночки (4 и 5) с впаянными в них сбоку отрезками металлических трубок 0 6—8 мм. Подойдут, например, баночки из-под леденцов — крышки нужно припаять к баночкам, чтобы не было щелей. Крышку одной баночки (4) окрасьте в черный цвет, а другой (5) — очистите от краски.
На передней панели корпуса укрепите шкалу (6) с делениями и две стеклянные трубки (7) в виде сообщающихся сосудов. Концы трубок внутри корпуса соедините резиновыми шлангами с отрезками трубок «своих» баночек. Места соединений стяните проволокой (или прочными нитками). На передней панели установите и выключатель (8) — тумблер с одной или двумя группами контактов. Причем контакты должны замыкаться, когда ручка' выключателя в верхнем положении. Контакты выключателя соединены последовательно с лампой, а к оставшимся выводам лампы и выключателя подпаян сетевой провод с вилкой на конце. Места пайки обмотайте изоляционной лентой.
Перед началом демонстрации налейте в каждую трубочку подкрашенную жидкость до уровня нижнего деления шкалы. Включите прибор в сеть, зажгите лампу и через несколько секунд погасите ее. Заметили, как уровень жидкости в трубках поднялся? В трубке, соединенной с левой баночкой (у нее черная крышка) , он оказался выше. Потому что воздух в этой баночке нагрелся до более высокой температуры, сильнее расширился и вытеснил больший объем жидкости.
Если подержать лампу включенной более продолжительное время, разница в уровнях жидкости увеличится.
КАТУШКА ИНДУКТИВНОСТИ И ПЕРЕМЕННЫЙ ТОК
Изучая электричество, вы знакомитесь с явлением электромагнитной индукции, узнаете о влиянии магнитного поля на катушку индуктивности, о преобразовании электрической энергии трансформатором. Лучше усвоить эти вопросы школьной программы помогут предлагаемый прибор и опыты, проводимые с ним.
Сначала займемся постройкой первой половины прибора (рис. 6а). Она продемонстрирует «поведение» катушки индуктивности в цепи переменного тока. Из фанеры толщиной 15—20 мм выпилите подставку. На одном ее конце укрепите электрический патрон и вверните в него осветительную лампу мощностью 60 Вт на напряжение 220 В. На другом установите катушку индуктивности с железным сердечником — дроссель. Сердечник соберите из трансформаторного железа Ш20. Оно состоит из Ш-образных пластин (ширина среднего выступа 20 мм) и прямоугольных. Число тех и других пластин должно быть таким, чтобы толщина каждого набора составила 25 мм.
Из плотного картона склейте каркас со щечками и намотайте на него обмотку дросселя — 2000 витков провода марки ПЭЛ или ПЭВ (оба — в эмалевой изоляции) 0 0,35—0,4 мм. Каркас с обмоткой наденьте на сердечник из Ш-образных пластин и закрепите сердечник на подставке металлическими уголками. Обмотку дросселя соедините с .лампой последовательно (рис. 6в). Чтобы прибор можно было включать в осветительную сеть, выведите от дросселя и лампы двухпроводный шнур длиной 1,5—2 м с вилкой на конце. Все соединения должны быть выполнены аккуратно, а оголенные провода в местах крепления закрыты изоляционной лентой или в крайнем случае лейкопластырем.
Прямоугольные пластины сложите вместе и скрепите винтом и гайкой. Получится перемычка сердечника дросселя.
Прежде чем пользоваться прибором, освежите в памяти некоторые сведения из курса физики. Известно, что сопротивление обмотки дросселя постоянному току зависит только от оммического сопротивления провода, независимо от того, есть сердечник в катушке или нет. Другое дело при переменном токе. Дроссель для него обладает уже индуктивным сопротивлением, которое зависит от индуктивности катушки. А та, в свою очередь, определяется числом витков катушки, наличием сердечника, его габаритов и материала, из которого выполнен сердечник,— железо, пермаллой, феррит.
Благодаря индуктивности ток в цепи переменного тока нарастает с определенной скоростью. Чем больше индуктивность дросселя, тем медленнее это нарастание. Поскольку ток переменный и, как вы знаете, состоит из двух полупериодов — положительного и отрицательного, за каждый полупериод ток в цепи с индуктивностью успевает достигнуть лишь определенного значения. Оно тем больше, чем меньше индуктивное сопротивление цепи, то есть чем меньше индуктивность дросселя.
Теперь можете провести эксперимент с нашим прибором. Включите его в сеть. Лампа прибора загорится. Медленно подносите к сердечнику дросселя перемычку, а затем положите ее на сердечник. Яркость свечения лампы при этом начнет плавно уменьшаться. Когда же сердечник окажется замкнутым перемычкой, яркость лампы будет минимальной. Возможно, лампа даже погаснет. Это говорит о том, что при приближении к сердечнику перемычки индуктивное сопротивление дросселя увеличивалось и достигло максимального значения, когда перемычка легла на сердечник.

Вставляя между сердечником и перемычкой прокладки из бумаги или картона, можно подобрать такое индуктивное сопротивление, при котором обеспечивается нужная яркость лампы. Нетрудно догадаться, что такой дроссель — своеобразный регулятор яркости, например настольной лампы.
Дело за второй половиной прибора. На таком же сердечнике из Ш-образного железа, что и для предыдущей конструкции, разместите обмотку (рис. 66) из 2500 витков провода марки ПЭЛ или ПЭВ 0 0,25—0,3 мм. На выводы обмотки наденьте изоляционные трубочки, например из кембрика, и подключите выводы к патрону, прикрепленному к сердечнику с помощью металлических уголков. В патрон вверните лампу мощностью 15 Вт. Получится дроссель, обмотка которого нагружена на осветительную лампу.
Снова включите -прибор в сеть, но перемычку с сердечника снимите. Лампа на подставке будет гореть. Приближайте сверху к дросселю на подставке дроссель с лампой. Свечение лампы на подставке станет убывать, но зато начнет светиться лампа на приближаемом дросселе. И когда оба дросселя окажутся соединенными сердечниками, лампа на дросселе будет гореть, а на подставке — нет.
Этот эксперимент не только наглядно подтверждает предыдущие выводы, но и демонстрирует работу трансформатора — устройства для преобразования переменного тока. Такие устройства вы встретите в каждом радиоприемнике (даже транзисторном), телевизоре, магнитофоне. Проходящий по обмотке дросселя на подставке переменный ток создает переменное магнитное поле, силовые линии которого пересекают витки катушки приближаемого дросселя. И здесь вступает в действие явление электромагнитной индукции — в обмотке приближаемого дросселя появляется электрический ток. Он протекает через нагрузку — осветительную лампу, и т горит. При этом ток, протекающий через обмотку дрос
селя на подставке, возрастает, а значит, возрастает и падение напряжения на ней. В итоге этого напряжение на соединенной последовательно с дросселем лампе падает, и она гаснет.
Реальный трансформатор состоит из общего сердечника, на котором размещены нужные обмотки. Одна из них — сетевая, ее включают в розетку с напряжением 220 В и обычно считают первичной. Остальные обмотки— вторичные. В зависимости от нужного напряжения обмотки содержат соответствующее количество витков. Если напряжение на какой-то вторичной обмотке меньше сетевого, ее называют понижающей, а если выше — повышающей. С различными трансформаторами вы еще встретитесь в нашей книге.
МИКРОПРОЕКТОР
Изучая строение различных растений, интересно наблюдать срезы их под микроскопом — изображение увеличивается в несколько десятков раз. А что, если взглянуть на изображение захотят сразу несколько человек? В этом случае удобно использовать приспособление — приставку к микроскопу. Такое приспособление — микропроектор — показано на рис. 7а. Изготовить его нетрудно, а из материалов понадобятся картон, небольшое круглое или квадратное зеркальце, такой же формы матовое стекло.
Вначале следует определить приблизительно размеры кожуха приставки. Для этого прикрепите к окуляру микроскопа зеркальце под углом 45°, положите на предметный стол срез какого-нибудь растения и направьте на зеркало микроскопа луч от яркого источника света (например, от настольной лампы). Затемните помещение. Расположив на некотором расстоянии от наклонного зеркальца матовое стекло, сфокусируйте на нем изображение подстройкой объектива микроскопа.
Удаляя матовое стекло на различные расстояния от микроскопа и каждый раз фокусируя изображение, определите максимальное расстояние, при котором на стекле экрана будет достаточно яркое и четкое изображение. Измерив это расстояние, можете приступать к изготовлению кожуха приставки.
Его стенки (1) (рис. 76) должны быть изготовлены из картона и скреплены между собой клеем другим способом. Причем в нижней стенке следует сделать отверстие, в котором будет помещаться верхняя часть микроскопа. Кроме того, к нижней стенке прикрепите заклепками стойку (7) и распорку (8), вырезанные также из плотного картона (подойдет и тонкая жесть). Высота стойки должна быть такой, чтобы в рабочем положении оси кожуха и объектива микроскопа были перпендикулярны. Спереди к кожуху прикрепляют (декоративными уголками (5) панель (6) с приклеенным к ней матовым стеклом. А сзади к кожуху прикрепляют липкой лентой (3) крышку (2) — ее можно открывать и, например, направлять наклонное зеркальце (4). Вместо зеркальца можно использовать подходящую призму — ее размещают, как показано на рис. 7в. Приставку с микроскопом желательно расположить на общей подставке (9).
Рис. 7

ЗАНИМАТЕЛЬНЫЕ ОПЫТЫ
Монета в бутылке. Хотите увидеть закон инерции в действии? Приготовьте пол-литровую бутылку из-под молока, кольцо из картона шириной 25 мм и 0 100 мм и двухкопеечную монету. Поставьте кольцо на горлышко бутылки, а сверху точно напротив отверстия горлышка бутылки положите монету (рис. 8). Просунув в кольцо линейку, ударьте ею по кольцу. Если вы это сделаете резко, кольцо отлетит, а монета упадет в бутылку. Кольцо переместилось настолько быстро, что его движение не успело передаться монете и та по закону инерции осталась па месте. А потеряв опору, монета упала вниз.
Если кольцо отвести в сторону медленнее, монета «почувствует» это движение. Траектория ее падения изменится, и в горлышко бутылки она не попадет.
Парящий шарик. Для этого опыта понадобится Г-образная трубка, например стеклянная, и легкий шарик из пенопласта. Закройте верхнее отверстие трубки шариком (рис. 9) и подуйте в боковое отверстие. Вопреки ожиданию шарик не отлетит от трубки, а начнет парить над ней. Почему так происходит?
Когда вы дуете, струя воздуха поднимает шарик над трубкой. Но давление воздуха внутри струи меньше, чем давление окружающего струю «спокойного» воздуха. Поэтому шарик находится в своеобразной воздушной воронке, стенки которой образует окружающий воздух. Плавно снижая скорость струи из верхнего отверстия, нетрудно «посадить» шарик на прежнее место.
Воздух горячий и воздух холодный. На горлышко обыкновенной пол-литровой бутылки натяните воздушный шарик (рис. 10). Поставьте бутылку в кастрюлю с горячей водой. Воздух, находящийся внутри бутылки, начнет нагреваться. Молекулы газов, входящих в его состав, станут двигаться все быстрее и быстрее по мере повышения температуры. Они сильнее будут бомбардировать стенки бутылки и шарика. Давление воздуха внутри бутылки начнет повышаться, а шарик — раздуваться.
Через некоторое время переставьте бутылку в кастрюлю с колодной водой. Воздух в бутылке начнет остывать, движение молекул замедлится, давление понизится. Шарик сморщится, будто из него выкачали воздух.
Вот так можно убедиться в зависимости давления воздуха от окружающей температуры.
Магнит у экрана телевизора. Поднесите постоянный подковообразный магнит к экрану работающего телевизора, когда передастся испытательная таблица (рис. 11). Вы увидите, что изображение в этом месте исказится — прямые линии немного изогнутся вверх и вниз. По этому признаку нетрудно определить, какой полюс магнита поднесен к экрану. Давайте разберемся.
Вспомните правило левой руки для проводника с током в магнитном поле. Чтобы определить, в какую сторону будет перемещаться проводник с током, пронизываемый силовыми линиями магнитного поля, нужно левую руку расположить так, чтобы силовые линии входили в ладонь, четыре пальца показывали направление тока в проводнике. Тогда отогнутый большой палец укажет, куда отклонится проводник.
В телевизоре изображение на экране образуется электронами, летящими изнутри телевизионной трубки. Причем поток электронов густой, можно считать его за своеобразный проводник. А вы знаете, что направление тока противоположно направлению движения электронов. Поэтому будем считать его «уходящим» от экрана внутрь телевизора. Значит, четыре вытянутых пальца направим на экран. Поскольку линия изображения отклонилась, скажем, вверх, значит, туда же переместился и наш «проводник». Поэтому большой палец отгибаем вверх. Ладонь оказалась обращенной направо — отсюда в нее входят силовые липин. А поскольку они направлены от северного полюса магнита к южному, нетрудно догадаться, что у экрана находится северный полюс.

Рис. 8

Рис. 9

Рис. 10

Рис. 11
Поменяв полюса магнита местами, вы увидите, что линия изображения слегка выгнулась вниз.
А если приблизить к экрану магнит обеими полюсами? Тогда около одного из них линии изображения выгнутся вверх, а около другого — вниз. Значит, первый полюс — северный, второй — южный.
Вот так правило левой руки помогает по изменению изображения на экране определить полюса любого постоянного магнита.
Углекислый газ — в лимонаде. Встряхните бутылку с лимонадом н откройте ее. Сразу же на поверхность воды устремится множество газовых пузырьков. Быстро закройте бутылку пробкой (рис. 12) со стеклянной трубкой в центре. Она соединена резиновым шлангом с другой трубкой, вставленной в пробирку. А в ней — известковая вода (гидроксин кальция). Газ из бутылки будет под давлением выходить в воду, и вы увидите пузырьки, отделяющиеся от трубки. Вскоре вода помутнеет. Значит, из бутылки с лимонадом выходил углекислый газ.
Необычные чернила. Можно ли обыкновенной чайной ложкой превратить воду в синие чернила? Можно, если воспользоваться услугами химии. Проделайте такой опыт. Разбавьте щепотку крахмала, чтобы получилась кашица. Смажьте ею внутреннюю поверхность ложки. Высохнув, крахмал станет незаметен. Теперь опустите ложку в стакан с водой, в которую добавлено несколько капель йода. Вода начнет синеть и вскоре станет чернильного цвета. Это результат реакции крахмала с йодом. Кстати, слабый раствор йода химики используют для того, чтобы обнаружить крахмал в продуктах питания.

Рис. 12

2 ГЛАВА

НЕОБЫЧНАЯ СПОРТПЛОЩАДКА
Во вторник займемся постройкой спортивных тренажеров и устройств для занятий спортом. Они позволят тренировать мышцы тела, кататься на лыжах и велосипеде круглый год, проводить необычные спортивные состязания. Эти самоделки пригодятся и в школе, особенно в группах продленного дня, и во дворе вашего дома.
ПРУЖИННЫЙ ЭСПАНДЕР
Чтобы мышцы рук, груди и плечевого пояса стали крепче, занимайтесь с эспандером, конструкция которого показана на рисунке 13. Сделать его несложно. Ручками служат отрезки палки подходящего диаметра. С помощью шурупов или гвоздей к ним крепят концы стальной пружины, жесткость которой во многом зависит от ваших физических данных и подбирается самостоятельно. Сверху пружину закрывают чехлом из плотной материи. Поскольку пружина будет во время занятий изгибаться, чехол должен быть с небольшим запасом по длине.

На рисунке показаны некоторые упражнения с этим эспандером. Их выполняют стоя, расставив ноги на ширину плеч. Выполняя то или иное задание, делают выдох, возвращаясь в исходное положение — вдох. В первом упражнении нужно, держа эспандер в согнутых руках перед грудью, сближать ручки эспандера и отводить их в исходное положение. Во втором упражнении левой рукой прижимают ручку эспандера к правому плечу, а правой сгибают эспандер и сближают его ручки. Затем меняют положение рук и повторяют упражнение. Этих двух примеров, надеюсь, достаточно, чтобы понять принцип выполнения остальных упражнений.
ЭСПАНДЕР ИЗ ГАНТЕЛЕЙ
А вот другая конструкция эспандера (рис. 14), позволяющая увеличить нагрузку во время упражнений. Для нее понадобятся прежде всего гантели. Но они используются не по своему прямому назначению, а как приспособление с осью и шаровидными колесами. Чтобы гантели можно было перекатывать по полу, на их ручки надевают трубки, изготовленные из стальных полосок толщиной 0,5—0,7 мм. Концы полосок спаивают. К трубкам припаивают крючки из толстой медной проволоки. На крючки надевают петли резиновых растяжек.
Положив эспандер на пол, наклоняются над ним, упираясь кончиками пальцев ног в пол, и, взявшись руками за трубки, разводят гантели в стороны, делая одновременно наклоны корпусом вниз. При этом приходится не только удерживать свой вес, но и преодолевать силу натяжения растяжек. Если упражнение выполнять трудно, смените резиновые растяжки на другие, менее жесткие.
Рис. 14

Не забудьте при выполнении упражнений подложить под гантели коврик, чтобы не повредить пола. Если ручки эспандера покажутся скользкими, обмотайте их изоляционной лентой.
ШТАНГА - ЗА ПЯТЬ МИНУТ
Возможно, вы удивитесь, прочитав заголовок. И тем не менее всего пять минут понадобится, чтобы соорудить своеобразную штангу (рис. 15) из двух готовых пружинных эспандеров — они продаются в спортивных магазинах. К ручкам каждого эспандера привяжите удлинительные тяги из прочной веревки, например бельевой. Концы тяг накиньте на перекладины — палки 0 30—35 мм и длиной около 800 мм. Расстояние между ручками эспандеров и перекладинами зависит от вашего роста — подберите его экспериментально.
В исходном положении встаете на нижнюю перекладину и беретесь руками за верхнюю— она должна быть примерно на уровне плеч. Теперь можете «выжимать» штангу, поднимая руками перекладину.
Несмотря на простоту, такая штанга позволяет развивать силу рук и ног, отрабатывать элементы толчка, жима и даже рывка. В каждом случае вес штанги нетрудно установить подбором числа пружин на эспандерах.

Если вы решите всерьез заниматься тяжелой атлетикой и наша штанга станет основным спортивным снарядом, сделайте ее стационарной. Вместо веревочных тяг изготовьте металлические из проволоки 0 6—7 мм. А чтобы можно было изменять «вес» штанги, не подбирая число пружин, изготовьте несколько комплектов тяг разной длины. И еще подумайте, каким способом лучше всего при замене крепить тяги к перекладинам.
Неплохо на нижнюю перекладину класть массивный помост—доску шириной 500—600 мм. Заниматься будет удобнее.
ТРЕНАЖЕР ГРЕБЦА
Прикрепив к готовому пружинному эспандеру упор для ног и ручки-весла (рис. 16), получите тренажер для занятий греблей. Познакомимся подробнее с его устройством.
Весла тренажера состоят из отрезка металлической трубы (5) и двух деревянных (в крайнем случае резиновых) рукояток (4), насаженных на нее с обоих концов. Между рукоятками прикреплен к трубе конец эспандера (3). Это можно сделать двумя способами. В первом, показанном на рисунке, ручку эспандера удаляют и эспандер крепят к трубе оставшимися концами проволочного держателя пружин. В другом варианте ручку эспандера оставляют и привинчивают ее толстой проволокой к трубе.

Вторая часть тренажера — упор для ног. Прежде всего вырежьте для него две колодки (1) из дерева. В колодках просверлите отверстия и пропустите в них ось (7) — отрезок металлического стержня 0 8 мм. Между колодками наденьте на стержень распорную трубку (6) — к ней прикрепите оставшийся конец эспандера. На концы оси (они с резьбой) навинтите гайки (8) и контргайки (9). Остается укрепить на колодках ремешки (2) с застежками — и можете приступать к тренировкам.
Как и в предыдущем тренажере, нагрузку при работе веслами (их тянут на себя, отклоняясь назад) изменяют подбором числа пружин эспандера.
ГИМНАСТИЧЕСКИЕ ПОРУЧНИ
Взглянув на рисунок 17, вы сразу догадаетесь, что на таком снаряде можно выполнять несложные гимнастические упражнения. Понадобятся два поручня. Каждый состоит из основания (5), стоек (3), рукоятки (1), перемычки (6) и крепежного винта (4).
Основание изготавливают из двух отрезков водопроводной трубы 0 20 мм и длиной 640—650 мм. Каждый отрезок сгибают посередине под углом 90—120° и прикрепляют к нему винтами (а лучше сваркой) стойку длиной 250 мм из отрезка такой же трубы. Середину и концы основания обматывают изоляционной лентой или надевают на них отрезки резиновой трубки (7). В стойкивставляют рукоятку, изготовленную из отрезка трубы 0 12 мм и длиной 800 мм. На равном расстоянии от концов в рукоятке сверлят по нескольку отверстий (2). Установив рукоятку на нужной высоте, вставляют в отверстие стоек и рукоятки перемычку (6) и закрепляют ее винтом. Часть рукоятки, за которую придется держаться руками, желательно обмотать изоляционной лентой.

У вас может возникнуть вопрос, как согнуть отрезки трубы основания. В домашних условиях это вряд ли удастся. Поэтому постарайтесь обратиться за помощью в ближайшую слесарную мастерскую или к слесарям-водопроводчикам домоуправления. Если же помощи не найдете, прикрепите к концам стоек водопроводные угловые переходники, а в них вверните отрезки трубы нужной длины.
РОЛИКОВЫЙ САМОКАТ
Если лет десять назад ребята строили самокаты на двух-трех подшипниках и с рулем поворота, в последние годы стали популярны другие конструкции — с одной платформой для ног и роликами под ней. И никакого руля поворота. Управляют же направлением движения изменением давления на правый или левый край платформы.
Построить такой самокат мечтают многие из вас. Но осуществить мечту сложно — нужны специальные колеса, которые отливают из сырой резины. Да и механизм поворота требует выточенных на токарном станке деталей. Проще изготовить более доступную конструкцию, показанную на рисунке 18. Колесами в ней служат шарикоподшипники.
Работу начните с платформы (1). Выпилите ее из прочной ровной доски толщиной 20—25 мм с продольным расположением волокон. Подойдет древесина дуба, вяза, березы. Если такую древесину не удастся подобрать, используйте обычную, самую ходовую — сосны или ели. Носовая часть платформы несколько шире хвостовой. Нижние края платформы сточите, чтобы получился скос.
Снизу к носовой части платформы прикрепите поворотный ролик. Для него понадобятся три шарикоподшипника. Причем лучше взять подшипники с защитными шайбами, чтобы они меньше засорялись. Один из подшипников (9) прикрепите хомутиком (11) к платформе. Между внешней обоймой подшипника и платформой проложите шайбу (ее наружный диаметр должен быть равен диаметру обоймы), чтобы внутренняя обойма вращалась свободно, не задевая за платформу. Концы хомутика стяните винтом (10) и гайкой (12).
В отверстие подшипника плотно вставляют стойку (8), вырезанную из палки. Нижняя часть стойки сделана с уступом, который упирается во внутреннюю обойму подшипника. Низ стойки не должен касаться платформы.
Вверху в стойке выпилен паз, в который вкладывают ось (6) —она тоже деревянная. Ось прикрепляют к стойке шурупом (7). На концы оси плотно насаживают подшипники (5).
Задний ролик неповоротный, поэтому конструкция его проще. Понадобятся всего два подшипника (2). Их насаживают на ось (3), которую вставляют в отверстия кронштейна (4)—его можно изготовить из толстого (2—3 мм) листового металла (алюминий, дюраль, сталь). Чтобы ось не перемещалась в продольном направлении, в нее вставляют сбоку от стоек кронштейна фиксирующие винты с гайками (или шпильки).
Кронштейн прикрепляют к платформе так, чтобы ось была перпендикулярна платформе, а подшипники (2) на одном уровне с подшипниками (5). Более точно этого добиваются с помощью фанерной прокладки нужной толщины, устанавливаемой между кронштейном и платформой. И еще одно условие нужно выполнить — когда передняя и задняя оси перпендикулярны платформе, левые и правые подшипники роликов должны быть на одинаковом расстоянии от осевой линии платформы. Иначе во время езды самокат будет уводить в сторону.


Рис. 18
Несколько слов о месте и технике катания на самокате. Для обучения подойдет любая асфальтированная площадка, на которой нет прохожих. Сначала попробуйте пробежать несколько метров, поставив одну ногу на самокат (ближе к носовой части платформы), а другой отталкиваясь. Затем посильней оттолкнитесь, встаньте на платформу обеими ногами и попытайтесь прокатиться прямо хотя бы несколько метров.
Освоив эти упражнения, попробуйте на ходу повернуть влево или вправо. Не огорчайтесь, если сразу это не получится. Научитесь ногой отклонять носовую часть платформы в сторону, чтобы повернулся передний ролик.
Когда приобретете некоторые навыки управления самокатом, переходите на асфальтированную дорожку с уклоном. Спускаясь по ней, попытайтесь выполнить несколько виражей. Вскоре вы сможете свободно владеть самокатом и устраивать соревнования с другими ребятами, построившими такие же конструкции.
ЛЫЖНЫЙ САМОКАТ
Вероятно, вы захотите кататься на роликовом самокате и зимой, например по льду. Или спускаться на нем с накатанных горок. Такое возможно, если к нашему самокату изготовить две небольшие лыжи (рис. 19).
Основание (1) лыжи вырезают из алюминия или дюралюминия толщиной 5—6 мм. Носовую часть заостряют и выгибают. Снизу на основании устанавливают направляющие (5). Каждую из них выпиливают из такого же материала, что и основание, в виде бруса сечением 5x5 мм. Брус прикрепляют к основанию винтами через сквозные отверстия в основании. Затем направляющую стачивают напильником, чтобы она получилась заостренной. Так поступают со всеми направляющими.
Сверху к основанию прикрепляют металлическими уголками деревянные подставки (2) с выемками под подшипники самоката и ремнями (3) для их крепления. И еще на основании устанавливают фиксирующие уголки (4) — они удерживают подшипники самоката от смещения в поперечном направлении.

Техника езды на этом самокате такая же, что и на роликовом.
Приспособление, показанное на рисунке 20, позволяет использовать под самокат непосредственно лыжи, хранящиеся обычно летом в подсобном помещении. Такой самокат особенно удобен в тех районах страны, где снега почти не бывает. .
К каждой лыже спереди и сзади прикрепляют по небольшой пластине с двумя колесиками-шарикоподшипниками. На пластине два отогнутых вверх зубца — они входят в выемку скользящей поверхности лыжи и предохраняют пластину от продольного смещения. К пластине прикреплена ось, на которую насажены подшипники. Можно использовать и другие колеса, резиновые или деревянные, 0 50—70 мм.
Чтобы прикрепить пластину к лыже, понадобятся две струбцины, согнутые из отрезка металлической полосы толщиной не менее 5—6 мм и шириной 40—60 мм. В полосе сверлят отверстие, нарезают в нем резьбу М8 с мелким шагом и ввинчивают в отверстие болт с ушками (как гайка-барашек).
Благодаря струбцинам пластины с подшипниками можно перемещать вдоль лыж, подбирая величину зазора между лыжами и дорогой. Если вы легкого веса, расстояние между пластинами побольше, потяжелее — поменьше.
Во время ходьбы на лыжах с таким приспособлением лыжи будут прогибаться в середине под вашей тяжестью. Чтобы не повредить лыжи и улучшить сцепление с дорогой, нужно наклеить на лыжи снизу резиновую полосу длиной 300—500 мм. Толщина резины—1,5—3 мм. Теперь у лыж не будет отдачи назад и вы сможете отталкиваться от дороги, как и при ходьбе на настоящих лыжах.
ХОККЕЙНЫЕ ДОСПЕХИ
Многие из вас любят хоккей и играют в составе дворовой или школьной команды. Хоккей — игра сильных, смелых, ловких. Приходится проводить силовые приемы, падать, принимать на себя сильно брошенную шайбу, попадать под случайные удары клюшкой. Чтобы уберечься от травм, нужно выходить на лед в доспехах, защищающих наиболее уязвимые места: грудь, спину, руки и ноги. Доспехи нетрудно изготовить самим. Понадобятся доступные материалы, иголка и нитка. Некоторые части доспехов можно сшить на машинке. Сделать это помогут мама, бабушка, старшая сестра.
Изготовление доспехов начнем с наплечников. Они защищают грудь, спину и плечи хоккеиста. Размеры наплечников зависят от вашего роста, а также от того, в качестве какого игрока вы выступаете. Обычно защитники стараются выбрать себе наплечники подлиннее (ведь им часто приходится принимать шайбу на грудь), а нападающим больше нравятся небольшие, облегченные панцири — так иногда хоккеисты называют наплечники.
Наши наплечники больше подходят для защитников, но если уменьшить их длину, они удовлетворят и нападающих. Кроме того, выкройки наплечников, показанные на рисунке 21, а также выкройки и других доспехов рассчитаны на ребят ростом 175—178 см. Для минимального роста в 125—128 см некоторые размеры деталей придется уменьшить — об этом будет сказано позже. Эти сведения помогут вам определить размеры деталей для игроков промежуточного роста.


Последовательность изготовления наплечников такая. Из тонкой недорогой ткани (ситец, сатин, бязь или полотно) выкроите по два верха и по две подкладки для половинок и плечевых щитков (детали 1,2 и 7,8). Предварительно, конечно, нужно вырезать выкройку из бумаги и подогнать ее под свой рост. Пользуясь этими же выкройками, вырежьте из поролона прокладки (они видны на рисунках разрезов А-А и Б-Б).
Разложите на столе подкладку (2), па нее положите прокладку (3), а на прокладку — верх (1). Скрепите эти детали несколькими стежками, а затем обшейте косой бейкой или тесьмой (13). Аналогично изготовьте вторую половину. Таков же порядок изготовления и плечевых щитков (детали 7, 8, 17).
На половинки нашейте накладки (4), в ячейки которых вставьте полиэтиленовые или фибровые пластинки (14), планки (12) из кожи толщиной 1,5—2 мм и ключичные краги (5) из поролона, обшитого материей. На плечевые щитки нашейте краги (9). Каждую половинку и плечевой щиток соедините кожаной планкой (6).
Спереди скрепите половинки шнуровкой, а сзади — резинками (10) шириной 30—35 мм. Примерьте наплечники. Если все в порядке, пришейте к половникам полоски (11) из галантерейной резинки шириной 20—25 мм и полоски (16)— они из такого же материала, что и деталь (1). Между плечевыми щитками и половинками пришейте полоски (10) из резинки шириной 20—25 мм.
Изготавливая наплечники для спортсмена ростом 125—128 см, нужно укоротить переднюю часть половинок на 70—80 мм, заднюю — на 15—20 мм, плечевую сторону (по контуру)—на 20 мм. Кроме того, нужно обрезать по контуру и плечевые щитки (детали 7, 8, 17) примерно на 12—15 мм, соответственно уменьшив н размеры краг (9).
Теперь перейдем к изготовлению налокотников (рис. 22). Они защищают, локти от ушибов при падении и столкновениях с бортом (если хоккейная площадка огорожена). Чтобы налокотник не мешал руке сгибаться, его сшивают из двух основных частей — основания (детали 1—8, 14) и локтевой сферы (детали 9—13). Поскольку сфера пришивается в центре, она не мешает основанию сгибаться.
Для прокладки (2) основания подойдет кусок войлока толщиной 8—9 мм. Его обшивают любой прочной тканью. Верх (1) основания — из плащевой ткани, ситца, сатина, бязи, полотна. Подкладка (3) — из ситца, сатина, бязи. Эти детали обшивают окантовочной полосой (7) (косая бейка или тесьма). Затем нашивают на основание усилители: верхний (4), средний (5) (их два) и нижний (6). Их можно выкроить из кожи толщиной 0,7—0,9 мм, кожзаменителя или дерматина. После это-то нашивают нижнюю (8), верхнюю (14) и боковую (16) накладки из полиэтилена или мягкого металла (алюминий, латунь).



Рис. 23
Для сферы понадобятся прокладка (10), подкладка (11), верх (9) из такого же материала, что и детали (2, 3, 1) соответственно. Амортизатор (13)—из губчатой резины, а чашка (12)—из такого же материала, что и накладки (8, 14, 16). Полоски (15)—из галантерейной резинки шириной 25—30 мм. Их пришивают только после примерки налокотника.
При изготовлении налокотника для спортсмена малого роста основание укорачивают сверху и снизу на 35— 40 мм, с боков (по контуру) —на 15—20 мм. Соответствующих размеров должны быть й накладки.
Щитки защищают колени и голени ног хоккеиста. Основой щитка (рис. 23) можно считать надколенную сферу. Для нее понадобятся прокладка (2) из войлока или губчатой резины толщиной 5—7 мм, подкладка (3) из сатина или бязи, верх (1) из плащевой ткани, сатина, полотна. Как и при изготовлении налокотников, эти детали окантовывают полосой (13), ио из кожи или кожзаменителя. .
Далее вырежьте из толстого (10—15 мм) поролона амортизатор (5) и сделайте для него чехол (4). Временно скрепите готовую сферу и амортизатор (разрез А-А). Сколите булавками боковины, состоящие из прокладки (7), подкладки (8) и верха (6) (материал такой же, что и для деталей (2, 3, 1 соответственно), с перегородкой (9) —она из плащевой ткани. Примерьте получившуюся сборку на амортизаторе и сфере. Перегородка не должна касаться амортизатора — между ними остается свободное пространство. Убедившись, что боковина и перегородка сметаны правильно, пришейте их к надколенной сфере. .
В качестве краги (12) удобно использовать футбольные щитки или вырезать ее из мягкого металла и обшить матерней. Низ краги обшивают обтачкой (10), под которую помещают прокладку (11) из поролона.
Радиусные щитки (17) (верхний) и (14) (нижний) можно согнуть из кусочков полиэтилена или вырезать из негодных детских игрушек. Для наколенной чашки (15) понадобится полиэтилен или мягкий металл. Под чашку подкладывают амортизатор (16) из губчатой резины.
К готовому щитку пришивают завязки. А чтобы щиток плотнее сидел на ноге, наденьте на сферу и крагу по кольцу шириной 200—250 мм, отрезанному от верхней части старого капронового чулка.
При изготовлении щитка малого размера придется уменьшить: сферу — по ширине на 30 мм, по высоте на 20 мм; перегородку и по ширине и по высоте на 20 мм; боковины — по контуру на 12—15 мм; амортизатор — по овалу на 30 мм, по прямой ширине на 15 мм, по высоте на 35—37 мм; крагу — по ширине на 20 мм, по высоте (сверху и снизу) — по 10 мм.
И в заключение можно добавить, что все описанные доспехи проверены во многих хоккейных баталиях.
НА ВЕЛОСИПЕДЕ — ЗИМОЙ
С наступлением холодов многие из вас разбирают велосипед и убирают его. Но оказывается, что кататься на нем можно... даже зимой. Конечно, не по снегу или льду, а в специальном приспособлении (рис. 24), имитирующем дорожные условия. Обычно такое приспособление называют велостанком, на нем тренируются спортсмены-велосипедисты. Велостанок можно собрать и установить дома или в спортивном зале школы.
Основание велостанка состоит из площадки (2) квадратной формы, выпиленной из фанеры толщиной 15— 20 мм, и удлинителя 5, изготовленного из толстой доски. Эти детали можно скрепить между собой, например, металлическими уголками или склеить столярным клеем. На конце удлинителя при помощи треугольных отрезков фанеры (6), выполняющих роль кронштейна, укрепляют стойку (7), сделанную, как и удлинитель, из толстой доски. В верхней части стойки пропускают через отверстие винт толщиной 8—10 мм, на который в дальнейшем будет устанавливаться передняя вилка велосипеда.

На площадке укрепляют металлические стойки (3) с ребрами жесткости. Здесь удобно использовать готовые уголки из алюминия. Концы стоек должны быть плоские и отогнуты под определенным углом. Так, концы с двумя отверстиями отгибают на угол 20°, а с одним отверстием — на угол 60°. Возможно, эта работа вызовет у вас затруднения. Поэтому нужно воспользоваться шаблоном 8, выпиленным из толстой пластины дюраля или вырезанным из деревянного бруска.
К концам с двумя отверстиями прикрепляют скобы (4), выпиленные из алюминия, дюраля или стали толщиной 3 мм.
Далее подготавливают велосипед: снимают переднее колесо, ослабляют крепление заднего колеса и снимают щиток над ним. С обеих сторон колеса прикрепляют к его оси скобу (4) со стойками (3). Причем по бокам скобы на ось надевают по шайбе и только после этого затягивают гайки оси. Поставив заднее колесо со стойками на площадку, прикрепляют переднюю вилку к стойке удлинителя. После этого можно закрепить концы стоек на площадке толстыми шурупами или болтами. Но при этом нужно проследить, чтобы шина колеса отстояла от площадки на 15—20 мм.
Если теперь сесть за руль велосипеда и начать крутить педали, заднее колесо станет легко вращаться. Тренироваться в такой езде, конечно, неинтересно. Нужно приблизить тренировку к реальным дорожным условиям. Для этого служат ролики (1), устанавливаемые под шину колеса так, чтобы создавалось торможение. Ролики укреплены на кронштейнах (14) с продольными прорезями. Осью каждого ролика служит винт с гайкой. Вращение ролика станет бесшумным, если внутрь его вставить подшипник (сам ролик может быть из твердой резины). Кронштейн ролика крепят винтом к металлической накладке (15), которую, в свою очередь, жестко закрепляют на площадке. Прорези в кронштейне позволяют перемещать его вдоль площадки так, чтобы он с нужной силой прижимался к колесу.
Но и это не все. Вы знаете, что подъем в гору или езда по плохой дороге требует больших усилий от спортсмена. И это увеличение нагрузки тоже следует имитировать во время тренировки. Для этого служит специальное тормозное устройство, опирающееся сверху на заднее колесо. Изменяя силу давления на колесо, увеличивают или уменьшают тормозящее действие.
Тормозное устройство состоит из двух перекладин (9), держателя (10), штанги (11), груза (12) и ролика (13). Металлические перекладины устанавливают на вилке заднего колеса, пропускают через их отверстие винт, который прикрепляет к перекладинам держатель. Затем в держатель вставляют конец штанги и закрепляют ее винтом — он служит осью, вокруг которой штанга может немного поворачиваться, поднимаясь вверх или опускаясь вниз. Снизу к штанге крепят с помощью скобы ролик с канавкой по ободу. На конце штанги устанавливают груз, например гири. Во время тренировки ролик будет прижиматься грузом к колесу. Снимая или добавляя гири, регулируют давление на колесо, а значит, и силу торможения. '
Тренажер желательно установить на коврик из поролона, чтобы не портить пол. Можно также прибить снизу к площадке и удлинителю опорные ножки из резины и обойтись без коврика.
СПОРТИВНЫЕ ЗАБАВЫ
Один оборот. На первый взгляд задание простое — нужно встать на снаряд, показанный на рисунке 25, и повернуться на нем на 360е, то есть сделать один оборот. Но выполнить его непросто — ведь нужно еще сохранить равновесие. Стали поворачиваться и не удержались —задание придется выполнить снова. Интересно, кто из вас потратит меньше времени на выполнение задания.
Площадку для ног выпилите из фанеры или доски толщиной не менее 10 мм К площадке прикрепите деревянную стойку 0 30— 35, мм и длиной 50— 60 мм. Нижний конец стойки должен быть плоский. Сверху на площадку наклейте тонкую резину, чтобы ноги не скользили.

Рис. 25

Выполняя задание, можете поворачивать площадку либо небольшими движениями ног, либо «перекатыванием» стойки — в этом случае нужно нажимать на один край снаряда, давая другому подняться вверх.
Сохраните равновесие. Такое задание нужно выполнить на другом необычном снаряде— его вы видите на рисунке 26. На концах пружины, выдерживающей тяжесть вашего тела, укрепите два деревянных диска. На верхний диск наклейте тонкую резину. Встав на снаряд, закройте глаза и некоторое время сохраняйте равновесие, опустив руки по швам. Затем вытяните руки вперед, разведите в стороны, отведите назад, поднимите вверх. Во всех случаях вы должны устоять на снаряде.
Попробуйте пройтись. Представьте, что к подошвам ваших ботинок прикрепили пружины. Сможете ли вы пройти на них, скажем, метров десять? Чтобы проверить это, совсем не обязательно портить обувь. Изготовьте "пружинные» ботинки из подручных материалов.
Сначала выпилите из фанеры или доски подметку (рис. 27). Снизу к ней прикрепите две пружины такой жесткости, чтобы они сжимались под тяжестью вашего тела примерно на две трети. К оставшимся концам пружин прикрепите опоры, например хоккейные шайбы.
Задники ботинок могут быть матерчатые или из кожзаменителя. К ним нужно прикрепить ремешки с пряжкой. Спереди к подметке прикрепите по две полоски кожзаменителя с отверстиями под шнурок. Такие полоски удобно вырезать из негодных ботинок. Да и задники от них подойдут для нашего снаряда.
Закрепив ботинки на ногах, попробуйте пройти заданное расстояние. Заметьте время, потраченное на это. Предложите испытать ботинки родным или друзьям. Кто быстрее справится с заданием?
«Лыжные повороты» — так называется следующая забава. Катаясь на лыжах, вам, наверное, приходилось резко поворачивать, слегка подпрыгивая на лыжах, подобные движения лыжника можно увидеть на соревнованиях по слалому. Состязаться в подобных поворотах поможет приспособление, показанное на рисунке 28. Это лист фанеры с нарисованными на нем силуэтами лыж и прикрепленными ремнями. Закрепив ими ноги, постарайтесь подпрыгнуть возможно выше и повернуться в воздухе на возможно больший угол. Опустившись, вновь повторите прыжок. И так, пока не сделаете, скажем, пять оборотов вокруг себя. Подсчитайте, за сколько прыжков это удастся.
Как вы понимаете, совсем не обязательно делать «лыжи» из файеры. Можно использовать для этих целей настоящие (конечно, старые) лыжи. При проведении состязаний в небольшом помещении лыжи можно укоротить.
Лыжные гонки. Проводить нх лучше всего в спортивном зале или на площадке с твердой землей. Понадобятся старые лыжи с мягким креплением. В крайнем случае их можно заменить самодельными лыжами, изготовленными из фанеры толщиной 10—15 мм. В этом варианте загибать концы лыж необязательно, но длина лыж должна быть не меньше 1 —1,5 м. Каждый участник этого соревнования должен пробежать на лыжах метров 15—20. Кто быстрее справится с заданием, тот и победит в этих необычных гонках.
Меткий бросок. Приготовьте три мешочка с песком и табурет с гладкой поверхностью, сиденья. С расстояния пять-шесть шагов бросьте поочередно все мешочки в сторону табурета, стараясь уложить их точно на сиденье. Это состязание можно оценивать как по очкам, так и по времени, затраченному на выполнение задания. В первом случае за каждый уложенный на сиденье мешочек начисляют, например, пять очков, а во втором задание считают выполненным, когда на сиденье окажутся все мешочки.

Рис. 28
Два задания с городками. Как вы догадались, понадобятся городки или толстая круглая палка, из которой их можно нарезать. Соорудив стойку из трех городков, поставьте ее на ладонь вытянутой правой руки и пронесите несколько метров. Если во время движения городки упадут, придется начать все сначала. Чем меньше затратите времени на выполнение задания, тем больше получите очков.
Для следующего задания понадобятся пять городков и две биты. Поставьте городки в ряд вплотную друг к другу и возьмите в руки биты. Захватывая битами, словно щипцами, городки, относите их в сторону на два-три метра, стараясь составить такую же стенку, как и в начале задания. Победителем можно считать того, кто быстрее выполнит задание.

3 ГЛАВА

ЭЛЕКТРОННЫЕ «ВОЛШЕБНИКИ»
Во время третьего трудового дня познакомимся с «волшебницейя-электроникой. Она сегодня всемогуща даже в руках юных радиолюбителей. Из небольшого набора элементарных деталей можно спаять автомат, подающий сигнал, как только наполнится водой ванна или закипит чайник. С помощью электроники можно устанавливать нужную яркость настольной лампы или люстры, подбирать температуру жала паяльника, разговаривать друг с другом на расстоянии.
Подобные самоделки — настоящие помощники, экономящие электричество, газ, воду. Подчас такие устройства просто незаменимы для больного или престарелого человека. Помните об этом, ребята. Старайтесь, чтобы собранные вашими руками электронные поделки приносили пользу людям.
СИГНАЛИЗАТОР ГОРЕНИЯ ГАЗА
Сняв с газовой плиты вскипевший чайник или разогретую в кастрюле пищу, нередко забывают сразу же выключить горелку, и пламя бесцельно сжигаемого топлива подолгу колышется над плитой. Чтобы ограничить потери газа, постройте электронный сигнализатор по приведенной на рисунке 29 схеме. В нем всего пять транзисторов и несколько других доступных и дешевых деталей.
Транзистор 1 — это датчик температуры. Его размещают над газовой горелкой почти под потолком. Когда горелка прикрыта чайником или кастрюлей, датчик нс чувствует тепла. Но стоит оставить горелку открытой — и теплый воздух устремится вверх, к датчику. По мере нагрева датчика-транзистора сопротивление его участка коллектор — эмиттер будет уменьшаться, а значит, возрастать падение напряжения на переменном резисторе R1.
К переменному резистору подключен усилительный каскад из двух транзисторов V2 и V3. Даже малейшее изменение напряжения на переменном резисторе этот каскад «почувствует» и усилит его. В результате па резисторе нагрузки R2 падение напряжения будет в сотни раз превышать входное. Оно, в свою очередь, управляет генератором звуковой частоты, собранным на оставшихся транзисторах V4 и V5. Как только напряжение достигнет определенного значения, генератор включится и из динамической головки В1 раздастся звук. Громкость звука достаточна, чтобы его хорошо было слышно в квартире. Тональность звука зависит от конденсатора С1 — чем больше его емкость, тем ниже тональность.


Рис.31
Датчиком может служить любой транзистор из серий МП39 — МП42, но его нужно обязательно проверить с помощью омметра. Щупы омметра подключают к выводам коллектора и эмиттера транзистора. Меняя местами щупы, находят такое подключение, при котором стрелка омметра отклонится больше — это случится тогда, когда минусовый щуп омметра будет касаться вывода коллектора транзистора, а плюсовой — вывода эмиттера. По шкале омметра измеряют сопротивление, и, если оно не менее 20 кОм, используют транзистор в качестве датчика.
Транзистор V2 может быть П401—П403, П416А, П416Б. Хотя эти транзисторы высокочастотные и обычно используются в радиоприемниках, здесь такой транзистор нужен потому, что он обладает высоким сопротивлением между выводами коллектора и эмиттера. На всякий случай убедитесь в этом с помощью омметра, прежде чем вставить транзистор в устройство.
Транзистор V3 — любой из серий МП39—МП42, но сопротивление между выводами эмиттера и коллектора здесь не играет роли. Транзистор V4 обязательно кремниевый (предыдущие были германиевые), обладающий большим сопротивлением между выводами коллектора и эмиттера. Кроме того, этот транзистор другой структуры — видите, стрелка эмиттера направлена в сторону окружности, а не линии базы. Про такой транзистор говорят, что он структуры п-р-п, остальные же транзисторы структуры р-п-р. Подойдет любой транзистор из серий МП111—МП113, КТ315. Транзистор V5 — МП39Б, МП41 или другой транзистор серий МП39 — МП42, но со статическим коэффициентом передачи тока (иначе говоря, коэффициентом усиления) не менее 30.
Динамическая головка В1—0,25ГД—1 или другая, от малогабаритного транзисторного радиоприемника. Постоянные резисторы — МЛТ-0,25, переменный любого типа, например СП-1, СП-2. Конденсатор МБМ или другого типа, источник питания GB1—батарея 3336Л, выключатель S1 — тумблер.
Детали сигнализатора, кроме датчика и батареи, разместите на плате из изоляционного материала (рис. 30). Выводы деталей подпаивайте к монтажным шпилькам. Напротив диффузора головки вырежьте в плате отверстие.
Плату укрепите в корпусе подходящих габаритов (рис. 31). Батарею разместите на его съемной задней крышке.
Теперь о транзисторе датчика. Его приклеивают к небольшой планке (рис. 32) из изоляционного материала так, чтобы основание транзистора было обращено вниз. Выводы коллектора и эмиттера подпаивают к монтажным шпилькам — сверху к ним присоединен двухпроводный шнур достаточной длины, соединенный с платой сигнализатора.

Рис. 32

Планка с датчиком приклепана к металлическому держателю-кронштейну, который крепят либо к стене кухни, либо к газовой трубе так, чтобы датчик находился на расстоянии 1,2—1,5 м от плиты и примерно над центральной точкой между горелками — тогда теплый воздух от любой из них достигнет датчика.
Конечно, лучший вариант—поместить датчик непосредственно над горелкой (естественно, на заданной высоте), но тогда их понадобится столько, сколько горелок на плите. Все датчики включают параллельно (соединяют между собой эмиттеры и коллекторы транзисторов).
Настало время проверить сигнализатор в работе и наладить его. Вначале установите движок переменного резистора в верхнее по схеме положение, когда сопротивление резистора полностью выведено (иначе говоря, он замкнут), и замкните выводы коллектора и эмиттера транзистора V3. Должен послышаться звук из динамической головки. Разомкнете выводы — звук исчезнет.
Затем подключите к указанным выводам вольтметр — его стрелка должна показать напряжение, практически равное напряжению питания (4,5 В). Перемещая движок переменного резистора вниз по схеме (вращая ручку резистора по часовой стрелке), следите за изменением напряжения. Как только оно достигнет примерно 2В, включится генератор и раздастся звук. Это порог срабатывания сигнализатора. Против точки на ручке резистора поставьте на корпусе устройства риску.
Перемещая движок резистора в обратном направлении, заметьте, когда напряжение достигнет предельного значения и при дальнейшем перемещении движка не увеличивается. Поставьте в этом положении движка вторую риску на корпусе сигнализатора. От первой риски ко второй начертите стрелку — она укажет направление уменьшения порога срабатывания.
Установите переменным резистором напряжение, скажем 3,5 В, и включите газовую горелку или приблизьте датчик к колбе настольной лампы. Вы увидите, как напряжение начнет падать и через некоторое время сигнализатор сработает. Чем большее напряжение будет установлено вначале, тем при большей температуре нагрева датчика будет срабатывать сигнализатор. Учитывая же, что в этом случае понадобится и больше времени, нетрудно догадаться о двойной роли переменного резистора — нм устанавливают чувствительность сигнализатора к температуре и задержку подачи сигнала о горящей бесцельно газовой горелке.
Звук сигнализатора выключается, как только датчик охлаждается до определенной температуры.
Сигнализатор потребляет ток от 2 мА (если метка на ручке резистора против правой риски) до 0,2 мА (когда метка против левой риски), поэтому он экономичен в дежурном режиме. Когда же раздается сигнал, потребляемый ток возрастает до 10 мА. Чтобы продлить срок службы батареи, включайте сигнализатор лишь перед началом пользования плитой и выключайте сразу же, как только закроете газовый кран горелки.
Такой сигнализатор пригоден и для электроплит, но в -этом случае датчик придется опустить ниже — точное его место подбирают экспериментально.
Периодически после включения сигнализатора проверяйте его действие, устанавливая ручку переменного резистора против риски порога срабатывания и добиваясь появления звука.
ЭЛЕКТРОННЫЙ «СВИСТОК» К ЧАЙНИКУ
С механическим свистком вы наверняка знакомы — его надевают на носик чайника. Как только чайник закипает> раздается свист. Но, как показала практика, такой свисток не всегда срабатывает. Дело в том, что, когда чайник наполнен водой выше отверстия носика, пар стремится выходить через крышку. Напор же пара, выходящего через носик, недостаточен для срабатывания свистка.

Рис. 33
Совсем другое дело — наш электронный «свисток». Он срабатывает даже от небольшой струйки пара, выходящего через носик. Потому что в нем использован температурный датчик, помещенный над носиком, и он реагирует не на силу струи, а на ее температуру.
Взглянув на схему автомата (рис. 33), нетрудно заметить, что часть его, собранная на транзисторах V2, V3, уже известна вам — это звуковой сигнализатор из предыдущей конструкции. Он подключен к делителю, составленному из резистора R1 и участка коллектор — эмиттер транзистора-датчика VI.
Пока транзистор VI не нагрет, сопротивление участка велико и падение напряжения на нем равно почти напряжению питания. Но как только чайник закипит и пар попадет на корпус транзистора, сопротивление участка коллектор — эмиттер резко уменьшится. Напряжение на нем упадет настолько, что сигнализатор включится. Из динамической головки раздастся звук.
Рекомендации по выбору деталей те же, что и для предыдущей конструкции. Аналогично могут выглядеть монтажная плата и конструкция автомата.
Датчик закреплен на изоляционной планке (рис. 34), приклепанной к стойке из листового металла. В свою очередь, стойка прикреплена к основанию, которое может быть пластмассовым, деревянным или металлическим. На основании установлен корпус, и от него по стойке протянуты к датчику проводники в изоляции. Высота стойки должна быть такой, чтобы при установке автомата на плите рядом с чайником корпус транзистора-датчика находился над отверстием носика чайника на расстоянии 1—2 см.
Возможно, вы изготовите съемную насадку на носик и на ней разместите датчик, а сигнализатор поставите на стол рядом с плитой. Тогда соединять сигнализатор с датчиком нужно проводниками в термостойкой изоляции.
В любом варианте, прежде чем укреплять датчик, нужно проверить автомат и подобрать (если понадобится) сопротивление резистора R1. Включив питание автомата, подключите к выводам эмиттера и коллектора транзистора VI вольтметр и опустите транзистор шляпкой в воду (па глубину 2—4 мм), нагретую до температуры 60—65°С. Контролируемое напряжение должно уменьшаться. Если оно через 20—30 с упадет ниже порога срабатывания сигнализатора, то есть ниже 2В, резистор подбирать не нужно. Если же напряжение останется выше 2В, нужно увеличить сопротивление резистора R1.
Рис. 34

Можно поступить иначе. Не опуская транзистор в воду, подобрать резистор R1 с таким сопротивлением; чтобы напряжение на выводах эмиттера и коллектора транзистора-датчика было 3,5 В.
Автомат экономичен, поскольку он потребляет основной ток лишь при срабатывании сигнализатора и включается на непродолжительное время — непосредственно после установки чайника на плиту.
ИНДИКАТОР УРОВНЯ ВОДЫ В ВАННЕ
Не правда ли, знакомая ситуация — пока готовитесь к купанию в ванне, она успевает неоднократно наполниться, и приходится сливать воду. А ведь воду нужно экономить. В этом поможет индикатор, который предлагаем собрать по приведенной на рисунке 35 схеме. А чтобы максимально ускорить его изготовление, схема рассчитана на использование готового абонентского громкоговорителя с напряжением 15 В — внутри его установлены трансформатор, динамическая головка и переменный резистор. Для нашего случая движок резистора должен находиться в положении максимальной громкости — в верхнем по схеме. Остается приобрести транзистор (любой из серий МП39—МП42), постоянный резистор R1 сопротивлением 1—10 кОм, конденсатор С1 емкостью 0,05—0,25 мкФ, выключатель питания S1 (тумблер) и батарею GB1 (3336Л — от плоского карманного фонаря) да изготовить два электрода — их нужно установить в ванне на определенной высоте.


Рис. 36
Как работает индикатор? Пока вода не достигла электродов, сопротивление между ними бесконечное. Генератор, составленный из указанных на схеме деталей, не работает, и устройство практически не потребляет тока.
Но вот вода коснулась электродов. Между ними образовалось сопротивление примерно 20—10 кОм — ведь в водопроводной воде немало примесей, и из-за этого она проводит ток. Через это сопротивление на базу транзистора подается отрицательное (по отношению к эмиттеру) напряжение, и генератор начинает работать. Из динамической головки громкоговорителя раздается громкий звук, тональность которого зависит от сопротивления между электродами и емкости конденсатора С1.
Деталей в индикаторе немного, и их можно разместить внутри корпуса громкоговорителя. Транзистор, резистор и конденсатор монтируют на небольшой планке размерами 30x40 мм из изоляционного материала. Батарею крепят к съемной задней крышке или к нижней стенке корпуса, а выключатель устанавливают на лицевой панели (рис. 36). Через отверстие в задней стенке выводят двухпроводный шнур (можно использовать бывший шнур громкоговорителя) и подпаивают его к электродам— они представляют собой два облуженных медных проводника 0 1—1,5 мм, укрепленных на пластмассовой пластинке.
Электроды помещают внутри ванны на определенной высоте. А чтобы зафиксировать их в этом положении, соединительный шпур закрепляют на борту ванны скобой, изогнутой из полоски органического стекла. Возможны, конечно, и другие способы крепления.
Поскольку индикатор используется не каждый день, совсем не обязательно переделывать под него отдельный громкоговоритель. Достаточно сделать приставку, смонтировав в ней указанные на схеме детали и установив на корпусе приставки две розетки. В одну будете включать имеющуюся у громкоговорителя вилку, в другую — дополнительную вилку, соединенную с выводами вторичной обмотки трансформатора. Тогда абонентский громкоговоритель придется отключать от трансляционной сети только на время работы индикатора.
Помните, что индикатор в любом варианте будет работать только при определенном подключении обмоток трансформатора громкоговорителя. Это устанавливают во время проверки конструкции. Делают так. Включив питание индикатора и установив ручку переменного резистора в положение максимальной громкости, подсоединяют к электродам резистор сопротивлением 10 кОм. Если звука нет, меняют местами выводы от вторичной или первичной обмоток. При одном из подключений звук обязательно появится.
Далее отсоединяют от электродов резистор и опускают их в воду на глубину 5—7 мм. Индикатор должен устойчиво звучать. Отсутствие звука в этом случае может свидетельствовать лишь о малом коэффициенте передачи тока используемого транзистора. Выход из положения — заменить транзистор.
СВЕТОВОЕ ТАБЛО-ПАМЯТКА
Уходя из дома, нужно убедиться, что свет, газ и электроприборы выключены. Чтобы не забыть об этом, нелишне установить у входной двери световое табло, зажигающееся при открывании двери.
Рис. 37

Внешний вид одного из вариантов конструкции табло-памятки показан на рисунке 37. Сбоку от двери размещена небольшая коробка с лицевой панелью из органического стекла (или другого прозрачного материала). На панели может быть нанесена надпись, например: «Выключи свет, газ». Из коробки выходит двухпроводный шнур к контактам звонковой кнопки, укрепленной на дверной перекладине. Напротив кнопки на двери установлен металлический уголок, который при закрытой двери нажимает на кнопку— ее контакты замыкаются. В этот момент надпись не освещается.
Когда же дверь открывают, контакты кнопки размыкаются и надпись освещается мигающим светом, привлекающим внимание.
А теперь взгляните на принципиальную схему устройства, приведенную на рисунке 38. Два транзистора образуют с остальными деталями устройства генератор световых импульсов. Если выключателем S2 подано питание, но дверь закрыта и контакты кнопки S1 замкнуты, генератор не работает. Но стоит разомкнуться контактам кнопки, как начинает вспыхивать лампа Н1. Частота вспышек зависит от емкости конденсатора С1 и сопротивления резистора R2 и при указанных на схеме номиналах составляет примерно 50 в минуту.

style="font-weight:bold;">Рис. З8
При закрытой двери устройство потребляет ничтожный ток —около 0,5 мА. Тем пе менее в нем установлен выключатель S2. Он понадобится для отключения устройства, когда дверь нужно открыть на продолжительное время. Этот выключатель установлен на нижней стенке коробки.
Резисторы — МЛТ-0,25, конденсатор — К50-6 или другой (К50-3, К53), лампа — на напряжение 3,5 В. Вместо транзистора КТ315Б можно использовать другие транзисторы этой серии или транзисторы МП111—МП113. Транзистор МП25Б заменим на МП25А, МП26А, МП26Б. Источник питания — батарея 3336Л.
Хотя автомат потребляет в дежурном режиме очень малый ток, батарея все же разряжается. Правда, срок службы ее будет не менее двух месяцев непрерывной работы, но и его можно значительно увеличить. Для этого нужно установить на двери кнопку с нормально замкнутыми контактами (все звонковые кнопки, как вы знаете, с нормально разомкнутыми контактами) и включить ее последовательно с выключателем S2. Резистор R1 в этом случае не понадобится. Теперь устройство обесточено, пока дверь закрыта, и потребляет ток только при открытии ее.
Такой же эффект можно получить и в случае использования обыкновенной звонковой кнопки, но придется придумать механическое устройство, действующее «наоборот» по сравнению с показанным на рисунке вариантом,— нажимающее на кнопку при открывании двери.
Яркость вспышки лампы зависит от емкости конденсатора— она тем меньше, чем меньше емкость по сравнению с указанной на схеме. Одновременно с уменьшением яркости возрастает частота вспышек.
ПЕРЕГОВОРНОЕ УСТРОЙСТВО «КТО ТАМ?»
Как вы помните, оно вступает в действие, как только гость нажимает кнопку звонка у входной двери. Но не подумайте, что с кнопкой связан какой-то автомат, включающий усилитель переговорного устройства. Управляют устройством вручную из квартиры. Само же переговорное устройство представляет собой простой усилитель низкой частоты, ко входу которого подключен абонентский громкоговоритель. Выход усилителя соединен ста-ким же громкоговорителем, расположенным над входной дверью на лестничной площадке.

Посмотрим, что представляет собой усилитель. Его схема приведена на рисунке 39. Как видите, используются всего два транзистора и несколько других деталей. К входному разъему X1 подключен громкоговоритель, регулятор которого обязательно должен стоять в положении максимальной громкости. В таком же положении должен находиться регулятор громкости второго громкоговорителя, висящего над дверью и подключенного двухпроводным шнуром к разъему Х2. С помощью переключателя S1 (он состоит из двух секций — S1.1 и S1.2, объединенных общей ручкой) громкоговорители можно поочередно подключить то ко входу усилителя, то к выходу.
. Предположим, что переключатель находится в. показанном на схеме положении и ваш громкоговоритель подключен ко входу усилителя. Наружный же громкоговоритель соединен с выходом усилителя. Как только раздастся звонок, включаете питание усилителя выключателем S2 и говорите перед своим громкоговорителем. Из громкоговорителя на лестничной площадке раздастся ваш голос. Задав вопрос, переводите переключатель S1 в другое положение, когда ко входу усилителя окажется подключен наружный громкоговоритель. Теперь из своего громкоговорителя вы можете слышать голос гостя. Окончив разговор, выключателем S2 отключаете питание от усилителя. '
О назначении других деталей устройства. Через конденсатор С1 сигнал с громкоговорителей поступает на базу транзистора VI. Резистор R1 обеспечивает такое напряжение смещения на базе, чтобы поступающий сигнал усиливался транзистором без искажений. Резистор R2 является нагрузкой каскада, на нем выделяется усиленный сигнал и поступает далее через конденсатор С2 на базу выходного транзистора V2. Назначение резистора R3 такое же, что и R1. Конденсатор СЗ необходим для получения «мягкого» звука, в котором отсутствуют высокочастотные свистящие составляющие. Конденсатор С4 шунтирует батарею питания (когда она подключена к усилителю) и устраняет самовозбуждение усилителя, когда батарея истощается и ее напряжение падает.
Переключатель можете использовать любой конструкции, но обязательно с двумя секциями. Особенно удобен переключатель типа ТП1—2 (тумблер). Снизу у него шесть выводов, которые помечены теми же цифрами, что и выводы на схеме,— это облегчит подключение к деталям переговорного устройства. Оба транзистора могут быть МП39Б, МП41, МП42А или МП42Б с коэффициентом передачи тока от 40 до 60. Конденсатор С1 — МБМ или другой, емкостью от 0,1 до 0,5 мкФ; С2 и С4— К 50-6, К50-12 или другие электролитические конденсаторы емкостью не меньшей, чем указана на схеме, и напряжением не ниже 10 В; СЗ — любого типа (например, КСО, К40П-2, БМ-2, ПО, ПМ-1). Резисторы — МЛТ-0,25, или МЛТ-0,5. Батарея питания — две последовательно соединенные батареи 3336Л. Можно, конечно, использовать и малогабаритную батарею «Крона» (она используется в транзисторных радиоприемниках), но срок службы ее значительно меньше. Абонентские громкоговорители могут быть любой конструкции, но желательно меньших габаритов, особенно наружный. Кроме того, громкоговорители должны быть рассчитаны на напряжение 15 В — с ними достигается большая громкость звука.

Рис. 40

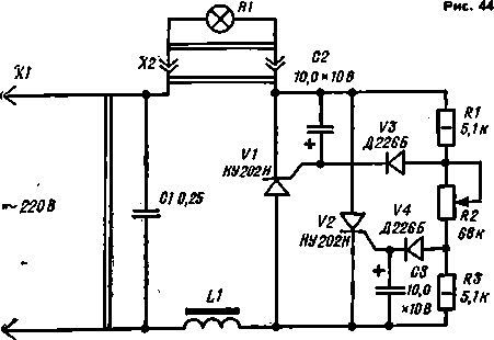
Рис. 41
Детали усилителя смонтируйте на плате (рис. 40) из изоляционного материала. Для подпайки выводов деталей на плате укрепляют монтажные шпильки из толстой облуженной проволоки, но снизу концы шпилек не должны выступать более чем на 3 мм. Плату расположите внутри корпуса громкоговорителя так, чтобы ручки переключателей выходили наружу через отверстия в передней стенке (рис. 41). Источник питания можете прикрепить металлической скобкой либо к нижней стенке корпуса, либо к задней крышке. На задней стенке установите разъемы — это могут быть обычные сетевые розетки или малогабаритные телефонные гнезда. Конечно, можно вообще обойтись без разъемов и подпаять провода от громкоговорителей непосредственно к деталям устройства. Но тогда вы не сможете использовать внутренний громкоговоритель по своему прямому назначению — для работы от трансляционной сети.
Настало время проверить устройство в действии. Выносной громкоговоритель подключите к устройству и установите подальше от него, чтобы не возникло акустической связи и усилитель не «завыл». Рядом поставьте работающий транзисторный приемник. Включив усилитель и поставив переключатель в положение «Передача», измерьте напряжение между эмиттером и коллектором транзистора V2 — оно должно быть 3,5—4 В. Точнее это напряжение можете установить подбором резистора R3. Аналогично проверяют напряжение между коллектором и эмиттером транзистора VI и, если это нужно, устанавливают его подбором резистора R1 в пределах 3—4 В.
Затем переводите переключатель в положение «Прием» и прослушиваете звучание приемника' в своем громкоговорителе. Если прослушиваются свистящие или шипящие звуки, замените конденсатор СЗ другим, большей емкости (3600, 3900, 4300, 4700 пФ).
Может случиться, что вы установили в устройстве транзисторы с большим коэффициентом передачи и чувствительность усилителя получилась чрезмерной, из-за этого звук слишком громкий и искаженный. Уменьшить чувствительность усилителя нетрудно, включив последовательно с конденсатором С1 переменный резистор сопротивлением 22—68 кОм. Перемещением движка резистора установите желаемую громкость, измерьте омметром получившееся сопротивление и впаяйте вместо переменного резистора постоянный с таким же (или возможно близким) сопротивлением.
Вот теперь можете устанавливать снаружи громкоговоритель, вести от пего двухпроводную линию к усилителю и пользоваться переговорным устройством.
РЕГУЛЯТОР ЯРКОСТИ СВЕТА
Не найдя нужной осветительной лампы в магазине, вы вкручиваете в настольный светильник более мощную и ищете способ уменьшить яркость света. Наиболее удобное устройство для этих целей — электронный регулятор. Он позволяет плавно изменять напряжение на нагрузке (лампа, паяльник, маломощный калорифер) от 40 до 210 В при сетевом напряжении 220 В.
Познакомимся с несколькими схемами таких регуляторов, использующих самые разнообразные детали. Одна из них приведена на рисунке 42. Нагрузка (осветительная лампа Н1) включена в сеть последовательно с диодным мостом, собранным на. диодах VI—V4. Диоды включены так, что, пока закрыт тринистор V5, ток через лампу не течет.
Выпрямленное мостом напряжение приложено к аноду и катоду тринистора и одновременно поступает на зарядную цепь, состоящую из резисторов Rl, R2 и конденсатора С2. Как только конденсатор зарядится до определенного напряжения, тринистор откроется и замкнет диагональ моста. Через нагрузку потечет ток. Такое случается при каждом полупериоде сетевого напряжения. Момент открывания тринистора, иначе говоря, «порция» поступающей на нагрузку электроэнергии, зависит от емкости конденсатора С2 и общего сопротивления резисторов. Переменным резистором R1 эту «порцию» можно изменять.
Рис. 42

Вместо диодов Д226Б подойдут Д7Ж или готовый выпрямительный мост КЦ402—КЦ405 с буквами А—Г, Ж, И в конце обозначения. С указанными диодами мощность нагрузки должна быть не более 100 Вт, а с мостом — 500 Вт. Чтобы питать более мощную нагрузку, нужно установить диоды Д245А. Если же нагрузка менее 100 Вт, вместо тринистора КУ202Н подойдут КУ201К или КУ201Л.
Переменный резистор — СП-1, постоянный — МЛТ-1 (мощностью 1 Вт). Конденсатор С1 — МБМ на напряжение не ниже 400 В, С2 — электролитический К50-6. Дроссель L1 (вместе с конденсатором С1 он образует фильтр, препятствующий прохождению в сеть помех от работающего регулятора) намотан на отрезке круглого ферритового стержня длиной 25 мм от магнитной антенны транзисторного приемника — всего нужно уложить пять слоев провода ПЭВ 0 0,6—0,7 мм.
Детали регулятора смонтируйте на плате из изоляционного материала, а плату разместите в корпусе (|зис. 43). На лицевой стенке корпуса разместите переменный резистор, на боковой — двухгнездовую розетку для подключения нагрузки. Через отверстие в боковой стенке выведите сетевой шнур с вилкой на конце. На ось переменного резистора наденьте ручку, наклейте на корпус бумагу с нанесенными на ней делениями шкалы.

Рис. 43
Регулятор в налаживании не нуждается и при правильном монтаже начинает работать сразу. Понадобится лишь отградуировать шкалу переменного резистора, измеряя вольтметром напряжение на нагрузке при разных положениях движка резистора. Конечно, делать это необязательно, если регулятор используется только для изменения яркости света. Но при работе регулятора с паяльником или другими нагревательными приборами шкала облегчает установку нужного режима.
Регулятор можно собрать и без диодного моста — по приведенной на рисунке 44 схеме. Но в этом случае понадобятся два одинаковых тринистора. Они включены так, что каждый из них работает при «своем» полупериоде сетевого напряжения. Так, когда на верхнем по схеме проводе положительный полупериод, заряжается (через резисторы Rl, R2 и диод V4) конденсатор СЗ и открывается тринистор V2. А при появлении на этом проводе отрицательного полупериода тринистор V2 закрывается, но зато открывается V1 (естественно, когда зарядится конденсатор С2). Ток через нагрузку будет протекать в оба полупериода напряжения, но общая «порция» его зависит от положения движка переменного резистора R2.

В этом регуляторе можете использовать тринисторы КУ202К — КУ202Н, КУ201К, КУ201Л. В первом случае мощность нагрузки не должна превышать 1000 Вт, во втором — 400 Вт. Диоды могут быть Д226Б—Д226Д, Д7Б—Д7Ж, конденсаторы, резисторы и дроссель — такие же, что и в предыдущей конструкции.
При сетевом напряжении 220В этим регулятором можно изменять напряжение на нагрузке от 25 до 210В.
В налаживании эта конструкция также не нуждается и начинает работать сразу. Но возможен эффект, когда при перемещении движка переменного резистора из верхнего по схеме положения в нижнее яркость лампы изменится скачкообразно. Это значит, что тринисторы открываются при разном напряжении на управляющих электродах. Если подобное наблюдается, отведите движок резистора от положения появления эффекта и поочередно замкните (например, отверткой с изолированной ручкой) управляющий электрод каждого тринистора с его катодом. Тот тринистор, при замыкании электродов которого лампа погаснет, имеет меньшее напряжение открывания по управляющему электроду. Нужно увеличить сопротивление резистора, стоящего в цепи между этими электродами, или уменьшить сопротивление аналогичного резистора для другого тринистора. Если, к примеру, лампа гаснет при замыкании электродов тринистора VI, увеличивают сопротивление резистора R1 либо уменьшают R3.
А вот еще одна схема электронного регулятора (рис. 45), обладающего большими возможностями,— им можно плавно изменять напряжение на нагрузке от 15 до 215 В.
Работает регулятор так. Когда на верхнем по схеме сетевом проводе положительный полупериод напряжения, заряжаются конденсаторы СЗ и С2 (через резистор R5). Но только при достижении определенного напряжения на конденсаторе СЗ открывается соединенный с ним динистор (V4) и в цепи управляющего электрода соответствующего тринистора (V2) протекает ток разряда конденсатора. Тринистор открывается.

Рис. 45
При отрицательном полупериоде включается другой динистор, а вслед за ним и другой тринистор. Таким образом, тринисторы, как и в предыдущей конструкции, работают поочередно. Динисторы выполняют роль своеобразного выключателя, срабатывающего при определенном напряжении на конденсаторах. Использование их позволяет добиться четкого срабатывания тринисторов. Скачка напряжения на нагрузке, характерного для предыдущего регулятора, здесь уже нет.
Резисторы R2 и R3 ограничивают ток через управляющий электрод, a R1 и R4 позволяют добиться стабильной работы тринисторов при изменении окружающей температуры.
Постоянные резисторы — МЛТ-0,5, переменный — СП-I, конденсаторы — БМТ на напряжение не ниЖе 400 В. .
Правильно смонтированный регулятор начинает работать сразу. Единственное, что нужно сделать,— отградуировать шкалу переменного резистора.
И в заключение рассказа, о регуляторах несколько общих замечаний. Во-первых, нужно помнить о технике безопасности во время проверки и налаживания устройств. Все перепайки делайте только при отключенном от сети регуляторе, а измерения напряжений на деталях — осторожно, помня, что они связаны с сетевыми проводами. ' .
Кроме того, ни в коем случае не используйте регуляторы для поддержания напряжения на магнитофонах, радиоприемниках, телевизорах, лампах дневного света и других потребителях с индуктивностями (трансформатор, дроссель) в цепи питания.
СЕНСОРНЫЙ ВЫКЛЮЧАТЕЛЬ
Слово «сенсор» зазвучало в нашем обиходе несколько лет назад. Именно тогда в продаже появились телевизоры с так называемыми сенсорными переключателями программ. В отличие от обычных переключателей или выключателей у сенсорных отсутствуют механические контакты. А это, в свою очередь, резко увеличивает надежность их работы. Кроме того, пользоваться сенсорными выключателями значительно удобнее — достаточно коснуться небольшой металлической пластины, и автомат включит или выключит устройство.
Подобный выключатель и использован нашим знакомым Витей для подсветки прихожей при входе в квартиру. Помимо долговечности, он обладает по сравнению с обычным выключателем еще одним преимуществом — бесшумностью работы. Да и мощность нагрузки может достигать 1000 Вт! Обычные выключатели такую нагрузку не выдерживают.
Схема сенсорного выключателя приведена на рисунке 46. Основная деталь его — газоразрядная лампа VI типа МТХ-90. Это так называемый тиратрон с холодным катодом, то есть лампа, не имеющая по сравнению с обычными электронными лампами нити накала для подогрева катода. Внешне лампа МТХ-90 похожа на обыкновенную неоновую, если вам приходилось такую видеть. Ее баллон, как и у неоновой лампы, заполнен инертным газом. При определенном напряжении между анОдом и катодом газ ионизируется и начинает светиться розовым светом.

Но в отличие от неоновой лампы в МТХ-90 введен еще один электрод —управляющая сетка. Именно она позволила сделать лампу удивительно чувствительной к внешним сигналам и управлять ее зажиганием. Если пропустить через цепь управляющей сетки ток в несколько миллионных долей ампера, между сеткой и катодом устанавливается тихий самостоятельный разряд — практически незаметное свечение. Достаточно теперь подать на сетку небольшой даже кратковременный (импульсный) сигнал — и лампа зажжется. Через нее потечет ток, величина которого зависит от напряжения на аноде и сопротивления нагрузки.
Кроме лампы, в устройстве применяются знакомые вам тринистор V2, выпрямительный мост на диодах V3—V6, резисторы и конденсаторы. В исходном состоянии выпрямленное мостом напряжение поступает через делитель на резисторах R4 и R3 на конденсатор С1 — он заряжается до напряжения, которое меньше необходимого для зажигания лампы. Тринистор закрыт, и через нагрузку—осветительную лампу Н1 ток не течет.
Коснитесь сенсора Е1. Теперь между сеткой тиратрона и одним из проводов сети окажется подключенной емкость вашего тела. В цепи сетки потечет небольшой ток —он зависит от величины емкости и сопротивления резистора R1. Но и этого достаточно, чтобы лампа зажглась. В этот момент конденсатор С1 разрядится через нее и резистор R2. Напряжение между анодом и катодом лампы упадет, и она погаснет. Конденсатор начнет заряжаться вновь — и через некоторое время лампа снова вспыхнет и т. д. Иначе говоря, каскад на тиратроне МТХ-90 превращается в генератор, работающий до тех пор, пока рука касается сенсора.
Импульсы генератора подаются через конденсатор С2 на управляющий электрод тринистора. Он включается и замыкает диагональ моста. Осветительная лампа зажигается. Но стоит отпустить руку от сенсора, как генератор перестанет работать и осветительная лампа погаснет.
Резисторы — МЛТ-0,5 и МЛТ-1 (R3), конденсаторы — МБМ, тринистор и диоды такие же, что и в электронных регуляторах.
Детали сенсорного выключателя лучше всего смонтировать в небольшой коробочке из изоляционного материала и укрепить коробочку невдалеке от двери. Если для коробочки применен прозрачный материал, обязательно закройте тиратрон темным колпачком, чтобы исключить влияние внешнего освещения на напряжение зажигания тиратрона.
Резистор R1 нужно смонтировать рядом с тиратроном, а свободный вывод резистора соединить с ручкой (она должна быть, естественно, металлической) двери многожильным монтажным проводом в хлорвиниловой изоляции. Для подключения автомата к сети используют двухпроводный шнур. На конце шнура прикрепляют сетевую вилку(XI).
Включив автомат в сеть, коснитесь сенсора — ручки двери. Если тиратрон не вспыхнет и свет не загорится, переверните сетевую вилку (поменяйте местами подключение ее штырьков). Если и в этом случае лампа не загорится, осторожно коснитесь пинцетом сетки тиратрона. Зажигание света в этом случае укажет на большое сопротивление резистора R1. Установите вместо него другой, сопротивлением не менее 200 кОм. И вновь проверьте работу устройства при одном и другом включении сетевой вилки. Остановитесь на более надежном варианте.
Вообще лучший способ правильно отрегулировать работу сенсорного выключателя — временно подключить его к автотрансформатору. Изменяя им напряжение на 20—30 В, проверьте надежность работы автомата и при необходимости подберите точнее резистор R4 таким, чтобы устройство работало при колебаниях сетевого напряжения в заданных пределах, но самопроизвольно не включалось (бывает и такое, особенно при скачках напряжения).
Схема более универсального выключателя приведена на рисунке 47. В нем уже две лампы МТХ-90, образующие так называемый триггер — устройство с двумя устойчивыми состояниями. Для нормальной его работы здесь уже на сетки тиратронов подано постоянное напряжение— оно обеспечивает тихий разряд между сеткой и катодом. Триггер питается от выпрямителя на диоде V3, конденсатор С1 сглаживает пульсации выпрямленного напряжения, делая его почти постоянным.

При включении автомата в сеть одна из ламп вспыхивает— пусть это будет тиратрон VI. В таком состоянии устройство будет находиться до тех пор, пока не коснутся сенсора Е2 «Вкл.». Тиратрон V1 погаснет, а вместо него зажжется V2. Падающее на резисторе R8 постоянное напряжение откроет тринистор V4, в результате включится осветительная лампа Н1. Когда же коснутся сенсора Е1 «Выкл.», осветительная лампа погаснет. Иначе говоря, при касании одного сенсора свет зажигается, а при касании другого гаснет.
Такой автомат лучше всего использовать для управления светом в подсобном помещении, например в ванной комнате. Тогда сенсором Е1 должна быть наружная металлическая задвижка, а Е2 — внутренняя. Открыли дверь и коснулись внутренней задвижки (закрыли дверь на задвижку) — свет зажегся. Вышли из ванной и закрыли дверь па наружную задвижку (пли коснулись ее) — свет выключился. Но, конечно, возможны и самые разнообразные применения сенсорного выключателя в других случаях.
Резисторы — МЛТ-0,5 и МЛТ-2 (R7). Конденсатор С1—электролитический на напряжение не ниже 300 В; С2—бумажный типа МБМ, СЗ — слюдяной типа КСО.
Детали смонтируйте в подходящей коробочке из непрозрачного материала и разместите коробочку вблизи осветительной лампы. Выводы резисторов R3 и R5 соедините с дверными задвижками многожильным проводом в хорошей изоляции.
Налаживание устройства начинают с того, что добиваются свечения тиратрона V2 (например, касанием пинцетом сетки его). Измеряют напряжение на конденсаторе С1. Если оно отличается от указанного на схеме, подбирают резистор R7 (это нужно делать при нормальном сетевом напряжении—примерно 220 В). В случае недостаточной яркости лампы Н1 подбирают резистор R6 (уменьшают его сопротивление), а затем вновь проверяют напряжений на конденсаторе С1.
Затем переводят триггер в другое состояние (касанием пинцетом сетки тиратрона- VI) и измеряют напряжение на конденсаторе С1—оно должно быть таким же, что и при горевшем тиратроне V2 (иначе устройство будет работать неустойчиво). Одинаковое напряжение в обоих состояниях триггера подбирают резистором. Он должен быть с меньшим сопротивлением, если напряжение на конденсаторе С1 при зажигании тиратрона V1 возрастает, и наоборот.
Следующий этап — проверка правильности подключения автомата к сети. Коснитесь сенсоров (задвижек) через резистор сопротивлением около 5 мОм (мегаом — миллион Ом). Если осветительная лампа часто зажигается и гаснет — все в порядке. В противном случае придется поменять местами проводники, идущие к сети (или перевернуть сетевую вилку, если автомат включен в розетку).
Случается, что автомат нечетко работает летом, когда воздух сухой. Тогда следует уменьшить сопротивление резисторов R3 и R5 до 200 кОм.
Как и в предыдущем автомате, работу этого устройства желательно проверять при изменении сетевого напряжения на 20—30 В (с помощью автотрансформатора). Если окажется, что при пониженном напряжении лампа освещения гаснет заметно, нужно уменьшить сопротивление резистора R6 (а также и R1, чтобы сохранить одинаковое напряжение на конденсаторе С1).
Не исключено, что в качестве сенсоров вы захотите использовать не дверные задвижки, а ручки. Это вполне возможно. Но ручки должны быть обязательно металлические и изолированы друг от друга — только при этих условиях возможен положительный результат.
ПОЛЕЗНЫЕ СОВЕТЫ
Диаметр провода — по линейке. Чтобы подобрать нужный провод для катушки индуктивности, дросселя или трансформатора, совсем не обязательно искать микрометр или штангенциркуль для измерения его диаметра. Сравнительно точно это можно сделать с помощью обыкновенной линейки. На круглую ручку или карандаш намотайте провод виток к витку на длине не менее 10 мм. Измерьте длину намотки и подсчитайте уместившееся на ней число витков. Разделите первый результат на второй — получите значение диаметра провода. .
Исправен ли диод? Диод — полупроводниковый прибор, пропускающий электрический ток только в одном направлении — от анода к катоду. Прежде чем впаивать диод в конструкцию, его нужно проверить. Подойдет любой омметр или авометр (его ручки ставят в режим измерения сопротивлений). Подсоединяя щупы омметра к выводам диода в прямом (плюс омметра к аноду, минус — к катоду) и обратном (изменив полярность щупов омметра) направлениях, сравнивают показания прибора. Если диод исправен, его сопротивление в прямом направлении будет значительно меньше, чем в обратном. Когда сопротивление в обоих направлениях одинаково и мало, считают, что диод пробит. Использовать его нельзя. Плохим считают и такой диод, у которого сопротивление в обоих направлениях бесконечно большое.
Как проверить транзистор? Вы знаете, что у транзистора три вывода — эмиттер, база и коллектор. Причем между выводами эмиттера один полупроводниковый переход (его называют эмиттерным), а между базой и коллектором—другой (коллекторный). Для простоты можно считать, что каждый переход — это диод. Тогда достаточно проверить исправность переходов описанным выше способом и сделать заключение об исправности транзистора. При проверке транзисторов структуры р-п-р (например, транзисторов серий МП39—МП42) к выводу базы должен подключаться плюсовый щуп омметра, когда проверяют переходы в прямом направлении, и минусовый — во время проверки в обратном направлении. Если же транзистор структуры п-р-п (например, КТ315), полярность подключения щупов изменяют на обратную.
В описаниях конструкций вы встречали требования к статическому коэффициенту передачи тока транзистора — это способность транзистора усиливать ток. Как его определить? Взгляните на рисунок 48. Когда нажата кнопка S1, напряжение источника питания подается через резистор R1 на базу транзистора, и через нее течет ток. Он зависит от сопротивления резистора и в данном случае составляет 0,01 мА. Этот ток усиливается транзистором. В результате через стрелочный индикатор (миллиамперметр РА1) протекает ток, значительно превышающий базовый. Измерив значение коллекторного тока и поделив его на базовый, получите цифру статического коэффициента передачи данного транзистора. Если, к примеру, ток коллектора 0,7 мА, а базовый 0,01 мА, статический коэффициент передачи составит 70 (0,7:0,01=70).

Рис. 48
Максимальное значение статического коэффициента передачи, которое можно измерить при указанном стрелочном индикаторе (на 1 мА), равно 100. С прибором же на 3 мА можно проверять транзисторы с коэффициентом передачи до 300.
Эта схема проверки пригодна и для транзисторов структуры п-р-п. Нужно лишь изменить на обратную полярность подключения выводов батареи и стрелочного индикатора.
Продление срока службы батарей. В большинстве конструкций вы встречаете батареи 3336Л. Они составлены из трех отдельных гальванических элементов, соединенных последовательно. От крайних элементов наружу выходят металлические полоски — выводы. Внутри каждого элемента находится жидкий электролит. Со временем он высыхает, и батарея работает хуже, а затем вообще перестает давать ток.
Чтобы продлить жизнь батареи, воспользуйтесь простым советом. Горячей проволокой в смолке батареи против каждого элемента проколите отверстие -0 2—2,5 мм. Через них с помощью пипетки или стеклянной трубочки с узким концом залейте 1,5—2 «кубика» 10-процентного раствора хлористого аммония (нашатырный спирт). Затем смолку вокруг отверстий расплавьте и закройте их.
Заливать батарею нужно, конечно, тогда, когда она начнет давать меньшее напряжение, чем вначале.

4 ГЛАВА

В ПОМОЩЬ МАМЕ
Следующий трудовой день посвятим маме. Вы, конечно, знаете, сколько сил она тратит на домашние заботы. Вы помогаете убирать квартиру, выносить мусор, покупать продукты. Это хорошо. Труд мамы вы можете также облегчить, сделав предлагаемые приспособления. Надеюсь, что они натолкнут вас на мысль об изготовлении других конструкций, нужных на кухне, в ванной, прихожей, в комнатах.

Рис. 49
ЗАЖИГАЛКА ДЛЯ ГАЗОВОЙ ПЛИТЫ
Вам приходилось наблюдать, как работает бензиновая зажигалка? Крутанули небольшое колесико — и появилось пламя. Откуда оно появляется? Все очень просто. Колесико зажигалки с насечкой, как у напильника. Под ним находится кусочек кремня, искры от которого при трении поджигают пропитанный бензином фитилек. Аналогично работают и зажигалки, наполненные газом.
Теперь, надеюсь, вам будет понятно устройство нашей зажигалки для газовой плиты (рис. 49). Основу ее составляет металлическая пластина 1 с насечкой. Подойдет, например, отрезок ненужной пилки для ногтей или надфиля. Еще понадобится стальная проволока. Согните из нее пружину 2. Один конец пружины закрепите на отрезке пилки (или надфиля). Чтобы облегчить эту работу, раскалите докрасна конец проволоки длиной 30—40 мм и дайте ему остыть. Проволока в этом месте станет мягкой, и ее нетрудно будет сгибать.
Другой конец пружины вставьте в отверстие колодки 3 и припаяйте к ней. В колодке есть еще два отверстия: одно — с резьбой под винт 5, другое — под кремень 4 для зажигалок. Кремень закрепляют в колодке винтом 5. Выступающий конец кремня должен касаться насечки пластины.
ВРАЩАЮЩАЯСЯ ТЕРКА
Как и обычная терка, она предназначена для овощей и фруктов. Работать на ней удобнее: меньше устаешь и больше успеваешь сделать.
Терка (5, рис. 50) имеет форму диска. Его лучше вырезать из нержавеющей стали, но вполне подойдет и алюминий толщиной 1,5—2 мм. В диске сверлят по всей рабочей поверхности отверстия 0 0,8—1 мм, а затем расширяют их гвоздем так, чтобы с одной стороны диска образовались острые выступы.
Диск укрепляют гайками 10 на конце рукоятки 1 — ее пропускают в отверстие в платформе (4). На противоположном конце рукоятки располагают шайбу (3) и ограничительную втулку (2). Со стороны терки на рукоятке находится шайба (9) — она нужна для того, чтобы гайка (10) не касалась платформы, когда терка вращается.
Платформа прикреплена к стойке (7), которая, в свою очередь, скреплена с планкой (8). С помощью этой планки приспособление крепят к столу, например, струбцинами. Между стойкой и платформой укреплена распорная планка (6)— она увеличивает прочность конструкции.
В правой части платформы напротив терки сделана выемка. Она наклонная и походит по форме на половину воронки. Выемку вырезают ножом, поверхность ее выравнивают круглым напильником и зачищают мелкозернистой наждачной бумагой. Еще лучше прикрепить к поверхности выемки отрезок жести от консервной банки. Поверхность платформы желательно покрыть водостойким лаком.

Вращая рукояткой диск, закладывают в выемку платформы кусочки овощей или фруктов. Прижимать их к терке лучше всего деревянной лопаточкой — так безопаснее. Закончив работу, не забудьте прочистить диск и желоб в платформе.
А может быть, вас привлечет другая конструкция вращающейся терки, показанная на рисунке 51? Рабочая часть в ней выполнена в виде барабана — его и вращают рукояткой. Роль барабана выполняет банка из-под сгущенного молока. Раскрытую крышку банки удаляют, а острые края осторожно (чтобы не деформировать ободок) загибают внутрь молотком. Затем изнутри банки прокалывают в боковой стенке отверстия. Они должны быть расположены возможно чаще. В результате снаружи образуются зазубрины — рабочая поверхность терки.
Рис. 51

Винтами (12) п гайками (14) к дну барабана прикрепляют деревянные диски (13, внутренний) и (4, наружный). Причем диск (4) заранее прибивают (или привинчивают двумя шурупами, расположенными по диаметру к деревянной оси (6). Благодаря такому креплению барабан не сможет проворачиваться относительно осп. .
Ось вставляют в подшипник (5), укрепленный в стойке (9). Стойка прикреплена к основанию, а для прочности между ними закреплен брусок (10).
Чтобы можно было вращать барабан, к оси прикреплена удлинительная планка (7) с ручкой (8) на конце.
Сверху на стойке расположен уголок (2) из алюминия или дюралюминия толщиной 1,5—2 мм. Напротив рабочей поверхности барабана-терки в нем вырезано отверстие и вставлена воронка с двумя лепестками вверху. Воронку можно согнуть из отрезка жести от консервной банки. Концы отрезка накладывают друг на друга и спаивают. Лепестки привинчивают к уголку. Конец воронки должен отстоять от терки на 5—7 мм.
Приспособление Крепят к столу за основание струбцинами. Под барабан ставят миску и, вращая барабан ручкой, опускают в воронку кусочки фруктов или овощей. Прижимают их к терке деревянной лопаточкой.
Закончив работу, очистите барабан изнутри, тщательно промойте его и высушите в теплом месте. При правильном уходе барабан служит долго. Если же вы не усмотрели за ним и около отверстий стали появляться рыжеватые точки ржавчины, изготовьте новую терку — на это понадобится немного времени.
РАЗДЕЛОЧНАЯ ДОСКА ДЛЯ РЫБЫ
Чистить рыбу непросто — она скользкая и все время норовит вырваться из рук. А что, если закрепить ее хвост в каком-нибудь приспособлении? Подобный вопрос, наверное, возникал у вас. Ну что ж, подобные приспособления существуют, и одно из них показано на рисунке 52. Рыбу кладут на доску и защемляют хвост специальной планкой. Покончив с одной половиной, рыбу переворачивают и очищают другую.
Основание (8) приспособления — фанера или доска толщиной 10—12 мм. Снизу к ней прикреплены опорные бруски (9) и (10). Чтобы доска устойчиво стояла на столе, на бруски наклеивают прокладки из рифленой резины, губчатой резины пли поролона. Спереди в брусок (10) ввернут толстый шуруп (11).

К бруску (10) и доске прибита стойка (2) с отверстием вверху. В него вставлен винт (1). На винт надета шайба (3), прижимная планка (6 — она с вырезом примерно посередине), навинчены гайка (4) и контргайка (5); Крепление планки должно быть таким, чтобы она поднималась и опускалась с небольшим трением.
Спереди в планку вбивают П-образную скобку, согнутую из отрезка гвоздя без шляпки. Концы скобки заостряют напильником. Между скобкой и шурупом крепят пружину (7). От ее жесткости зависит прижимная сила планки.
Изготовив это приспособление, не забудьте и об удобной рыбочистке. Изготовьте ее из нескольких металлических пробок от бутылок с газированной водой, прибитых донышками к деревянной ручке. Пробки хорошо счищают рыбьи чешуйки.
КУКЛА-ВЕШАЛКА
Ложки, вилки, ножи и другие столовые приборы всегда должны быть под рукой. Вот и смастерите для мамы куклу-вешалку (рис. 53). Понадобятся две деревянные планки толщиной 4—5 мм и шириной по 20 мм (одна планка длиной 230 мм, другая — 290 мм), немного ткани, картон и некоторые другие мелкие принадлежности.
Планки сложите вместе крест-накрест и сбейте тонкими гвоздиками. Из толстого картона вырежьте полоску размерами 200x140 мм и приклейте ее к планкам.
При этом в середине верхней части картонки делается вырез размерами 20x20 мм.
К горизонтальной планке приклеиваются руки, вырезанные из картона и раскрашенные цветными карандашами или красками. Можете просто оклеить картонные руки цветной бумагой. Из материи вырезаются две половинки платья, прикладываются на изготовленную основу куклы и сшиваются между собой по обозначенной на рисунке штриховой линии. Из ткани другой расцветки вырежьте карманы передника, обстрочите их и пришейте к платью.
Голову куклы можете вырезать из картона и обклеить ее разноцветной бумагой или раскрасить. Более трудоемкий способ — сшить голову из двух отрезков материи и набить ватой. Две кнопки будут служить глазами, остальная часть головы раскрашивается. В этом случае голова выглядит более объемно.
Голова крепится на выступающую часть вертикальной планки. Сзади куклы, в месте пересечения планок, прикрепите колечко, за которое куклу можно подвешивать на гвоздь. Если же кукла предназначается для большого количества приборов, ее лучше подвесить на двух колечках, расположенных по краям горизонтальной планки. Столовые приборы кладут в карманы передника.
Рис. 33


"МАНЕЖ" НА ХОЛОДИЛЬНИКЕ
Верх холодильника, стоящего на кухне, как правило, пустует. Изготовьте предлагаемое приспособление (рис. 54), своеобразный «манеж»,— и на холодильнике станет удобно держать разнообразную посуду.
Из фанеры толщиной 10—12 мм выпилите основание «манежа». Кромки и углы основания скруглите напильником и зачистите мелкозернистой наждачной бумагой. В таком виде покройте основание лаком и продолжайте работу.
По углам основания установите стойки из отрезков круглой палки. Верхние концы стоек скруглите, а сбоку в стойках просверлите по два глухих отверстия, расположив их под прямым углом на одном уровне. В эти отверстия вставляют стержни ограждения — они могут быть как деревянные, так и металлические.
Стойки закреплены шурупами, ввинченными снизу через отверстия в основании. Но предварительно стойки и стержни ограждения должны быть покрыты лаком.
Собирайте «манеж» в такой последовательности. Прикрепите к основанию одну стойку. Вставьте в ее отверстие конец стержня, подведите к стержню вторую стойку и прикрепите ее к основанию. Так же поступите со вторым стержнем и третьей стойкой. А при. установке последней стойки в ее отверстия придется вставить сразу два стержня.
Снизу к основанию приклейте по углам кусочки поролона или мягкой резины, тогда «манеж» не будет скользить по крышке холодильника. Еще лучше использовать резиновые присоски. Они прочно зафиксируют устройство на холодильнике.
КАК ОТКРЫТЬ БАНКУ
Чтобы сдвинуть с места туго навинченную крышку консервной банки, приходится прилагать немало усилий. Здесь поможет несложное приспособление, показанное на рисунке 55. Состоит оно из двух частей — подвижной и неподвижной. Обе части лучше выпилить из одной заготовки толстой (15—20 мм) доски или фанеры. Предварительно на заготовке размечают осевую линию и чертят на ней на одинаковом расстоянии друг от друга три окружности по диаметру разных крышек. Отверстия вырезают любым доступным способом и распиливают заготовку по осевой линии пилой с широким разводом зубьев. Нужно это для того, чтобы получился более широкий паз при распиловке. В неподвижной части приспособления вырезают выступ и сверлят в нем отверстие 0 5—6 мм. Такое же отверстие сверлят на другом конце этой части.
Подвижную часть конструкции обрезают с обоих концов и вырезают на одном из них (левом по рисунку) выступ-рукоятку. Обе части скрепляют металлической петлей (наподобие оконной, по укороченной) и вклеивают в их выемки полоски резины. Здесь нужна плотная резина с накаткой или рубцами. Теперь приспособление можно прикрепить через отверстия -в неподвижной части к стене.
Чтобы открыть крышку банки, нужно отвести в сторону подвижную часть приспособления, вставить крышку в выемку подходящего диаметра, прижать подвижную часть конструкции к неподвижной и повернуть рукой банку.

ВЕШАЛКА ДЛЯ БЕЛЬЯ
Эта конструкция удобна тем, что позволяет быстро протянуть, например в кухне, сразу три веревки для сушки белья, а когда белье высохнет, так же быстро убрать их.
Основные детали вешалки (рис. 56) — два кронштейна, изготовленных из досок толщиной 15—20 мм. Кронштейны укрепляют друг против друга на противоположных степах помещения. В одном из кронштейнов укреплена ось, которую можно вращать рукояткой. В оси просверлены три отверстия, в нихпродеты и закреплены бельевые веревки. Другие концы веревок закреплены на перекладине (деревянный стержень), которую после натяжения веревки укладывают в пазы противоположного кронштейна. Длина веревок выбирается, конечно, одинаковой и такой, чтобы обеспечить нужное их натяжение.
Рис. 59

Когда белье высушено, веревки наматывают на ось первого кронштейна, а перекладину вставляют в его пазы.
Если в квартире мало места, сушить белье можно даже... под кухонным столом (рис. 57). Для этого к столу прикрепите выдвижной ящик-вешалку с круглыми деревянными или металлическими перекладинами.

Рис. 57
А чтобы ящик легко выдвигался, поставьте его на полозья — их можно изготовить из дюралевых уголков. Выдвинув ящик и развесив на перекладинах небольшие вещи, его вновь задвигают в стол. Способ крепления полозьев и размещение ящика нетрудно выбрать самим в зависимости от конструкции стола.
ПРИСТАВКА К ГЛАДИЛЬНОЙ ДОСКЕ
С такой приставкой гладить удобнее, поскольку вода для увлажнения белья всегда под рукой, да и выглаженное белье можно сразу повесить на перекладину приставки.
Для работы понадобятся фанера толщиной 8—12 мм, бруски из дерева толщиной . 15—20 мм да отрезок круглой палки. Конструкция приставки видна на рисунке 58. Сначала вырежьте из бруска поперечную планку (4). Ее длина должна быть на 2—3 мм больше ширины гладильной доски, а высота — на столько же больше толщины доски. Сразу же отпилите от бруска боковые планки (3) длиной по 250 мм и высотой, равной высоте поперечной планки (4). На расстоянии 20—25 мм от концов планок просверлите отверстия для перекладины. Затем выпилите из фанеры основание (2) шириной 170 мм. Длина основания определяется размерами гла-дильной доски и толщиной планок и должна превышать ширину гладильной доски на 110—120 мм.
Прибейте к основанию боковые планки и поперечную. В отверстия боковых планок вставьте перекладину (5) п прибейте ее к планкам гвоздиками.
Верхнюю панель (1) выпилите из фанеры по размерам основания. Наметьте карандашом на поверхности панели линию выреза — она должна отстоять от внутренних поверхностей планок на 20—25 мм. Затем выпилите в панели лобзиком вырез, а также вырежьте два больших отверстия. Панель прибейте к планкам гвоздями или приверните шурупами. Попробуйте надеть приставку на гладильную доску. Если она держится свободно, приклейте по краям доски полоски ткани такой толщины, чтобы приставка входила с трением.
Рис. 58

СКЛАДНАЯ ПОЛКА
Вы, наверное, замечали, что, входя с покупками в прихожую, каждый человек первым делом начинает искать место, куда бы их положить. В небольших прихожих нет места для лишней мебели, а сумки девать некуда. Как же быть? Поможет здесь предлагаемая полка (рис. 59). В сложенном состоянии она занимает немного места. Разложить ее можно в одну секунду. Думаю, что мама, получив такую самоделку, будет очень довольна.

Изготавливают полку из фанеры пли доски толщиной 15—20 мм. Сначала вырезают вертикальную панель и прикрепляют ее к свободной стене в прихожей. К панели крепят металлическими петлями откидную крышку с прибитыми снизу упорами. Между крышкой и вертикальной панелью помещают отрезок толстой резины. Наверху вертикальной панели устанавливают на петлях защелку, удерживающую крышку в вертикальном положении. Достаточно приподнять локтем защелку немного вверх — и полка раскроется. Можно ставить на нее покупки.
ТЕРЕМОК РУКОДЕЛЬНИЦЫ
Этот сказочный домик (рис. 60) будет хорошим подарком вашей маме. На фасаде домика удобно расположились катушки с нитками, из трубы выглядывают крючки и спицы, а на дереве «растут» швейные иголки. А если откинуть половину крыши, то внутри домика можно увидеть мотки пряжи и кусочки тканей. Остальные материалы для рукоделия можно хранить в выдвижном ящике.
Как сделать такой домик? Из толстой фанеры изготовьте подставку с выдвижным ящиком. В центре подставки укрепите домик. Его стенки можно выпилить из фанеры толщиной 5 мм. Крышу сделайте из двух одинаковых дощечек, склеенных между собой кусочком материи. В одной половинке крыши прорежьте отверстие и закрепите в нем трубу. Из топкой фанеры выпилите лобзиком окна и украшения крыши и приклейте их к домику. Немного выше окон вырежьте в боковых стенках небольшие окошки, через которые можно будет выпускать нитку клубка во время вязания.
Забор состоит из четырех фигурных полосок, по краям которых сделаны пропилы. С помощью этих пропилов полоски соединяют друг с другом. Как и домик, забор можно приклеить к основанию.
Еще понадобятся три коротких деревянных стержня, которые вставляют в отверстия основания и приклеивают. На стержни устанавливают катушки с нитками. Для дерева подберите небольшую веточку и насадите на нее кусочек губки.

ПОЛЕЗНЫЕ МЕЛОЧИ

Рис. 61

Рис. 62

Рис.63
«Чехол» для сковороды. Чтобы не обжечься о горячую ручку сковороды, нередко применяют рукавицу. Не менее удобно пользоваться приспособлением (рис. 61), состоящим из двух металлических планок, обшитых плотной материей. В одной планке выпилен вырез, чтобы удобнее было надевать «чехол» на ручку сковороды. Петелька, пришитая к «чехлу», позволяет держать его на вешалке вблизи плиты или рабочего стола.
Фиксатор вешалки.
Если нужно, чтобы вешалка с бельем висела на веревке перпендикулярно ей и не поворачивалась в стороны, воспользуйтесь простейшим фиксатором (рис. 62). Понадобится отрезок круглой палки подходящего диаметра. В нем пропиливают два паза перпендикулярно друг другу. Ширина пазов такая, чтобы в них входили крючок вешалки и веревка.
Резак из лезвия. Его можно изготовить за несколько минут. Из картона вырежьте планку с двумя треугольными выемками (рис. 63). Положите на планку лезвие и закрепите его тесьмой, бечевкой или лейкопластырем. Как пользоваться приспособлением, надеюсь, вы догадались.
Удобное приспособление. Существует немало приспособлений для натягивания бельевой веревки (рис. 64). На небольшой дощечке укрепите три ролика — это могут быть, например, наполовину обрезанные швейные катушки либо фарфоровые изоляторы для домашней электропроводки. Регулировать натяжение веревки можно, пропуская ее через различные ролики. Если требуется большее натяжение, веревку пропускают через ролики по нескольку раз.
Вешалка для галстуков (рис. 65). Ее изготавливают из органического стекла. Сначала из полоски такого материала вырезают заготовку по указанным размерам. Затем нижнюю часть заготовки разогревают над огнем (пламя не должно касаться материала) и сгибают с помощью приспособления — небольшого деревянного кубика.
Три вешалки в одной. Много ли одежды можно повесить на одну вешалку? Предлагаемая тройная вешалка (рис. 66) оказывается более вместительной, хотя занимает в шкафу практически столько же места, что и обычная.

Рис. 64

Рис. 65

Рис. 66

5 ГЛАВА

ПРОДОВОЛЬСТВЕННАЯ ПРОГРАММА В ВАШЕМ ДОМЕ
Сегодня — пятый день нашей трудовой недели. Посвятим его участию в выполнении домашней продовольственной программы. Соберем с вами приспособления, которые позволят дольше сохранить хлеб, овощи, фрукты. Поговорим о приготовлении различных консервов и оригинальных блюд. Ребятам, проживающим в сельской местности, предлагаем построить оригинальные устройства для ухода за огородом и сбора урожая.
Помните о Продовольственной программе и в школе. Берите хлеба столько, сколько наверняка съедите. Если он остается, не выбрасывайте. Небольшие кусочки хлеба и крошки — отличная пища для пернатых друзей.
ХЛЕБНИЦА

Рис.67
Где лучше хранить хлеб? Конечно, в хлебнице, скажете вы. Но в какой? Еще сравнительно недавно популярностью пользовались хлебницы из металла. Но оказалось, что хлеб в них быстро покрывается плесенью. Тогда на смену им пришли деревянные конструкции. Ведь дерево создает особый микроклимат, и хлеб дольше остается свежим и не плесневеет. Одна из таких конструкций показана на рисунке 67.
Материалом для нее может быть многослойная фанера толщиной 10 мм. Еще лучше использовать доски примерно такой же толщины. В любом случае сначала определите размеры хлебницы, разметьте заготовки, а затем выпилите все детали конструкции. Острые края их зачистите напильником и наждачной бумагой.
К боковым стенкам (1) привинтите планки (6), а к дверце (7) —ручку (8). Вбейте в дверцу штифты (9) из отрезков толстых гвоздей или круглой деревянной палочки. Скрепите дно (5) и крышку (3) с задней стенкой (2). К этим деталям прикрепите боковые стенки (1), вставив между ними дверцу,— она должна попасть штифтами в отверстие стенок. В заключение положите на планки (6) полку (4).
В таком шкафчике свободно помещается буханка хлеба и батон. Когда дверцу шкафчика откидывают в горизонтальное положение, опа опирается на планку-ручку и становится подставкой, на которой удобно резать хлеб.
ЯЩИК ДЛЯ ОВОЩЕЙ

Рис. 68
Чтобы овощи оставались свежими, их нужно правильно хранить — это, надеюсь, для вас не новость. В сельских домах есть погреб, на усадьбе — сарай. И проблема заготовки овощей к зиме решается просто. А как быть горожанину, проживающему в многоэтажном доме?
Предлагаем для этих целей сделать специальный ящик (рис. 68), в котором овощи хорошо проветриваются и могут храниться долго. Его можно поставить на кухне или в подсобном помещении. Размеры ящика не приведены, поскольку они зависят от размеров вашей кухни, стола или шкафа. Вы определите их сами. А вот о конструкции ящика следует сказать несколько слов.
Прежде всего понадобятся многослойная фанера или доски толщиной от 10 до 16 мм. Основание (4) , заднюю (3) и боковые (1) стенки выпилите из более толстого материала. В боковых стенках выпилите вентиляционные окна размерами 35X 300 мм. С внутренней стороны к стенкам прикрепите шурупами направляющие планки (2) — выпилите их из бруска сечением 20X20 мм.
Боковые и заднюю стенки скрепите между собой шурупами или гвоздями и прикрепите их к основанию. Снизу к основанию прибейте ножки (5) из отрезка доски толщиной примерно 30 мм. Можно использовать и многослойную фанеру, составив ножки из нескольких отрезков меньшей толщины.
Спереди и сзади между ножками и основанием укрепите декоративные планки (6) — они не должны выступать за края основания. Эти планки придают конструкции большую прочность. Между ними желательно укрепить распорную планку (или две планки) — тогда ножки будут устойчивыми даже под большой тяжестью.
Ящики для овощей (их четыре) изготовьте из материала толщиной 10—12 мм. Для каждого ящика понадобится дно (8) и четыре боковые стенки (7). В дне каждого ящика насверлите вдоль стенок отверстия 0 3—4 мм — они обеспечат вентиляцию воздуха. Один ящик ставят на основание конструкции, остальные — на направляющие планки.
Хотя крышка в нашей конструкции не предусмотрена, ее нетрудно выпилить из тонкой фанеры и оклеить сверху декоративной бумагой или обоями. А чтобы крышка не препятствовала вентиляции воздуха внутри ящиков с овощами, насверлите в ней по краям такие же отверстия, как и в ящиках.
СОКОВЫЖИМАЛКА
В твоей семье, конечно, любят соки. Советуем сделать соковыжималку, показанную на рисунке 69. Это своеобразный пресс, с помощью которого можно выдавливать сок из ягод, фруктов и овощей, непригодных для консервирования.
Как устроена соковыжималка? Основание конструкции (8) вырезано из толстого деревянного кругляша. Долотом в нем выдолблен желобок, по которому будет стекать сок. К основанию прикреплены две стойки (5) — они могут быть как из металлических трубок, так и деревянные. Между стойками расположены перекладины (3), скрепленные с ними винтами. К перекладинам прикреплена винтами (4) гайка (2) — в нее входит подвижной винт (1). Крепежные винты (4) должны быть такой длины, чтобы они не доходили до подвижного винта и не стопорили его.

Рис. 69
Чем толще подвижной винт, тем лучше будет работать пресс. Желательно также применять винт большей длины. Тогда его хода хватит на большую порцию ягод или фруктов. Подвижной винт и гайка могут быть готовые, например от негодного вулканизатора для ремонта автомобильных камер. В этом случае гайку отпиливают от кронштейна и зачищают напильником. Поскольку толщина гайки может быть больше толщины стоек, перекладины придется немного изогнуть и прижать к стойкам.
В качестве подвижного винта подойдет длинный болт с резьбой М8 или М10 (диаметром соответственно 8 и 10 мм). Тогда между перекладинами для него нужно укрепить две шестигранные гайки с такой же резьбой.
Итак, основная часть пресса готова. Остается подобрать подходящую посудину под ягоды или фрукты и только после этого изготовить оставшиеся детали. Посудиной может быть большая кружка или маленькая кастрюля. Та или другая должна умещаться на основании и отстоять от перекладин на 20—25 мм. А чтобы из посудины вытекал сок, просверлите в углах ее донышка и в самом донышке отверстие, как в терке. Но края отверстий с обеих сторон немного раззенкуйте сверлом большего диаметра, чтобы не было заусенцев.
Под посудину вырежьте несколько деревянных кругов (7). Каждый круг должен входить в посудину свободно, но зазор между ним и стенкой не должен превышать 2 мм.
Понадобится деревянный брусок (6) с укрепленной на нем сверху прочной металлической пластиной — в нее будет упираться конец подвижного винта пресса.
Загрузив в посудину ягоды (если они с косточками, их нужно предварительно удалить), прикрывают их кругом и накладывают сверху брусок. Ставят посудину на основание и плавно поворачивают за ручку подвижной винт. Он упирается в брусок, а тот надавливает на круг и мнет ягоды. Через отверстие в посудине сок вытекает на основание и стекает в желоб. Далее из желоба сок попадает в банку, расположенную снизу (соковыжималку ставят на край стола, а банку — на табурет).
Если подвижной винт сравнительно короткий, во время работы число кругов постепенно увеличивают. Это равносильно увеличению хода винта. В итоге удается обработать всю порцию ягод.
С помощью этого приспособления сравнительно легко получать сок из черешни, вишни, винограда, малины, клубники, помидоров. Чтобы получить сок из более твердых плодов, например яблок, их нужно предварительно нарезать дольками и удалить сердцевину.
Закончив работу, не забудьте промыть основание, брусок, круги и посудину, а также насухо вытереть рабочую поверхность подвижного винта.
ДЛЯ УХОДА ЗА УЧАСТКОМ
С ранней весны и до поздней осени кипит работа па садовом или огородном участке. То нужно обработать почву, то посадить растения, прополоть их, подготовить землю к зиме. Работа трудоемкая, а инструмента немного — лопата, вилы, грабли. Добавьте к ним предлагаемые приспособления — и ухаживать за участком станет легче. .
Первое приспособление показано на рисунке 70. Это дощечка толщиной 15—20 и шириной 80—100 мм. К дощечке прибиты ремни, служащие креплением (наподобие лыжного). Дощечку крепят к правой ноге так, чтобы она на 20—30 мм выходила за носок обуви. Лопату вонзают в землю, придвигают к ней дощечку и подают ручку лопаты на себя. Лопата легко отрывает ком земли. Дощечка здесь является точкой опоры рычага, плечи которого образованы рукояткой и лопатой.
Когда придется перекапывать часть участка, на котором росли деревья или кустарник, не пытайтесь сделать это обычной лопатой. Ведь она не в силах перерубить оставшиеся в земле корни. Лопату можно модернизировать, как это показано на рисунке 71.

Рис. 70

Рис. 71

Рис. 72

Рис. 73
Теперь она будет снабжена заточенными зубьями и легко перерубит корни.
Иногда участок приходится вскапывать вилами. Если при этом нужно обеспечить постоянную глубину вспашки, прикрепите к ним ограничитель (рис. 72). Его можно изготовить из двух деревянных или металлических планок с отверстиями. Расположив планки на определенном расстоянии от концов зубьев, вставьте в отверстия винты и стяните планки.
Рыхлить почву иногда лучше легкими вилами с пилообразными зубьями (рис. 73). Поскольку расстояние между зубьями у них больше, чем у граблей, работать таким инструментом гораздо легче. Рабочую часть вил для этих целей придется загнуть.
На небольших участках разрыхлить почву удобнее мотыжкой, показанной на рисунке 74. Чтобы ее изготовить, вырезают из доски закругленную лопатку и вбивают в нее по краям несколько гвоздей. Концы гвоздей заостряют напильником, ручку обстругивают и зачищают наждачной бумагой. Конструкция станет еще надежней, если поверх шляпок гвоздей прикрепить к лопатке металлическую или деревянную накладку.
Опавшие листья и различный сор на участке лучше собирать не граблями, а металлической метелкой (рис. 75). Она состоит из стальных, чуть изогнутых на концах прутков, скрепленных веером узкой перемычкой — толстым луженым медным проводом. Лучший способ крепления прутков к проводу-перемычке — пайка.
Поскольку прутки расположены близко друг от друга, они лучше метут. Кроме того, металлический веер повреждает проклюнувшиеся ростки сорняков. Таким инструментом хорошо вычищать сор и в междурядьях, п па грядках.
На больших участках собирать листву удобно складными граблями (рис. 76). Для них понадобятся ручка-шест длиной 1,6—2 м (зависит от роста человека) и две дощечки размерами 10Х 120X400 мм. Прибейте к дощечкам у одного из концов металлические петли и закрепите петли у нижнего конца шеста. Получатся гребки, способные «ходить», как крылья птицы, в обе стороны. Чтобы ограничить щель между дощечками, просверлите с внешних концов по Два отверстия и привяжите веревки длиной немногим более метра каждая. Связав их и укрепив в одном месте на шесте, получите ограничители.
Закончив работу, сложите гребки — в таком виде граблям понадобится немного места для хранения.


ТЕПЛИЦА - ЗА ЧАС


Рис. 78
Примерно столько времени пойдет на то, чтобы соорудить на участке любую из предлагаемых конструкции. При условии, конечно, что все детали будут припасены заранее.
Конструкция первой теплицы показана на рисунке 77. Толстую палку вбивают в землю и надевают па палку конический колпак из прозрачной пленки, специально предназначенной для теплиц (в крайнем случае можно использовать обычную прозрачную полиэтиленовую пленку). Края колпака закрепляют камнями или специально сделанным тяжелым кольцом. Теперь можете сажать в землю под колпак рассаду.
Несколько таких теплиц-колпаков диаметром по метру или более позволят на значительной площади выращивать теплолюбивые растения. А когда наступит настоящее лето и земля хорошо прогреется, колпак можно снять.
Более сложная теплица, показанная на рисунке 78, потребует прежде всего брусьев. Из них сбивают раму и вращают ее в землю. Далее па раму устанавливают каркас, который можно собрать из деревянных реек или негодных водопроводных труб.
Боковины и откосы теплицы закрывают прозрачной пленкой. Здесь удобнее соорудить из пленки подобие школьных географических карт, сматываемых на круглые палки. Тогда теплицу можно будет закрывать по частям и при необходимости быстро открывать.

Рис. 79
КАК ПОВЫСИТЬ УРОЖАЙ
Оказывается, рассаде небезразлично, какой водой поливают почву. К примеру, водопроводная вода беднее по составу, чем дождевая. Значит, нужно стараться поливать участок дождевой водой. А как ее запасти впрок? Самый простой способ—поставить несколько бочек у водосточной трубы п укрепить на бочке нехитрый автомат (рис. 79). Пока уровень воды мал, желоб опрокинут внутрь бочки. По мере наполнения бочки конец желоба всплывает и наклоняется в сторону стоящей рядом пустой бочки. Вода течет в следующую бочку. .
Автомат изготавливайте следующим образом. Сначала сбейте две доски длиной по 600 мм и шириной по 100 мм под углом друг к другу. К одному из торцов желоба прибейте деревянную планку, конец которой должен быть на 50 мм ниже желоба. Между выступающим концом планки и основанием желоба прикрепите поплавок из доски шириной 150 мм и длиной 250 мм. На расстоянии 240 мм от планки просверлите в стенках желоба отверстия, пропустите через них ось (деревянный или металлический стержень) и наденьте на ось стойки с прорезью. Теперь автомат можно укрепить на бочке.
Если установить такие автоматы на нескольких бочках, выстроенных в ряд, дождевая вода быстро заполнит их. Следует помнить, что каждая последующая бочка должна быть расположена несколько ниже предыдущей. Иначе автомат не будет работать.
Можно обойтись и без автоматов, если воспользоваться отрезками водопроводных труб и резиновых шлангов. Тогда в первой бочке укрепляют вверху отрезок трубы и соединяют его шлангом с соседней бочкой (просто опускают шланг в бочку), а потом со следующей.
Внизу каждой бочки желательно установить водопроводный кран и при необходимости соединять его резиновым шлангом с разбрызгивателем. Напор воды внизу бочки достаточен, чтобы таким образом поливать участок.
А знаете, как лучше увлажнять почву? Водяными струйками в виде душа, падающими с небольшой высоты. Как во время дождя. Воды нужно столько, сколько почва легко и полностью впитает. Лужи не должны оставаться. Иначе растения рискуют вымокнуть. Вот почему участок лучше всего поливать лейками пли пользоваться передвижным «душем», показанным на рисунке 80.
Для изготовления установки понадобится прежде всего отрезок водопроводной трубы (5) с резьбой на концах. На один конец трубы наворачивают переходники стыкуют его с водопроводным шлангом. Другой конец вставляют в брусок (4), надевают на трубу фланец (2) и прикрепляют его к бруску. Конец трубы закрывают наглухо пробкой (1), а чтобы через пробку не протекала вода, ее покрывают масляной краской или обматывают конец трубы вместе с пробкой изоляционной лентой. К бруску прикрепляют сбоку деревянные колеса (3), позволяющие перевозить «душ» по участку.
Прежде чем крепить и заделывать конец трубы, в пей нужно насверлить выходные отверстия. Сначала вдоль трубы проводят три разметочные линии — па расстоянии 6—7 мм друг от друга. Затем на линиях проводят перпендикулярные штрихи через 70—80 мм.

Рис. 80
В точках пересечения сверлят отверстия, но на разных уровнях. Например, первое отверстие сверлят в точке пересечения штриха с нижней линией, следующее — на пересечении второго штриха со средней линией и так далее. Одним словом, каждое последующее отверстие должно располагаться па линии выше или ниже предыдущего. По окончании работы немного раззенкуйте отверстия сверху и удалите из трубы металлические опилки.

Рис.81
Немало хлопот доставляют плодовые деревья, корневая система которых залегает близко к поверхности почвы. Ведь в жаркую погоду верхний слой земли быстро сохнет и приходится обильно поливать деревья. Экономно подавать воду на нужную глубину поможет приспособление, показанное на рисунке 81. Понадобится отрезок водопроводной трубы длиной около метра и водопроводный кран. На одном конце трубы нарезают резьбу для крепления крана, а на другом делают срез под углом. К срезу припаивают заглушку. На длине примерно 200—300 мм от среза сверлят в трубе 3-миллиметровые отверстия — через них вода будет поступать в почву.
Воткнув трубу в землю, подключают к крану шланг и подают воду. Через некоторое время воду отключают, трубу вынимают и переносят к другому плодовому дереву или кустарнику. Периодически нужно прочищать отверстия трубы и удалять из нее грязь (придется снимать с трубы край).
И еще о воде. Вы, наверное, слышали выражение «омагниченная вода». Это самая обыкновенная вода, прошедшая обработку в магнитном поле. В магазинах продают даже специальную насадку к водопроводному крану. Хотя магнит в ней и не слишком сильный, вода приобретает полезные свойства. От нее, например, нет накипи на стенках посуды. Но самое главное — что омагниченная вода стимулирует рост растений! Если, скажем, поливать ею сначала семена помидоров, высаженные в ящик с грунтом, а затем рассаду, то выращенные плоды будут размером с небольшой арбуз.

Эксперименты с омагниченной водой проводятся недавно, и не все в этой проблеме еще ясно. Но факт остается фактом — омагниченная вода повышает урожай.
Для получения омагниченной воды хорошего качества нужен очень мощный магнит. Между его полюсами устанавливают змеевик из немагнитного материала и пропускают воду. Но вряд ли вы сможете достать такой магнит. Поэтому соберите установку, в которой вместо постоянного магнита работает электромагнит.
Схема этой установки приведена на рисунке 82. Она содержит понижающий трансформатор Т, первичную обмотку которого включают в сеть переменного тока напряжением 220 В, а со вторичных снимают переменное напряжение на выпрямитель. Причем если переключатель S2 находится в показанном па схеме положении, на выпрямитель поступает напряжение лишь с обмотки II и выходное напряжение выпрямителя минимальное. Если же подвижный контакт переключателя . будет в среднем положении, напряжение на выпрямитель поступает с последовательно соединенных обмоток II и III. А в нижнем положении подвижного контакта переключателя на выпрямитель работают все три вторичные обмотки и на выходе выпрямителя максимальное напряжение.
Выпрямитель собран на четырех диодах, включенных по так называемой двухполупериодной мостовой схеме. Чтобы сглаживать пульсации выпрямленного напряжения, в выпрямителе установлен электролитический конденсатор С1. А для контроля режима работы установки выпрямитель снабжен вольтметром PV1 на 15 В и амперметром РА1 на 10 А.
Понижающий трансформатор намотан на железе Ш25, толщина набора 40 мм. Его обмотка I содержит 1100 витков провода ПЭВ-1 0 0,35 мм, обмотка 11 — 60 витков ПЭВ-1 0 1,5 мм, обмотки III и 1У — по 8 витков такого же провода.
Переключатель может быть ЗПЗН (галетный) или любой другой, па три положения, с одной или несколькими платами. Конденсатор — К50-6 или другого типа, емкостью не менее 2000 мкФ на напряжение не ниже 15 В. Его можно составить из нескольких конденсаторов меньшей емкости, соединенных параллельно. Сумма емкостей конденсаторов должна быть не менее указанной. Выключатель и предохранитель — любой конструкции.
Детали выпрямителя можно разместить в металлическом или деревянном корпусе подходящих габаритов (рис. 83). На лицевой стенке корпуса устанавливают измерительные приборы, переключатель и выключатель, на задней — предохранитель. Шнур питания с вилкой на конце выводят через отверстие в задней стенке. Кроме того, на лицевой стенке крепят выходные зажимы выпрямителя, к которым подключают выводы катушки электромагнита.
Катушку можно намотать на отрезке водопроводного шланга длиной 150—200 мм. Примерно посередине отрезка устанавливают на расстоянии 50 мм друг от друга две стальные щечки толщиной 2—3 мм. Между ними размещают обмотку— 1000 витков провода ПЭВ-1 0 0,8 мм (рис. 84). Провод наматывают виток к витку. Всего придется уложить около 15 слоев, поэтому высота намотки составит примерно 12 мм. Исходя из этого, а также учитывая диаметр шланга, определите размеры щечек.


Рис. 84
Как вы, наверное, поняли, воду пропускают через отрезок шланга, предварительно включив выпрямитель. Отрезок шланга устанавливают с помощью переходников между краном бочки с водой и поливочным шлангом. Если же вы поливаете участок вручную из лейки, поступите иначе — укрепите над ней отрезок шланга с катушкой, вставьте в шланг воронку и заливайте в нее воду. Наполнив лейку, выключите выпрямитель.
Магнитное поле изменяют в некоторых пределах регулировкой напряжения, подаваемого с выпрямителя на катушку электромагнита. Расширить пределы изменения поля можно с помощью автотрансформатора. В этом случае к выходным гнездам автотрансформатора подключают выпрямитель, а сам автотрансформатор включают в сеть.
Давать точные рекомендации по параметрам магнитного поля трудно, поскольку степень омагниченности воды зависит и от ее химического состава, и от скорости прохождения через установку, и от колебаний сетевого напряжения. Единственный выход в ваших условиях — экспериментировать, чтобы добиться лучших результатов. Но при любой степени омагниченности вода окажет благотворное влияние на растения вашего участка.

Рис. 88
СОБИРАЕМ УРОЖАЙ
И вот урожай созрел. Нужно его собирать. Понадобятся, конечно, корзины, ведра, ящики под огурцы, помидоры, картофель. Пригодятся и несложные приспособления для сбора ягод и фруктов, с которыми мы сейчас познакомимся.
Вот, к примеру, ящик с секциями для сбора ягод (рис.85). Каждый сорт ягод удобно складывать в отдельную секцию. Его сколачивают из фанерных или дощатых планок шириной по 70—80 и толщиной по 10-12 мм. Дно ящика и перегородки вырезают из фанеры толщиной 5—6 мм. К боковым стенкам ящика прибивают две стойки, между которыми укрепляют круглую деревянную ручку.
Вооружившись ковшиками, изображенными на рисунке 86, можете смело отправляться на сбор крыжовника— его колючие ветки теперь не поранят ваших рук.

Рис. 86
Первый ковшик изготавливают целиком из полоски жести, Сначала вырезают из полоски заготовку, а затем выгибают стенки черпака и спаивают их. Конец ручки закручивают трубочкой.
Производительность работы с таким ковшиком небольшая, и им удобно пользоваться, если нужно собрать урожай с двух-трех кустов крыжовника. Если же крыжовника больше, сделайте другой ковшик, с более вместительным черпаком. В этом случае черпак — в виде баночки с отбортованными краями (это придаст жесткость конструкции). К переднему борту баночки припаивают изогнутые штырьки из проволоки 0 2—Змм (в крайнем случае можно заменить обрезанными скрепками). Чтобы ковшиком удобно было пользоваться при сборе ягод в глубине куста, изготовьте для него удлинитель, который надевается на ручку. А еще лучше взять два таких ковшика — один с короткой рукояткой, позволяющей собирать ягоды на краю куста, другой — с длинной рукояткой.
Как сорвать яблоко? Вы, наверное, удивитесь этому вопросу. И тем не менее сорвать яблоко не так просто, особенно если дерево высокое, а лестницы-стремянки поблизости нет. Некоторые из вас в таких случаях трясут или сбивают яблоки палкой. Но ведь от этого плоды бьются и становятся непригодными для длительного хранения.
Предлагаем вам изготовить приспособление, показанное на рисунке 87. Для него понадобятся два длинных деревянных бруска, три-четыре оконных петли да две консервные банки.
Бруски хорошо обстругайте и скрепите петлями так, чтобы они хорошо сходились и легко поворачивались. Сбоку к брускам прикрепите ручки па разной высоте — так удобнее пользоваться приспособлением. У каждой консервной банки отрежьте крышку и заострите напильником края среза. Банки прибейте к концам брусков так, чтобы срезанные края плотно прилегали друг к другу при сомкнутых брусках. Раскройте бруски и захватите яблоко, чтобы оно оказалось между банками. Сомкните бруски—и острые края банок, словно ножницы, срежут плодоножку яблока.

В другой конструкции (рис. 88) для срезания яблок применен секатор. На конце длинного шеста секатор укреплен так, чтобы его рукоятку можно было соединить шпагатом или прочной бечевкой с рычагом внизу шеста. Под секатором к шесту прикреплена резиновая воронка (например, отрезок резинового мяча), а к ней пришит длинный сетчатый рукав (его можно сшить из ткани). Подведя воронку под яблоко, нажимают на рычаг—и секатор перекусывает плодоножку. Из воронки плод скатывается по рукаву вниз.
Если предложенные приспособления для сбора фруктов покажутся сложными для вас, изготовьте более простое (рис. 89). К концу длинной палки прибита консервная банка с прорезями определенной ширины — 5— 7 мм. Края прорезей можно немного заточить, чтобы оли были острее. Подняв приспособление вверх, зацепляют банкой плод так, чтобы его плодоножка оказалась в прорези. Остается повернуть банку вокруг оси — и плодоножка переломится или перережется.
Аналогичное по принципу действия устройство показано на рисунке 90. Здесь к длинной палке или шесту прикреплен под углом своеобразный нож — полоска толстого листового металла с вырезом и заостренными его краями. Немного ниже размещен плодоприемник, представляющий собой небольшой мешочек из сетки или прочной ткани. Нож прикладывают вырезом к плодоножке и резким движением обрезают ее. Плод падает в мешочек.
Возможно, вы все же будете собирать, скажем яблоки, в корзину, стоя на стремянке. Как только корзина наполнится, придется каждый раз спускаться с нею, чтобы высыпать плоды. Облегчить эту задачу и повысить производительность работы поможет приспособление, показанное на рисунке 91,— корзина с «секретом».
Ко дну корзины прикрепите прочную бечевку достаточной длины. Второй конец бечевки привяжите к верхней перекладине стремянки или лестницы. На некотором расстоянии от конца веревки привяжите крючок.

Рис. 91
Как только корзина будет наполнена, зацепите крючок за ручку и спускайте корзину. Когда она коснется земли, ослабьте веревку и снимите крючок с ручки, а затем потяните за веревку. Корзина перевернется, фрукты высыплются. Можно вновь поднимать корзину вверх.
ОВОЩИ И ФРУКТЫ - КРУГЛЫЙ ГОД
Предлагаем несколько простых советов заготовки на зиму овощей и фруктов.
Квашеная капуста. Приготовить ее несложно. Сначала нужно очистить кочаны от зеленых и загрязненных листьев, вырезать кочерыжку и нашинковать кочан мелко или изрубить. Затем нарезанную капусту перемешивают с мелко нарезанной морковью и солью, пока соль полностью не растворится в капустном соке. На 10 кг нашинкованной капусты берут примерно 300 г моркови, 250 г соли. Хорошо добавить в капусту антоновские яблоки (8—10 штук), бруснику или клюкву.
Далее укладывают капусту в кадку, бочонок, банку или кастрюлю, на дно которых предварительно настилают чистые капустные листья. Каждую порцию капусты трамбуют. Сверху кладут зеленые капустные листья, накрывают их тканью, а затем прикрывают деревянным кругом. На круг накладывают гнет (обыкновенный камень или булыжник, очищенный от грязи и вымытый в кипятке) такого веса, чтобы капуста осела и покрылась рассолом. В рассоле и происходит процесс брожения, капуста заквашивается. При комнатной температуре 16—18° на это уходит дней десять. И все эти дни нужно внимательно следить за «поведением» закваски. Как только появятся пузырьки, капусту следует проткнуть чистой палкой до дна, чтобы вышли газы. Появляющуюся сверху пену удаляют.
В процессе брожения капуста должна приобрести желтый цвет, похрустывать на зубах. Рассол же из мутного становится прозрачным.
После того как капуста перестанет пениться, надо снять и обмыть груз, ткань, круг и сверху на капусту положить свежие листья. Готовую капусту надо все время держать под гнетом, покрытым рассолом. А место хранения выбрать попрохладнее. Даже в замороженном состоянии она сохраняет свой вкус. Надо только помнить, что употреблять ее следует сразу после оттаивания.
Квасить небольшое количество капусты (5—10 кг) можно в стеклянных, фаянсовых и глиняных банках, а также в эмалированной посуде с абсолютно целой эмалью. Способ квашения тот же.
Соленые огурцы. Сначала огурцы сортируют по размерам и тщательно моют. Если огурцы давно сняты с грядки, их лучше предварительно замочить в воде на 5—7 ч. Затем овощи укладывают в бочку, ведро или кастрюлю плотными рядами, пересыпая укропом, черносмородиновыми или вишневыми листьями, кусочками чеснока и хрена. Заливают огурцы шестипроцентным рассолом (60 г соли на 1 л воды), а чтобы они не всплывали, кладут гнет небольшой массы.
В последние годы распространена засолка огурцов в банках. В этом случае огурцы кладут вместе с пряностями в подготовленные банки, заливают рассолом и оставляют на 12 суток для предварительного брожения. После этого банки доливают профильтрованным рассолом, пастеризуют (выдерживают при температуре примерно 85° в течение 30—45 мин.) и закатывают крышки. -
На литровую банку понадобится 650 г огурцов, 25 г укропа, 2 зубка чеснока, щепотка острого перца, по 4 листика дуба и смородины, 450 г воды, 35 г (столовая ложка) соли, кусочек хрена.
А вот рецепт малосольных огурцов. На дно хорошо промытой эмалированной кастрюли емкостью 4—5 л кладут примерно 25 г ароматической зелени (укроп, сельдерей, петрушка, листья черной смородины), 5 г хрена, 1—2 зубка чеснока, немного красного горького перца. Затем укладывают подготовленные огурцы и сверху снова столько же зелени, хрена, чеснока и перца. Все это заливают прокипяченным в течение 3—4 мин. и охлажденным рассолом (50 г соли на каждый литр воды), закрывают тканью и выдерживают при комнатной температуре 3—4 дня. Когда рассол приобретет приятно-кисловатый вкус, покрытие снимают, рассол сливают в другую посуду, а огурцы хорошо промывают охлажденной кипяченой водой и укладывают в банку со свежей зеленью. Слитый рассол кипятят (образующуюся пену снимают) и тут же заливают им огурцы, не доливая до края банки 3—4 см. Банку закрывают прокипяченной крышкой и ставят ее в кастрюлю с горячей (50—60°) водой на слабый огонь — стерилизовать. Литровые банки прогревают 15 мин., трехлитровые — 20—25. Затем герметически закупоривают банку и ставят вверх дном. В банке рассол сначала будет мутным, но потом осветлится.
Солить можно и зеленые помидоры. Пригодны плоды любого сорта и формы, но не слишком мелкие. Сначала плоды тщательно промывают, а затем укладывают в банки. Сюда же кладут пряности и травы — укроп, чеснок, хрен, стручковый перец—в измельченном виде. На каждые 10 кг помидоров нужно 300 г укропа, 30 г чеснока, 50 г хрена (коренья) и 10 г горького стручкового перца. Можно еще добавитьлистья хрена, черной смородины, петрушку, сельдерей. 'Затем заливают банки рассолом, составленным из расчета 700 г соли на 10 л воды. Перед заливкой рассол процеживают через ткань. Банки сверху тоже прикрывают тканью и оставляют в теплом месте на 2 дня, а затем переносят в прохладное помещение — здесь их еще 10—15 дней не закрывают крышками. За это время брожение закончится, и банки можно закатать крышками.
Красные помидоры обычно маринуют. Причем помидоры подбирают одинаковые по размеру и спелости. Перезревшие, мягкие, а также очень крупные отбраковывают. Помидоры укладывают вместе с зеленью (ее состав может быть таким же, что и для предыдущего рецепта) в банки и наполняют их горячей заливкой из литра воды, двух столовых ложек соли и ложки сахара. Затем добавляют 1,5—2 столовые ложки 9-процентного уксуса. Закрывают банки крышками и помещают их в кипящую воду: литровые—на 10 мин., трехлитровые— на 12—15. Следует помнить, что помидоры при этом не растрескаются, если в них перед укладкой в банки сделать прокол в месте расположения плодоножки (саму плодоножку, конечно, удаляют).
И в заключение — о заготовке яблок. Довольно кислые и . крепкие, как антоновка, анис, можно замочить в небольшой кадке, дно которой устилают листьями черной смородины или вишни. Яблоки перебирают и обмывают водой. На листья укладывают один слой яблок плодоножками кверху, а на них насыпают без укладки яблоки до половины кадки и кладут поверх слой листьев. Затем следует слой яблок плодоножками кверху, на который вновь насыпают яблоки, заполняя кадку. Верхний слой яблок прикрывают листьями.
После этого яблоки заливают раствором. Его готовят из расчета 400 г сахара (или 600 г меда) и 50 г соли на 10 л воды. Или 200 г ржаной муки, 250 г сахара, 50 г соли на такой же объем воды. Ржаную муку предварительно заливают кипятком, хорошо размешивают, дают отстояться и процеживают. Поверх яблок кладут деревянный круг с гнетом и ставят кадку в холодное место. В первые 3—4 дня яблоки будут впитывать много влаги, поэтому кадку придется доливать холодной водой так, чтобы уровень жидкости на 3—4 см был выше круга. Через 30— 40 дней яблоки готовы к употреблению.
Можно также разложить яблоки в банки, залить их раствором и поставить на 8—10 дней для брожения в помещение с температурой 22—25°. Как только пена спадет и перестанут подниматься пузырьки, банки доливают раствором и закатывают. Хранить моченые яблоки лучше всего в месте, защищенном от прямых солнечных лучей, при температуре не выше +15° и не ниже —6°.
Несложно заготовить компот из яблок. Выбирают только твердые плоды, потому что слишком мягкие развариваются. Яблоки режут на половинки и четвертинки и удаляют сердцевину. Далее готовят сироп из сахара. На килограмм яблок берут 450—550 г сахара и 1 л воды. Воду заливают в кастрюлю, подогревают и засыпают сахарный песок, перемешивая его до полного растворения. Затем воду с сахаром доводят до кипения, после чего процеживают. Сироп готов.
Подготовленные дольки яблок укладывают в тщательно вымытые и ошпаренные кипятком банки, оставляя сверху 1,5—2 см свободного пространства. Заливают в банку сироп с температурой 90—95°. На пол-литровую банку обычно требуется 200 г сиропа, на литровую — 350—400. Каждую банку ставят в кастрюлю, на дне которой уложена прокладка, например дощечка, чтобы банка не лопнула. Заливают в кастрюлю воду до верхнего уровня содержимого банки и кипятят ее — это процесс стерилизации. Продолжительность стерилизации с момента закипания для пол-литровых банок—15— 20 мин., литровых — 20—25 мин., трехлитровых — 30—40 мин. По окончании стерилизации банки осторожно вынимают из кастрюли и сразу же закрывают крышками с помощью ручной закаточной машинки.
ПОПРОБУЙТЕ —ЭТО ВКУСНО!
Из черствого хлеба. Если хлеб успел зачерстветь, ни в коем случае пе выбрасывайте его. Попробуйте, например, приготовить гренки с желтками. Снимите корку с пшеничного батона, нарежьте его толстыми ломтнка-ми и выдавите в них большим стаканом кружочки. В середине каждого кружочка сделайте углубление дном меньшего стакана. Кружки обмакните в растопленное сливочное масло, в углубление выпустите сырые яичные желтки, посолите, посыпьте перцем и поставьте в духовку. Подрумяненные гренки с поджаренным желтком подавайте на стол горячими. На 200 г хлеба понадобится 3 столовые ложки сливочного масла и 3 желтка.
А вот запеканка из ржаного хлеба. Поджарьте на масле натертый ржаной хлеб и уложите его в форму слоями, перемежая фруктовым пюре или вареньем. Можно добавить промытый изюм. Залейте все это смесью из взбитых сливок и молока и запекайте.
Черствый ржаной хлеб нужно натереть на терке, поджарить на сливочном масле и подавать на стол с вареньем или взбитыми сливками.
Вы любите омлет? Тогда вам понравится следующий рецепт. Замочите пшеничный хлеб в молоке и разомните его. Начните с небольшой порции — 200 граммов. Запаситесь молоком (250 г), яйцами (6 шт.), сыром (200 г), сливочным маслом (40 г). Половину яичных белков взбейте, остальные белки и желтки добавьте в хлеб и опять хорошо взбейте. Всыпьте тертый сыр, посолите (по вкусу), помешайте, добавьте взбитые белки и вылейте на горячую сковородку, смазанную жиром. Запеките в духовке.
Если добавить к батону белого хлеба 0,5 л молока, столовую ложку масла, полстакана изюма и 3—4 яйца, можно сделать кекс. Хлеб без корки натрите на терке, положите в кастрюлю, залейте молоком и дайте постоять 30—40 мин. Затем размешайте, чтобы получилась однородная масса. Желтки разотрите с сахаром, а белки взбейте, все это соедините с хлебной массой, добавьте столовую ложку распущенного сливочного масла и изюм. Выложите в формочки и выпекайте в духовке.
Следующий рецепт — торт. Очищенный от корок белый хлеб натрите на терке и поджарьте немного на сливочном масле. Пока он будет остывать, взбейте в пышную пену сливки с сахаром. Жареный хлеб выложите на тарелку, сверху положите сливки и полейте вареньем.
На 200 г хлеба здесь понадобится 30 г сливочного масла, 200 г сливок, 200 г сахарного песку, 30 г варенья.
Из помидоров. Помидоры годятся не только для салатов и борщей. Из свежих помидоров можно приготовить множество нехитрых, но вкусных блюд. Самое несложное— бутерброд. Кусочек черного хлеба с маслом покрывают кружочками подсоленного помидора.
Если вы ждете гостей, попробуйте приготовить помидоры, фаршированные мясным салатом,— это вкусная закуска. Приготовленный фарш (вареное мясо и картофель, соленые огурцы) заливают майонезом и соусом «Южный» п укладывают в «выдолбленный» помидор. Верхушку украшают крутыми яйцами и зеленью.
Из горячих вторых блюд можно рекомендовать помидоры на сковороде. Отберите несколько (неперезрелых) помидоров, нарежьте кружочками и обжарьте на сливочном масле с двух сторон (сковорода должна быть основательно нагрета). Это блюдо хорошо подать с жареным картофелем.
Из свеклы. Свекла с чесноком. Отваривают две свеклы в кожуре, очищают, натирают на терке, солят, посыпают перцем, добавляют растертый чеснок (3—4 зубка), заливают майонезом (100 г) и перемешивают. Свекла, фаршированная яблоками, рисом и изюмом. Отваривают свеклу в кожуре (600 г на 4 порции), очищают и удаляют сердцевину — теперь опа похожа па чашечку. Из риса (60 г) варят рассыпчатую кашу, добавляют сахар (20 г), яйцо, изюм (100 г), мелко нарезанные яблоки (300 г) и растопленное масло (60 г). Все хорошо размешивают, начиняют свеклу, поливают сметаной (80 г) и запекают. Это блюдо подают со сметаной (120 г).
Икра из свеклы. Испеките 500 г свеклы, охладите, очистите и натрите на терке. Смешайте с натертой на терке головкой репчатого лука. Посолите и поперчите по вкусу. Добавьте чайную ложку сахарного песку, 2 столовые ложки томатной пасты, все перемешайте, выложите на сковороду и жарьте на медленном огне на подсолнечном масле в течение 30 мин.
Из яблок. Печеные яблоки. Возьмите несколько свежих яблок, вымойте их, вырежьте сердцевину и заполните отверстия сахаром или вареньем. Выложите яблоки на противень, подлейте немного воды и запекайте в духовом шкафу примерно 15—20 мин. Яблоки подавайте со взбитыми сливками, сиропом от варенья.
Яблочный торт. Понадобится 500 г яблок, 300 г масла или маргарина, по стольку же сахара, сметаны и муки, 3 яйца, половина чайной ложки соды. Масло с яичными желтками и 100 г сахара нужно растереть до получения пышной массы. Положить сметану (размешав в ней соду) и муку. Вымесить тесто до густоты сметаны, переложить в форму и поставить в духовой шкаф для выпечки. Очищенные от кожуры яблоки разрезать на дольки одинаковой величины и поварить 3 мин, в подслащенной воде, вынуть и дать стечь жидкости. Взбить в густую пену белки с сахаром. Вынуть из духовки корж и охладить, разложить сверху яблоки и залить взбитыми белками. На 15 мин. поставить торт в слабо нагретую духовку, чтобы белки подсохли.
Обычно яблочную кожуру и сердцевину — а они содержат много полезных веществ — выбрасывают. Между тем из них можно сварить вкусное желе.
В эмалированную посуду выкладывают имеющиеся остатки (яблоки должны быть вымыты, гниль удалена) и заливают их до половины водой. Закрыв посуду крышкой, варят на слабом огне около 2 ч. Затем выливают массу в сито и оставляют на ночь. На следующий день сок переливают в эмалированную посуду (осадок оставляют) и варят желе.
На 1,5 л сока кладут 1 кг сахара, перемешивают, чтобы полностью растворился, и варят, пока сок не станет красивого розового цвета и с ложки не станет падать крупной тяжелой каплей. Горячую массу разливают в небольшие стеклянные банки и закрывают крышками или целлофаном.
Из апельсиновых корок. Знаете ли вы, что в кожуре апельсина почти вдвое больше витаминов, чем в мякоти? А как порою вы поступаете с кожурой? В лучшем случае сушите, чтобы использовать как добавку к самодельным кондитерским изделиям. В то же время из апельсиновых корок можно приготовить вкусный напиток. Замочите на ночь корки от пяти-шести апельсинов в кипяченой воде. На следующий день вскипятите 3 л воды и остудите ее. В 1 л растворите 2 стакана сахарного песку и 2 чайные ложки лимонной кислоты. Замоченные корки пропустите через мясорубку и отожмите полученную массу через марлю. Вымоченная в воде кожура потеряет присущий ей горьковатый привкус. Выделившийся сок тщательно разведите в растворе сахара и лимонной кислоты, а затем смешайте с остальными 2 л воды. Получится напиток, напоминающий по вкусу «Фанту».

6 ГЛАВА

МАСТЕРСКАЯ ПОД НАВЕСОМ
«Научился сам — научи другого!» Следуя этому девизу, наш знакомый Витя охотно делится с младшими ребятами секретами мастерства. Посвятите и вы очередной трудовой день — субботу — занятиям с малышами.
Организуйте во дворе небольшую мастерскую. Стол, табуретки да легкий навес от солнца — вот все, что необходимо для нее. Эти предметы нетрудно изготовить самим. И тогда малыши смогут вместе с вами делать из бумаги, картона, швейных катушек, спичечных коробков, кусочков фанеры и других материалов простейшие игрушки: модели самолетов, кораблей, автомобилей. Их описания приведены в этой главе.
Желаем, чтобы ваша мастерская со временем превратилась в дворовый клуб юных умельцев.

СКЛАДНОЙ СТОЛ
Внешне он ничем не отличается от обыкновенного чемодана (рис. 92). Но стоит раскрыть его и укрепить ножки, как чемодан превращается в удобный стол. Внутри такого чемодана можно хранить инструмент, заготовки для работы, складные стульчики и другие подсобные материалы.
Для изготовления чемодана понадобится фанера толщиной 8—10 мм. Из нее вырезают боковые стенки и донышки. Скрепляют их между собой любым доступным способом — на клею, с помощью шипов по углам заготовок или металлическими уголками. Половинки чемодана должны быть одинаковых размеров, чтобы поверхность стола, образованная донышками раскрытого чемодана, была ровной.
К одной из половинок сбоку приделывают ручку. Половинки соединяют металлическими петлями. Для более прочного крепления петель напротив них внутри чемодана укрепляют деревянные накладки. Чтобы чемодан при переноске не раскрывался, на нем устанавливают два замка. Ножки — из деревянного стержня диаметром 20—25 мм и длиной 600—610 мм. Внутри чемодана в его углах укрепляют по два деревянных брусочка и по. планке треугольного сечения между ними. В эти приспособления вставляют ножки, когда чемодан раскрыт. Когда же его раскладывают, ножки прикрепляют к одной из стенок чемодана ремешками. Снаружи чемодан желательно покрыть лаком или оклеить декоративной пленкой, моющимися обоями.
ПРОСТОЙ СТУЛЬЧИК
Он тоже складной (рис. 93). Для него понадобятся две планки; вырезанные из толстой (10—15 мм) фанеры, п немного плотной материи — она служит сиденьем. Материю можно прикрепить к планкам металлическими накладками. Достаточно вставить выступ одной планки в паз другой и поставить планки крест-накрест — стульчик готов. В сложенном состоянии такая конструкция занимает совсем немного места. В нашем складном чемодане разместится несколько стульчиков.

Рис. 93
НАВЕС ОТ СОЛНЦА
Для сооружения простого навеса (рис. 94) понадобятся прежде всего четыре стойки из палок или металлических трубок. Вверху каждой стойки укрепляют держатель — металлическую полоску, изогнутую в виде буквы П. В держатели каждой пары стоек вставляют короткую планку — деревянную или металлическую В итоге получается двое «ворот».

Еще две планки, но более длинные, снабжают передвижными держателями — хомутиками из металлических полосок. С их помощью длинные планки соединяют с короткими — получается перекрытие. Остается натянуть сверху ткань соответствующих размеров, прикрепить ее резиновыми колечками к концам планок — и навес готов.
«А к чему крепить стойки?» — спросите вы. Лучше всего — к ножкам складного стола, привязав каждую стойку в двух-трех точках. Если же найдете более длинные стойки и планки, можете соорудить навес попросторнее, а стойки вбивать в землю.
ПЕРВЫЕ ПОДЕЛКИ

Подставка из картона. С ее изготовления и начните практические занятия. Тем более что такая подставка (рис. 95) понадобится каждому малышу в работе—на нее можно класть кисточку, карандаши, шариковую авторучку.
Сначала вырежьте из картона заготовку нужных размеров и проведите на ней карандашом тонкие линии в местах будущих сгибов. По этим линиям сделайте перочинным ножом надрезы, пользуясь также металлической линейкой. Согните заготовку и сделайте в получившейся таким образом подставке несколько вырезов.
Можно сделать подставку и без отгибов у основания — в виде буквы Л. Но для повышения устойчивости ее придется вклеить внутрь картонную перемычку — теперь подставка примет форму буквы А.
Хлопушка. Ее лучше изготавливать из двойного листа школьном тетради (рис. 96). Сначала отгибают углы листа и складывают лист пополам углами внутрь. Потом снова отгибают внутрь, чтобы получился квадрат, и складывают лист пополам по показанной на рисунке штриховой линии. Если теперь взять получившуюся игрушку за нижний уголок и резко взмахнуть рукой сверху вниз, раздастся сильный, похожий на выстрел хлопок.

Голландская шапочка. Газетный лист складывают пополам (рис. 97) и отгибают углы со стороны сгиба внутрь так, чтобы они почти касались друг друга. Нижние края листа загибают кверху. Получится треугольник. Раздвигают треугольник в основании так, чтобы из него получился квадрат. Нижние углы квадрата загибают кверху, опять получится треугольник. Вновь складывают треугольник в квадрат и отгибают края квадрата по показанной на рисунке штриховой линии. Остается раскрыть квадрат — и шапочка готова.

Шагающий щенок. Большое удовольствие доставляют малышам «живые» игрушки, например фигурки зверей и животных, у которых двигается голова, ноги или хвост. Такую игрушку (рис. 98) нетрудно изготовить и в нашей мастерской.
Из твердого картона вырежьте силуэт щенка. Перенести рисунок на заготовку нетрудно по клеточкам, подобно тому как это делают в школе. Края фигурки слегка зачистите мелкозернистой наждачной бумагой, а затем заготовку раскрасьте — это будет туловище щенка.

Из такого же картона вырежьте передние и задние лапы и тоже раскрасьте. Они несколько необычны и похожи на четырехлопастной винт.
Передние лапы прикрепите к туловищу с помощью булавки и кусочка пробки (или резинки) так, чтобы они вращались вокруг оси (булавки) с небольшим трением. Аналогично прикрепите и задние лапы, между ними и туловищем проложите пуговицу, чтобы лапы при вращении не задевали друг друга.
Поставив игрушку на мягкую ткань, начните двигать ее. Лапы будут поворачиваться, и забавный щенок «пойдет».
Полет ракеты. Эта игрушка (рис. 99) позволит продемонстрировать удивительное свойство глаз «сливать» изображение быстро движущихся картинок. Вспомните кино — кадры па экране сменяют друг друга с большой скоростью, а у зрителя создается впечатление непрерывного движения.

Из тонкого картона или плотной бумаги вырежьте три круга 0 примерно 60 мм. На одном из них нарисуйте небо и звезды, на втором — ракету, третий — чистый. Склейте круги так, чтобы разрисованные оказались сверху. По краям кругов проколите шилом две пары отверстий. Через каждую пару отверстий пропустите прочную нить и закрутите ее. Возьмите игрушку за нити и, растягивая и отпуская их, добейтесь вращения игрушки. Создастся впечатление, что ракета «летит в космос».
ПО ЗЕМЛЕ
Контурная модель автомобиля. Кузов такого автомобиля выполнен в виде контура копируемой модели (рис. 100). Изготовление ее начните с шасси (1). Вырежьте его из фанеры толщиной 5—6 мм. Спереди и сзади сделайте боковые вырезы для колес. Затем переходите к изготовлению передней и задней подвесок (подвеска — это узел, с помощью которого колеса крепят к шасси). .
Из алюминия или жести толщиной 0,8—1 мм вырежьте два кронштейна (3) и просверлите в них отверстия под ось и крепежные винты. В качестве оси (6) используйте металлический стержень 0 4—5 мм с резьбой на концах. Если такого стержня не окажется, его нетрудно изготовить из гвоздя нужной толщины, а резьбу нарезать плашкой — дело это несложное.
Колеса (8) выпилите из толстой фанеры, доски или древесностружечной плиты. Подойдут, конечно, колеса от негодных игрушек. Еще понадобятся 4 втулки (4) и 8 гаек (5 и 7).
Начинайте сборку передней подвески. В кронштейн вставьте ось. С обоих концов наденьте на ось по втулке и навинтите по гайке. На выступающие концы оси наденьте колеса и снова навинтите по гайке. Наружные гайки располагайте на самом конце осп, а внутренние устанавливайте так, чтобы колеса были зажаты гайками и вращались вместе с осью. Втулки будут препятствовать продольному перемещению осп.
Подобным образом собирается и задняя подвеска. Обе подвески прикрепите к шасси так, чтобы колеса входили в боковые вырезы и не касались при вращении шасси.
Заключительная работа — изготовление контура (2) модели. Материал для нее — фанера толщиной 5—8 мм. На листе миллиметровой бумаги начертите контур известной вам марки автомобиля: «Волги», «Москвича», «Жигулей», «Запорожца», а затем переведите чертеж на фанеру и выпилите по контуру заготовку. Поверхность ее зачистите напильником и наждачной бумагой, отшлифуйте и покройте лаком. На боковые стороны наклейте двери, окна, радиатор, вырезанные из разноцветной бумаги, или нарисуйте их масляной краской. Контур приклейте или прибейте гвоздиками к шасси. Еще лучше сделать на контуре выступы, а в шасси — вырезы, вставить в вырезы контур и приклеить его.

Сделав несколько таких моделей, можно провести с ними соревнования. Пусть каждый «водитель» по вашему сигналу направит сильным толчком свою модель вперед. Чья модель пройдет дальше всех по прямой, тот и победитель. Сделав несколько таких заездов, можно выявить абсолютного победителя.
Если же модель станет просто игрушкой, к шасси нужно прибить небольшой гвоздик-крючок и привязать к нему бечевку.

Автомобиль с резиномотором. Эта игрушка (рис. 101) более занятна, чем предыдущая. Ведь она снабжена резиномотором и может двигаться самостоятельно. Пусть она двигается не слишком быстро и проходит всего несколько метров, важно, что с такими моделями малыши Могут устраивать интересные соревнования по скоростному преодолению заданной дистанции. В этих соревнованиях юные конструкторы не только проверят ходовые качества моделей, а заметят неточности, которые допустили во время работы.
Начнем с шасси (1). Выпилите его из фанеры толщиной 3 мм, зачистите острые края и отшлифуйте поверхность. После этого покрасьте шасси и покройте лаком.
Затем вырежьте передние и задние колеса. Причем для передних колес подойдет фанера толщиной 3 мм, для задних — 8 мм. В центре каждого колеса просверлите отверстие 0 1,5 мм. Зачистите колеса наждачной бумагой и покройте их лаком. На ободы колес наклейте полоски наждачной бумаги—модель не будет пробуксовывать во время езды.
Спереди и сзади к шасси прикрепите скобы (3) из жести от консервной банки. В их отверстия проденьте оси (4) — отрезки двухмиллиметровой проволоки. На оси плотно насадите колеса. Не забудьте в одно из задних колес вбить небольшой гвоздик без шляпки — он будет заводной ручкой. .
Еще понадобятся две небольшие катушки-ролика (2). Их можно вырезать из круглого карандаша с выбитым грифелем. Катушки размещают снизу шасси вблизи от передней и задней осей. Прибивают катушки к шасси гвоздиками так, чтобы они свободно вращались. Около передней осн, кроме того, укрепляют небольшой крючок (6), который можно изготовить, например, из канцелярской скрепки. За крючок цепляют конец резиномотора — круглую или квадратную резину (5) длиной примерно 250 мм и толщиной примерно 1 мм. Резину пропускают через катушки и прикрепляют второй конец ее к задней оси. Конец резины завязывают так, чтобы он не проскальзывал при вращении осн.
Кузов автомобиля состоит из трех деталей. Вырежьте их из ватмана или другой плотной бумаги. По показанным на рисунке штриховым линиям сделайте отгибы, с помощью которых две основные детали приклейте к шасси. Но сначала все детали окрасьте цветной тущью или акварельными красками, а после высыхания склейте так, чтобы получилась соответствующая форма кузова.
Чтобы автомобиль заставить двигаться, заводной ручкой накрутите на заднюю ось резину, поставьте модель па землю и отпустите ручку — под действием резиномотора задняя ось начнет раскручиваться, и модель устремится вперед.
В ВОЗДУХЕ

Голубь. Для его изготовления (рис. 102) понадобится квадратный лист бумаги. Лист нужно дважды перегнуть по диагонали, развернуть, а затем сложить так, чтобы получился сдвоенный треугольник, то есть два треугольника с перемычкой между ними по линии высоты. Половинки одного треугольника отгибают к середине, чтобы основания половинок совпадали с высотой треугольника. Далее эти половинки сгибают по пунктирным линиям и делают два «ушипа» — крыло голубя готово.
Вставляют внутрь крыла хвост из полоски бумаги, перегибают крыло по показанной на рисунке штриховой линии — и голубь готов к полету. Попробуйте запустить его так, чтобы он пролетел как можно дальше. Интересно, чей голубь покажет лучший результат?
Можно провести соревнования и на точность приземлений голубя. Для этого начертите па земле два круга — маленький внутри большого. На некотором расстоянии от них пустите его и постарайтесь так рассчитать полет, чтобы он приземлился внутри маленького круга. Каждый должен запустить своего голубя одинаковое число раз. Кто больше попадет в цель, тот и выигрывает.
Самолетик из спички.
Внешний вид самолетика показан на рисунке 103.
Он прост по конструкции, по необычен по форме. Не правда ли, таких самолетов вы не встречали? И все же модель неплохо летает. Корпусом ей служит обыкновенная спичка, крыло вырезают из ватманской бумаги. Спичку нужно тщательно зачистить наждачной бумагой и приклеить к крылу, после чего копчики крыльев загнуть.
Не огорчайтесь, если самолетик сразу не полетит, а начнет кувыркаться в воздухе. Значит, нужно точнее подобрать центр тяжести модели. Достигается это опытным путем. На головку спички . прикрепляйте различные по весу кусочки пластилина до тех пор, пока не добьетесь устойчивого полета самолетика. А если он летает с пластилином еще хуже, тогда нужно удалить его и срезать часть головки. Немного терпения — и самолетик станет послушным в воздухе.

Рис. 103
А может быть, вас заинтересует другая модель спиленного самолетика, изображенная на рисунке 104? Он способен летать самостоятельно, поскольку снабжен резиномоторным двигателем и воздушным винтом.
Как сделать такой самолетик, нетрудно понять из рисунка, а вот с устройством двигателя познакомимся подробнее. Спереди в спичке (3) вырезают небольшой паз, в него вставляют подшипник (2), изготовленный из мягкой проволоки (например, от выводов резисторов МЛТ), обматывают ниткой и промазывают клеем БФ. Аналогично сзади в спичке укрепляют крючок.
Винт (1) выстругивают из рейки длиной 45 мм, шириной 6 мм и толщиной 3—4 мм. В центре винта пропускают ось (5) из проволоки, один конец которой загибают и вдавливают в винт, а другой изгибают колечком. На ось надевают шайбу (4) и пропускают ось в подшипник. После этого можно закрепить между крючками две нити (6) от бельевой резины, закрутить винт на 90—100 оборотов и пустить самолетик в полет. Не забудьте, что летные качества модели и траектория его полета во многом зависят от угла отгиба крыльев и хвостового оперения. Подберите их самостоятельно, чтобы самолетик пролетел возможно дальше. Устроите соревнования этих моделей.


Рис. 105
Парашют. Эту конструкцию парашюта (рис. 105) можно сделать за несколько минут. Понадобится квадратный лист бумаги. Загнув его углы к центру, получите квадрат меньших размеров. Затем отогните концы углов — уголки — к сторонам квадрата. К уголкам привяжите нитки стропы, свяжите их концы вместе и прикрепите небольшой грузик.
Сбросив парашют, например, с балкона квартиры, можно наблюдать, как грузик будет плавно опускаться под бумажным куполом. Привязав одинаковые грузики к разным парашютам, заметьте, какой из них дольше продержится в воздухе.
ПО ВОДЕ
Кораблик с парусом. Изготовить его (рис. 106) можно из доски толщиной 10 мм. Вырежьте из нее заготовку шириной 50— 60 мм и длиной 130— 150 мм. Острым перочинным ножом обстругайте один конец заголовки, чтобы получился профиль корабля. На противоположном конце сделайте тонкий пропил и вставьте в него металлическую пластину (из алюминия или жести от консервной банки) — руль кораблика.

Примерно в центре кораблика проделайте отверстие и вставьте в него круглую палочку — мачту. Подойдет, например, негодный стержень от шариковой авторучки.
Для паруса возьмите лист плотной бумаги, проделайте в нем два отверстия и наденьте лист на мачту. Кораблик готов! Покрасьте его сверху масляной краской или покройте лаком. Спустите кораблик на воду и проверьте, как он плавает. Когда парус стоит прямо, кораблик должен плыть по прямой. Если он отклоняется от этого направления, изогните немного руль и выправьте начальный курс кораблика. В дальнейшем нужный курс устанавливайте поворотом паруса.
С такими корабликами можете устроить соревнования на неглубоком прудике или широком ручье. Дождавшись ветреной погоды, спустите на воду несколько корабликов и ориентируйте их паруса так, чтобы модели поплыли к противоположному берегу. Определите, чей кораблик быстрее достигнет конечного пункта. Возможно и другое задание — поставить на противоположном берегу флажок—«порт» и направить кораблик в его сторону. Победит тот, чей кораблик скорее других окажется около флажка.
Самоходная баржа. Если же на улице безветренная погода, устройте состязания на воде с баржами, оборудованными резиномоторнымп двигателями. Устройство такой самоделки показано на рисунке 107.

Для корпуса (1) баржи подойдет доска толщиной 10 мм. Как и в предыдущем случае один конец отрезка доски заострите, но в другом вырежьте паз — здесь будет размещаться двигатель. Он состоит из лопасти (3) (тонкая фанера или легкая металлическая пластина) и резинового кольца (2). Чтобы кольцо не соскакивало во время движения баржи, сделайте снаружи заготовки небольшие пропилы.
Наденьте кольцо па выступы паза и вставьте в него лопасть. В выемках лопасти перевяжите резину нитками (4). Закрутите лопасть на несколько оборотов и проверьте действие резиномотора. Если все в порядке и лопасть не задевает за выступы, закрутите ее настолько, чтобы резиновое кольцо натянулось. Поставьте баржу на воду. Под действием силы натяжения резины лопасть начнет раскручиваться, ударять по воде — и баржа поплывет.
Испытав такой резиномотор в работе, вы заметите, что баржа двигается небольшими рывками.
Ход ее станет плавным, если вы установите двухлопастной двигатель. Понадобятся две лопасти с пропилами посередине. Ширина пропилов должна соответствовать толщине лопасти. Скрепите лопасти между собой и наденьте на них резиновое кольцо. Перевязывать кольцо по краям лопастей совсем не обязательно, но при пуске баржи следите, чтобы лопасти были посередине паза. Иначе баржа отклонится от заданного курса.
Катамаран. Так называют судно с двумя одинаковыми корпусами, соединенными между собой вверху. Оно хорошо переносит волны и более устойчиво на воде по сравнению с другими судами. Наш катамаран (рис. 108) состоит из двух одинаковых полиэтиленовых бутылок из-под бытовых препаратов.
Изготовление катамарана начните с палубы (5). Ее размеры во многом зависят от имеющихся в вашем распоряжении бутылок. Но форму палубы и размеры ее внутреннего отверстия (оно определяется габаритами резипомотора) нужно сохранить.
Материалом для палубы служат топкая фанера, гетинакс, текстолит или другой материал достаточной прочности и толщиной около 3 мм. Наружный профиль палубы и ее внутреннее отверстие удобнее всего выпилить лобзиком. Палубу прикрепляют к бутылкам клеем или крепко привязывают леской либо суровой ниткой (для этого с обоих концов палубы сделаны выступы).

Резиномотор делают так. В пробке (4) 0 50 мм и длиной 50—70 мм прорезают четыре канавки и укрепляют в них лопасти (3) (их можно вырезать из тонкой фанеры или жести от консервной банки). Затем связывают два кольца (1) петлей из резины (2), например применяемой для авиамоделей, надевают петлю на пробку между лопастями и завязывают на резине по обеим сторонам пробки узлы. Кольца надевают на боковые выступы палубы. Резина при этом должна немного натянуться, а пробка с лопастями отстоять от краев выреза палубы на равном расстоянии.
Закрутив колесо резиномотора на несколько десятков оборотов, опустите катамаран в воду и отпустите колесо. Оно начнет раскручиваться, и лопасти будут толкать катамаран вперед.
СОВЕТЫ МАСТЕРА
Ограничитель для кисти. На ручку кисти наденьте ограничитель (рис. 109) — заколку для волос или канцелярскую скрепку. Опустив кисть на нужную глубину, передвиньте заколку (или скрепку) настолько, чтобы она опиралась на края банки. По мере расходования клея или краски не забывайте передвигать и ограничитель.

Рис. 110

Рис. 111

Устойчивое основание. Самый простой способ повысить устойчивость пузырька с тушью, чернилами или краской — увеличить площадь его основания. Здесь поможет приспособление, показанное на рисунке 110. Его вырезают из плотного картона. Пузырек вставляют между отогнутыми створками средней части основания.
Прищепка-держатель. Чтобы забить мелкий гвоздик, не поранив руку, воспользуйтесь простейшим приспособлением, изготовленным из обыкновенной деревянной прищепки (рис. 111). Часть губок прищепки срежьте ножом или спилите напильником. А чтобы держать гвозди было удобнее, пропилите в губках неглубокие пазы.
Зажимы из прищепок. Это еще одно применение деревянных бельевых прищепок (рис. 112). Как вы знаете, для склейки даже простых деталей приходится прижимать их друг к другу зажимами. Если детали тонкие, зажимами могут служить бельевые прищепки. Но порою раствор концов прищепки недостаточен, чтобы вставить между ними более толстые детали. В этом случае каждый зажим изготовьте из двух прищепок со спиленной губкой.
Расческа-циркуль. Чтобы быстро начертить окружность того или иного диаметра, совсем не обязательно пользоваться циркулем. Его вполне заменит обыкновенная расческа с отверстием на одном конце (рис. 113). Воткнув через отверстие кнопку (или булавку) и вставив между соответствующими зубьями расчески остро заточенный карандаш, можете поворачивать расческу и чертить окружность.

Рис. 113

7 ГЛАВА

ЗАНИМАТЕЛЬНАЯ ИГРОТЕКА
Вот и заканчивается наша трудовая неделя. Сегодня— воскресенье. И вам, конечно, хочется отдохнуть, развлечься. Для этого предлагаем вам построить игротеку.
Не забудьте, что играть можно не только дома с родными и близкими. Такие игры понравятся и в школьных группах продленного дня, и во дворе вашего дома.

ПАЛОЧКИ-СБИВАЛОЧКИ
В этой игре могут участвовать несколько человек. И для каждого нужно приготовить пять палочек-сбивалочек — деревянных брусочков размерами 10x10x40 мм (рис. 114). Две противоположных стороны брусочка окрашивают. Причем брусочки каждого участника должны быть окрашены в свой цвет.
Перед началом игры палочки-сбивалочки кладут в мешочек, перемешивают и высыпают на стол. Они, конечно, рассыпаются так, что одни оказываются вверх окрашенной стороной, другие — неокрашенной. Каждый участник во время своего хода подбивает пальцем (щелчком) одну из своих палочек, стараясь сбить ею со стола любую палочку другого цвета, обращенную кверху той же стороной — окрашенной или неокрашенной...
Если же стороны не совпадают, можно попытаться свою палочку перевернуть. Для этого надо нажать пальцем па конец палочки и заставить ее взлететь. Такую попытку считают за ход, независимо от того, удалось палочку повернуть кверху нужной стороной или нет. Сбитую со стола палочку противника кладут в мешочек. Если же вместе с пей упала и своя, обе палочки возвращают на стол, по поворачивают разными сторонами.
Игру заканчивают, когда на столе останется одна палочка. Владелец ее будет победителем.
ЛЕТАЮЩИЕ КОЛПАЧКИ
Как и в предыдущей игре, здесь могут участвовать несколько человек. Каждый посылает с помощью катапульты колпачок (рис. 115) в сторону мишени. В мишени 13 отверстий, и около каждого из них проставлено число очков: у среднего — 5, у окружающих его — 10, у остальных— 15. В какое отверстие попадет колпачок, столько очков и получает участник, пославший его. Выигрывает, естественно, тот, кто первым наберет обусловленное число очков, скажем 100, за одинаковое число бросков.

Рис. 115
Мишень выпилите из тонкой (3—5 мм) фанеры и насверлите в ней отверстия. Узкие стороны мишени скруглите, а в широких вырежьте пазы и вклейте в них стойки из такой же фанеры, что и мишень, пли из деревянных брусочков. Поверхность мишени отшлифуйте мелкозернистой наждачной бумагой и напишите цветным карандашом или фломастером цифры около отверстий. После этого поверхность мишени покройте лаком.
Катапульту тоже выпилите из фанеры, зачистите ее наждачной бумагой и покройте лаком. Снизу к узкой площадке катапульты приклейте конусообразную деревянную стойку. На более широкую площадку устанавливайте колпачок. Склейте его из листочка плотной бумаги или картона.
Запускают колпачок нажатием на край узкой площадки катапульты. От силы нажатия зависит дальность полета колпачка. Направление его полета зависит от того, как повернута катапульта относительно мишени. Немного тренировки — и вы сможете правильно рассчитывать силу нажатия и посылать колпачок в нужные отверстия.
КУЗНЕЧИК
Эта игра напоминает известную игру в чижика, когда лаптой ударяют по деревянной палочке со скошенными концами, поднимают ее в воздух и посылают в сторону от окна. У нашего чижика-«кузнечнка» (рис. 116), вырезанного из дерева, скошен только один конец. Сбоку на «кузнечике» проставлена цифра 1, а сверху—цифра 2. Еще для игры нужна мишень — лист картона или тонкой фанеры размерами 250x250 мм. На мишени начерчены четыре окружности из одного центра радиусом 20, 55, 84 и 110 мм.
В игре участвуют два, три или четыре человека. Сначала договариваются, до какого числа очков будет продолжаться игра. Решают, кто ходит первым. Далее ставят «кузнечик» в центральный круг цифрой 2 вверх. Ударом указательного пальца по заостренному концу заставляют «кузнечика» сделать скачок. Если он попадет в первый круг цифрой 2 вверх, то игроку, сделавшему удар, засчитывается 3 очка (1+2=3), если во второй круг — 4 очка (2+2=4), и так далее. В том случае, когда «кузнечик» упадет цифрой 2 вниз, к номеру круга, в который он попал, ничего не прибавляют. Если же часть «кузнечика» попала в один круг, а часть — в другой, засчитывают только цифру, написанную на выпавшей вверх грани. Например, если «кузнечик» упал цифрой 2 вверх, игроку засчитывают 2 очка.
Не исключено, что «кузнечик» после удара окажется за пределами мишени. Тогда игрок не только ничего не получает, но, наоборот, теряет 1 очко.
Играющие поочередно по одному разу ударяют по «кузнечику» и записывают на бумажке число полученных очков. Побеждает тот, кто первым наберет нужное число очков.
Рис. 116

МЕТКИЙ БРОСОК
Для этой игры (рис. 117) понадобятся шесть спичечных коробков. Пять из них склеивают вместе и на донышке каждого пишут цифру. Это количество очков, засчитываемое тому, кто попадает пуговицей в тот или иной коробок.
Пуговицу кладут в шестой коробок, из которого сделана катапульта. Снизу к донышку коробка приклеивают полоску картона. А к полоске приклеивают подставку из отрезка шестигранного карандаша длиной примерно 50 мм.
Катапульту ставят па некотором расстоянии от мишени п ударом по полоске подбрасывают пуговицу, стараясь попасть ею в один из коробков. Кто наберет больше очков при одинаковом числе бросков, тот п побеждает.
ИГРА В КРУЖОЧКИ
Она немного напоминает известный вам «морской бой». Здесь тоже есть игровое поле, помеченное буквами и цифрами. И тоже нужно во время игры называть координаты точки, в которой, по вашему мнению, может находиться интересующий объект. Но в отличие от «морского боя»угадывать нужно не расположение кораблей противника, а фигуру, образованную на игровом поле кружочками.

Всего понадобится два игровых поля (рис. 118), Каждое из них вырежьте из фанеры толщиной 10— 15 мм. Поверхность поля отшлифуйте мелкозернистой наждачной бумагой и расчертите карандашом. Линии обведите затем краской или фломастером. Выделите точки пересечения. Вертикальные линии обозначьте буквами, а горизонтальные — цифрами. Покройте игровое поле бесцветным лаком, а когда он высохнет, вбейте в центры точек гвоздики со спиленными шляпками.


Ряс. 118
По краям поля наклейте планки, выпиленные из тонкой фанеры. Сверху их можно покрыть цветной эмалью.
Готовые игровые поля скрепите металлическими петлями. Теперь поля можно расставлять под нужным углом относительно друг друга. А чтобы они не могли случайно раскрыться в горизонтальное положение, сбоку в каждое поле вбейте по гвоздику и заготовьте распорную планку из фанеры — ее во время игры будете навешивать на гвоздики.
Еще понадобятся разноцветные кружочки, которые нужно вырезать из картона и раскрасить. Одни кружочки (их 10) должны быть 0 30 мм и окрашены в желтый цвет. Другие кружочки (их тоже 10)—0 20 мм, они окрашены в красный цвет. Такого же диаметра и третьи кружочки (их 24) — синие. В центре каждого кружочка проделайте отверстие, чтобы кружочки можно было вешать на гвоздики игрового поля.
Играют вдвоем. У каждого — половина кружочков разного цвета. Из больших кружочков на поле выкладывают прямую линию или геометрическую фигуру: треугольник, квадрат, параллелограмм. Делают это так, что-бы противник не догадался по движениям руки о выкладываемой фигуре.
Задача играющих — как можно быстрее разгадать выложенную противником фигуру. Для этого каждый во время своего хода называет координаты какой-либо точки, например 26. Если противник говорит «угадал», на гвоздик в этой точке вешают красный кружок. При промахе сюда же вешают синий кружок. Как и в «морском бое», после нескольких удачных ходов нетрудно догадаться о размещении больших кружков на поле противника.
ВОЗДУШНЫЙ ФУТБОЛ
По аналогии с обычным футболом в нашей следующей игре есть две команды, ворота, мяч. Но мяч загоняют в ворота... воздухом, точнее, струей воздуха. Ее выдувают из полиэтиленового или пластмассового флакона любых габаритов. Главное, чтобы он легко сжимался рукой и быстро восстанавливал свою первоначальную форму.
Направляя струю воздуха на мяч (рис. 119), гонят его в ворога противника. Тот же противоборствует, старается более мощными воздушными «ударами» по мячу не только отогнать его от своих ворот, но и направить в противоположный конец поля. Как только удастся загнать мяч в те или иные ворота, счет игры, естественно, изменяется, и мяч устанавливают в центре поля. Каждая команда может состоять из одного, двух или трех человек.
Мяч в нашем футболе необычный. Он изготовлен из плотной бумаги, например чертежной. Сначала на заготовке чертят циркулем три окружности 0 40 мм, а внутри их проводят окружности диаметром, вдвое меньшим. По большой окружности вырезают из заготовки кружки и помечают их карандашом цифрами 1, 2 и З это поможет правильно собрать из кружков мяч.
В кружке 1 делают четыре надреза между окружностями, в кружке 2 — две диаметрально (и перпендикулярно друг другу) расположенные прорези внутри малой окружности, в кружке 3 — два надреза между окружностями и одну диаметральную прорезь внутри малой окружности.

Собирают мяч так. У кружка 1 сгибают к центру кончики сектора. Пропускают эту часть в прорезь кружка 3 и распрямляют кружок 1. Затем сгибают к центру кончики секторов обоих кружков и пропускают эту часть кружков в прорези кружка 2. Расправляют отгибы — и мяч готов.
Ворота можно спаять из отрезков медной проволоки. Причем сначала изготавливают боковые стойки, а затем припаивают между ними перекладины. Между перекладинами можно натянуть сетку. Чтобы ворота стояли устойчиво, во время игры на нижнюю перекладину кладут груз, например плоскогубцы.
Игровым полем может стать как обеденный стол, так и участок пола. Размеры поля, мяча и ворот произвольны — выберите их сами.
НАСТОЛЬНЫЙ БАСКЕТБОЛ
Не подумайте, что мы собираемся играть в баскетбол в квартире, да еще на столе. Наша игра (рис. 120) лишь отдаленно напоминает обычный баскетбол. Как и в настоящей игре, в ней есть кольцо с сеткой и мяч, который нужно забрасывать в кольцо. Понадобятся сноровка и меткость, чтобы при одинаковом числе бросков набрать больше очков н победить соперников.
Изготовление игры начните с «мишени» — щита с кольцом. Из фанеры толщиной 10 мм вырежьте подставку размерами 65 X 130 мм. В центре ее выпилите отверстие размерами 15 X 15 мм и закрепите в нем стойку высотой 210 мм. К верхней части стойки прикрепите щит размерами 100 Х 150 мм.
Из отрезка проволоки толщиной 2—2,5 мм согните кольцо 0 50 мм. Концы отрезка скрутите, пропустите через отверстие в щите и прикрепите к стойке. К кольцу привяжите сетку.
Для другой детали игры — катапульты — попадобится дощечка-основание размерами 150 X 30 X 20 мм. В передней части основания делают наклонный паз, в который вставляют пружинящую деревянную или пластмассовую планку. Вверху в планке вырезают отверстие и приклеивают около него перемычку из деревянной палочки. В отверстие планки вставляют шарик от пинг-понга (он дополнительно удерживается перемычкой), отводят конец дощечки вниз и отпускают. Шарик летит в сторону щита.

Кто из десяти бросков больше всех забросит мячей, тот и побеждает.
ИГРЫ-МИНИАТЮРЫ
Пуговичный «хоккей». На небольшой гладкой поверхности, например на кухонном столе, установите «ворота» (рис. 121)—приоткрытые спичечные коробки.


Расстояние между коробками должно быть не менее 600 мм. Края стола справа и слева от «ворот» будут боковыми линиями нашего хоккейного поля. Посередине между «воротами» положите на стол «шайбу» — небольшую пуговицу. Еще понадобятся две пуговицы большего размера — назовем их «клюшками». Теперь можно начинать игру.
Нажав «клюшкой» на край «шайбы», посылают ее в сторону «ворот» противника. Сразу попасть в них вряд ли удастся, но пуговица значительно приблизится к ним. Противник своим ходом делает то же самое, отбивая пуговицу от ворот. Проигрывает тот, в чьи «ворота» влетела пуговица или от чьего удара она пролетела мимо них и упала со стола. Как и в настоящем хоккее, проигравший первым посылает пуговицу-«шайбу» с центра поля в сторону «ворот» противника.
ЧУДЕСА ПРОДОЛЖАЮТСЯ
...И вот я снова на кухне. По полу разбросаны инструменты, а Витя что-то прилаживает к необычной конструкции. Звучит сигнал-свист, и из светотелефона раздается басовитый голос Мити:
— Вить, ну ты скоро?
— Сейчас, только парус прилажу к льдосипеду.
— Ты сказал «льдосипед»? — удивился я.— Что это такое?
— Вот он и есть,— указал юный конструктор на необычное сооружение.— Иначе говоря, велосипед для катания по льду. Чтобы велосипед зря не лежал зимой, я снял с него колеса, приладил вместо них коньки да установил сзади колесо-толкатель с шипами. Крутишь педали, колесо отталкивается от льда. Вот и все.
— А при чем тут парус, который ты упомянул?
— Надоедает крутить педали. Вот и решил прикрепить к задней вилке старый зонт. Ветер дует в парус и толкает льдосипед. Только успевай поворачивать и притормаживать. Сейчас с Митей идем соревноваться — он тоже такой построил.
— Надеюсь, это не последнее твое творение?
— Нет, конечно. Завтра буду доделывать электронную шкатулку — она сама исполняет «Подмосковные вечера». Потом думаю взяться за роликовые коньки с ручным приводом, чтобы можно было через редуктор вращать ролики. А потом... Одним словом, планов много, приходите почаще —все увидите сами в действии.
И, быстро собрав инструмент и одевшись, Витя скрылся за дверью со своим льдосипедом...

Последние комментарии
20 минут 49 секунд назад
2 часов 35 минут назад
2 часов 45 минут назад
2 часов 46 минут назад
21 часов 29 минут назад
21 часов 39 минут назад